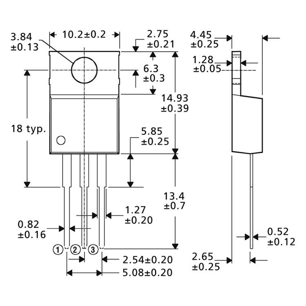
DownloadsTechnische DatenAngaben zur ProduktsicherheitDatenblattAusgangsspannung1,25 - 33 VAusgangsstrom3000 mABezeichnungSpannungsregler LM 350 T TypSpannungsregler