ELV Smart Home Garten Ventil Interface ELV-SH-GVI
Gießkanne ade: Smarte Gartenbewässerung mit dem ELV-SH-GVI ganz einfach selbst bauen
Wer einen Garten hat, kennt das: Besonders im Sommer müssen Pflanzen und Rasen regelmäßig gewässert werden. Ob nun mit Gießkanne oder Gartenschlauch − vor allem zur heißen Jahreszeit summiert sich der Zeitaufwand für diese Aufgabe erheblich. Zudem liegt der ideale Zeitpunkt zur Gartenbewässerung am frühen Morgen. Und wer will schon um 5 Uhr in der Früh aufstehen, um seine Pflanzen mit Wasser zu versorgen? Unser Bausatz ELV Smart Home Garten Ventil Interface bietet die Möglichkeit, den Vorgang der Bewässerung in das Smart Home zu integrieren und zu automatisieren. Damit kann dann zum besten Zeitpunkt die passende Menge an Wasser ohne großen Aufwand verteilt werden. Für die Ansteuerung wird zusätzlich der Bausatz ELV Homematic IP Modulplatine Open Collector 8-fach HmIP-MOD-OC8 benötigt.
Infos zum Bausatz


Gründe für eine automatische Gartenbewässerung
Meist ist es eine Kombination der folgenden Aspekte, die dazu führt, den eigenen Garten zumindest teilweise automatisch zu bewässern:
- Der Klimawandel führt zu trockenen Perioden, die ein Bewässern von bereits angelegten Flächen zu deren Erhalt nötig machen
- Komfort- und Freizeitgewinn durch Entlastung von der manuellen Bewässerungsarbeit
- Urlaub machen können, ohne sich um zuverlässige und regelmäßige Vertretung für die Bewässerungstätigkeit kümmern zu müssen
- Wasserverbrauch durch bedarfsgerechte und verlustarme Bewässerung senken
- Verbesserte Vitalität der Pflanzen durch bedarfsgerechte Bewässerung zum richtigen Zeitpunkt
- Begeisterung des Hausautomatisierers, der nach der erfolgreichen Realisierung eines Smart Homes ein neues Betätigungsfeld sucht
Die smarte und automatische Gartenbewässerung ist ein sehr umfangreiches Thema, das für den Elektroniker eine große Spielwiese mit vielen neuen Lernfeldern bereithält. Einerseits kann diese Passion mit der automatischen Steuerung von Pumpen und elektrischen Ventilen, aber auch mit der Messung von Bodenfeuchte oder Füllständen von Zisternen ausgelebt werden. Andererseits sollte man sich auch mit den Grundlagen der Pflanzenbedürfnisse und den Anforderungen an Wasserdruck, Durchfluss sowie Planung und Wartung einer Bewässerungsanlage vertraut machen. Der Antrieb, sich mit automatischer Gartenbewässerung zu beschäftigen, ist vielfältig.
Der richtige Zeitpunkt zur Gartenbewässerung
Der ideale Zeitpunkt für die Bewässerung ist der frühe Morgen. Zu diesem Zeitpunkt ist der Boden eventuell bereits durch Tau leicht angefeuchtet und besonders aufnahmebereit. Für ein gutes Tiefenwurzelwachstum sollte man allgemein seltener (also z. B. nur jeden zweiten oder dritten Tag), dafür aber etwas mehr wässern, damit das Wasser auch in die tieferen Bodenschichten gelangen kann. Nach einer intensiven Wässerung am Morgen sind die Pflanzen für den Rest des Tages gut gerüstet und trocknen in der Vormittagssonne bereits schnell ab.
Da aber kaum jemand um 5 Uhr morgens zum Bewässern des Gartens aufstehen will, ist dies bereits das erste schlagende Argument für eine automatische Bewässerung. Während einer Hitzewelle beginnen viele Gartenfreunde zuerst damit, ein oder mehrere mobile Rasensprenger aufzustellen und diese ggf. auch mehrfach neu zu positionieren. Ein dafür ausgerollter Gartenschlauch mit Sprenger ist lästig, stört beim Rasenmähen, sieht nicht schön aus, hinterlässt unschöne Abdrücke auf dem Rasen und ist meist auch nicht sonderlich robust. Spätestens nach wenigen Jahren, wenn man sich wieder über die unzureichenden Eigenschaften dieser Behelfslösung ärgert, kommt der Wunsch nach einer professionelleren Lösung auf.
Warum sollte man die pralle Sonne zum bewässern vermeiden?
Den Garten sollte man nicht während der prallen Mittagssonne bewässern (Bild 1), weil einerseits viel Wasser verdunstet und zudem schlecht von verhärteten Böden aufgenommen wird. Andererseits können die Tropfen auf den Pflanzen wie Brenngläser wirken und diese dadurch schädigen.

Warum sollte man den Garten nicht abends gießen?
Die Bewässerung in den Abendstunden hat hingegen den Nachteil, dass viel Feuchtigkeit auf den Pflanzen verbleibt und diese während der Nacht nicht abtrocknet, was Schimmelbefall, Pilzwachstum und Schneckenbefall begünstigt.
Planung der smarten Bewässerung im eigenen Garten
Eine professionelle sowie automatische Bewässerungslösung für den eigenen Garten kann recht unterschiedlich umgesetzt werden, abhängig von den persönlichen Ansprüchen, den Gegebenheiten vor Ort und der Bereitschaft für aufwendigere Installationsarbeiten.
Welche Wasserversorgung steht zur Verfügung?
Zunächst ist die Frage zu klären, wie die Wasserversorgung erfolgen soll. Wenn ein Anschluss an das öffentliche Wassernetz geplant ist, empfiehlt sich ab einer bestimmten Entnahmemenge die Installation eines separaten Zählers für diesen Außenanschluss, damit die teuren Abwassergebühren entfallen. Für eine zulässige Installation ist allerdings die Verwendung eines Systemtrenners (z. B. der Plug&Rain ECO Trinkwasser Kat. 5) erforderlich, damit keine Keime aus der Bewässerungsanlage ins Trinkwasser gelangen. Vorzugsweise sollte daher ein Brunnen oder ein Regenwasserauffangbehälter mit einer entsprechenden Pumpe zur Versorgung der Bewässerungsanlage dienen.
Kalkhaltiges Leitungs- oder Brunnenwasser ist für viele Pflanzen, wie z. B. den Rhododendron, sehr problematisch. Wenn nicht nur Rasen gewässert werden soll, empfiehlt sich daher oft die Verwendung von gesammeltem Regenwasser, z. B. aus einfachen Regensammlern (Bild 2).

Durchflussmenge und Druck ausmessen
Je nach geplanter Durchflussmenge ist dann eine geeignete Pumpe zu wählen. Bei einer bereits vorhandenen Pumpe kann anhand der Kennlinie aus Förderhöhe und Durchflussmenge der Druck an der Abgabestelle berechnet werden. An der Entnahmestelle für die Bewässerung sollte ein Druck von 4 bar vorhanden sein, da für die meisten Regner ein Wasserdruck von 3 bar empfohlen wird und über die Zuleitungen mit entsprechenden Druckverlusten zu rechnen ist. Es gibt jedoch auch spezielle Regner, die mit geringerem Druck zurechtkommen. Vor Beginn der konkreten Bewässerungsplanung sollte man den Druck und Durchfluss an der Entnahmestelle ausmessen (z.B. mit einem Druck/Durchfluss Messgerät von DVS). Bei einem einfachen Eimertest zur groben Einschätzung einer Nutzbarkeit der vorhandenen Quelle sollte ein 10-Liter-Eimer innerhalb von 30 Sekunden gefüllt werden können.
Der richtige Regner
Mit dem Wissen von Wasserdruck und möglicher Durchflussmenge kann man nun die maximale Anzahl von parallel betriebenen Regnern berechnen. Die Auswahl ist hier sehr groß und variiert mit Durchflussmenge, Wurfweite und empfohlenem Druckbereich.
Auf diese Weise lassen sich dann Regnermodelle (Bild 3) finden, die sich in der eigenen Planung verwenden lassen. Besonders hilfreich bei Auswahl und Positionierung von Regnern sind die Planungstools von DVS und Gardena.

Die Bewässerungselemente teilen sich in mehrere Gruppen. So gibt es verschiedene Arten von Getrieberegnern mit schmalem, aber weit werfendem Wasserstrahl, Sprühdüsen für breite, aber kurz werfende Regner, eine Kombination aus beiden Varianten, verschiedene Arten von Tropfschläuchen und andere Elemente für die punktuelle Bewässerung.
Anordnung der Regner
Aufgrund der beschränkten Möglichkeit, viele Bewässerungselemente gleichzeitig betreiben zu können, wird man mehrere kleinere Kreise anlegen, die nacheinander und nach Bedarf unterschiedlich lange bewässert werden. Damit dies möglich wird, braucht man eine entsprechende Wasserverteilung per elektrisch ansteuerbarer Ventile und die zugehörige Ansteuerelektronik. Für beides ist der jeweils individuell passende Montageort zu finden (Bild A). Hier kommen verschiedene Kriterien zur Auswahl in Betracht.

Mehrfachverteiler an einer Wand
Bei der Positionierung der Ventile bietet sich deren Montage auf einem Mehrfachverteiler an einer Wand z. B. in der Garage oder einem Gartenhaus an, wo Verteilung und Ventile leicht zugänglich und vor Wettereinflüssen gut geschützt sind (Bild B).

Unterirdische Verteilerbox
Alternativ kann die Montage einer solchen Verteilung in einer unterirdischen Verteilerbox erfolgen (Bild C). Eine zapfstellennahe Montage wird dabei zu insgesamt mehr zu verlegendem Wasserrohr führen als eine Montage der Verteilung in Bewässerungsnähe.

Verlegung einer Hauptleitung
Als dritte Möglichkeit bietet sich die Verlegung einer Hauptleitung an, von der nahe der jeweiligen Beregner mit einem Ventil abgezweigt wird (Bild D). Die Varianten lassen sich kombinieren. Je weiter die Beregner von der Entnahmestelle entfernt sind, desto eher wird man die Ventile in der Nähe der Beregner positionieren, um das im Verhältnis teurere Verlegerohr zu sparen. Man sollte dabei an die Mehrkosten für mehrere separate kleine Ventilboxen denken. Die Kosten für das Ansteuerkabel, das in diesem Fall nun bis zu den weit entfernten Ventilen verlegt werden muss, sind dabei üblicherweise deutlich niedriger als für das eingesparte Rohr.

Elektrische Ansteuerung der Ventile
Auf dem Markt gibt es drei wichtige Hersteller von Wasserventilen: Rainbird, Hunter und Gardena. In Bild 4 ist ein Ventil vom Hersteller Rainbird zu sehen. In der Regel werden diese Ventile mit einer 24-V-Wechselspannung angesteuert, um im Gegensatz zu Gleichspannung Korrosion zu vermeiden. Die Stromaufnahme liegt im Dauerbetrieb bei ca. 170 bis 200 mA. Nur im Einschaltmoment steigt der Strom kurzzeitig auf den etwa doppelten Wert an.
Es stellt sich die Frage, wie die elektrische Ansteuerung der Ventile erfolgen soll. Man benötigt einen oder mehrere Transformatoren, die aus der Netzspannung die Kleinspannung von 24 VAC für die Ventile liefern. Theoretisch kann man pro zu schaltendem Ventil einen eigenen Trafo verwenden und diesen dann auf der Netzspannungsseite mit einem Schaltaktor für Netzspannung schalten. Alternativ bietet es sich an, einen einzigen Trafo mit ausreichend Leistung für alle maximal gleichzeitig aktiven Bewässerungskreise zu installieren.

Plant man die Bewässerung so, dass die verschiedenen Kreise nacheinander und nicht gleichzeitig aktiv sind, kann man auf einen Trafo mit geringer Leistung setzen, muss aber sicher verhindern, dass später nicht doch versehentlich mehrere Kreise gleichzeitig aktiv sind. Auf der sicheren Seite ist man mit einem Trafo, der alle Ventile gleichzeitig versorgen kann. Bei dieser Variante ist es nur erforderlich, die Ventile sekundärseitig zu schalten.
Hier gilt es jetzt einiges zu beachten. Die meisten Schaltaktoren oder Relais-Module für das Schalten der 24-V-Wechselspannung werden eine davon unabhängige andere Versorgungsspannung benötigen. Benötigt der Aktor Netzspannung, so ist darauf zu achten, dass seine Ausgänge potentialfrei sind und genügend Isolationsabstand zur intern vorhandenen Netzspannung eingehalten wird. Die Klemmräume für Netzspannung und Schaltausgänge müssen zudem räumlich getrennt und so voneinander getrennt sein, dass auch ein versehentlich gelöstes Kabel nicht in den anderen Klemmenbereich gelangen kann. Einfacher in der Handhabung können da Aktoren sein, die nur mit 5-V- oder 12-V-Gleichspannung betrieben werden und sich somit z. B. mittels eines einfachen Steckernetzteils versorgen lassen.
Bei der Bewässerung sollte ohnehin sehr große Vorsicht mit Netzspannung eingehalten werden. Bei Leitungsführung und Montage von Komponenten sollte immer bedacht werden, dass aus einem geplatzten Schlauch oder Rohr Wasser sprühen könnte. Um Leerlaufverluste am 24-V-Trafo zu vermeiden oder dauerhaftes Bewässern bei einem klebenden Relais für ein Ventil zu verhindern, kann man den Trafo natürlich noch über einen zusätzlichen Netzspannungsaktor schalten. Wenn man statt einer einfachen Pumpe ein Hauswasserwerk für die Bewässerung verwendet, sollte man diese ebenfalls über einen Netzspannungsaktor schalten, damit die Pumpe bei einem Leck zwischen Pumpe und Ventil nicht dauerhaft läuft.
Einfache Ansteuerung mit dem ELV-SH-GVI
Um die Ansteuerung und Versorgung der Ventile besonders einfach und sicher zu gestalten, wurde das ELV Smart Home Garten Ventil Interface so konzipiert, dass die 24-V-Wechselspannung eines Trafos sowohl über die vier Relais für die Ansteuerung von Ventilen genutzt wird als auch für die Versorgung der Ansteuerelektronik selbst. Um die Elektronik vor Feuchtigkeit zu schützen und eine gute Funkreichweite zu gewährleisten, sollte sie nicht in unterirdischen Installationsboxen, sondern an einem geschützten oberirdischen Ort verbaut werden. Um zu verhindern, dass sich kleine Tiere in dem Elektronikgehäuse ansiedeln, empfiehlt es sich, die Durchführung der Ventilanschlusskabel etwas besser abzudichten, als es üblicherweise mit den zwei einzelnen Litzen möglich ist (s. Abschnitt Gehäuseeinbau). Neben dem ELV Smart Home Garten Ventil Interface benötigt man zur Ansteuerung die Homematic IP Modulplatine HmIP-MOD-OC8. Das HM-MOD-Re-8 ist zwar Pin-kompatibel, hat jedoch einige Nachteile gegenüber der Verwendung der Homematic IP Modulplatine, sodass wir hier nur den Einsatz des HmIP-MOD-OC8 empfehlen.
Schaltungsbeschreibung
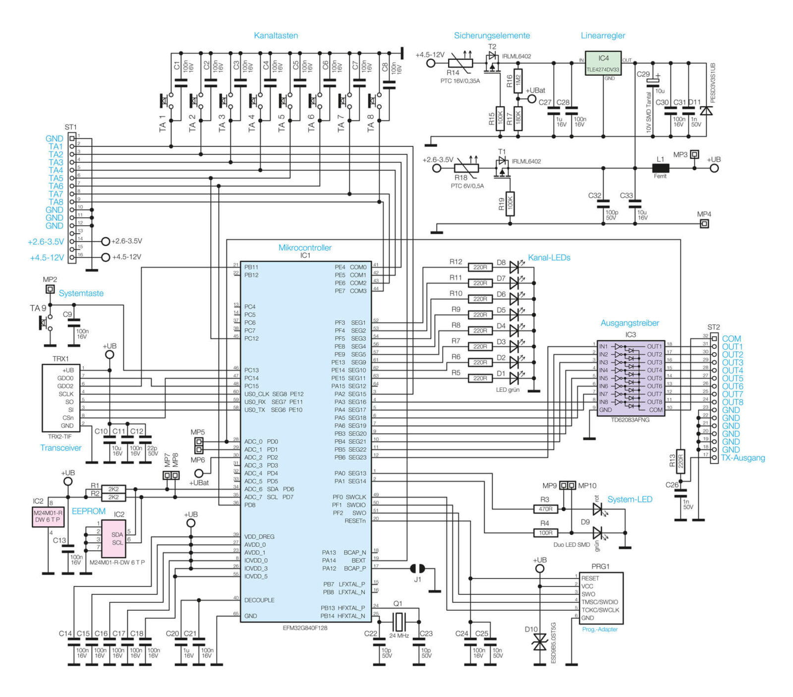
Das Schaltbild des ELV Smart Home Garten Ventil Interface ist in Bild 5 dargestellt. Die wesentlichen Elektronikkomponenten, also die Steuerlogik mit den Schaltausgängen, befinden sich auf der Modulplatine Open Collector HmIP-MOD-OC8.

Auf eine detaillierte Beschreibung dieser doch umfangreichen Schaltung (siehe Bild 6) verzichten wir an dieser Stelle und verweisen auf die Beschreibung dieser Modulplatine im ELVjournal 5/2017.

Die Hauptaufgabe der Basisschaltung des Garten Ventil Interface ist es, eine Versorgungsspannung für die Modulplatine und für die notwendigen Leistungsrelais bereitzustellen. Da die angeschlossenen Wasserventile eine Wechselspannung von 24 V benötigen, besteht die externe Spannungsquelle in der Regel „nur“ aus einem Netztrafo, ohne Gleichrichter oder sonstige Elektronik. Da die Steuerelektronik eine Gleichspannung benötigt, wird die an der Klemme X1 zugeführte Wechselspannung zunächst mit dem Brückengleichrichter D3 gleichgerichtet. Die beiden in Reihe geschalteten Dioden D1 und D2 sind sogenannte Transildioden, die hier eine Überspannungsschutzfunktion ausüben. Das bedeutet, dass Spannungsspitzen (Transienten) auf der Versorgungsspannung unterdrückt werden.
Der relativ große Kondensator C1 (220 µF) glättet die Gleichspannung hinter dem Gleichrichter. Die Leerlaufspannung einer gleichgerichteten Wechselspannung von 24 V kann bis zu 30 V und mehr betragen. Für die Leistungsrelais benötigen wir eine stabile Gleichspannung von 12 V. Theoretisch könnte man mit einem Linearspannungsregler, wie z. B. einem µA7812, eine stabile Spannung generieren. Bei einem Laststrom von 100 mA wäre die Verlustleistung aber so hoch (ca. 1,8 Watt), dass eine Kühlung notwendig sein würde. Aus diesem Grund verwenden wir hier einen Schaltregler (Step-down-Wandler) mit einem hohen Wirkungsgrad, der praktisch keine Verlustleistung generiert. Auf die genaue Funktionsweise eines Schaltreglers wollen wir hier nicht weiter eingehen, da dies doch sehr umfangreich wäre. Schaltregler haben wir im ELVjournal bereits ausführlich beschrieben (hier und hier).
Da es sich beim TPS54061 um einen synchronen Schaltregler handelt, entfällt die sonst übliche externe Diode. Die Diode wird durch interne MOSFET-Transistoren des TPS54061 ersetzt, was noch mal eine Reduzierung der Verlustleistung bedeutet. In der Speicherspule L1 wird benötigte Energie für den Umladevorgang des Schaltreglers gespeichert. Die Ausgangsspannung wird über das Verhältnis des Spannungsteilers R5/R7 festgelegt und beträgt 12 V. Diese 12 V werden für den Betrieb der vier Leistungsrelais K1 bis K4 sowie für die Versorgung der Modulplatine benötigt.
Die Relais werden von der Modulplatine angesteuert. Auf der Platine des HmIP-MOD-OC8 befindet sich der Treiberbaustein IC3 mit acht Open-Collector-Ausgängen, die in unseren Fall zur Ansteuerung der Relais genutzt werden. Aus Platzgründen verwendet die Schaltung nur vier der acht vorhandenen Ausgänge. Damit die restlichen vier Ausgänge nicht ungenutzt bleiben, besteht die Möglichkeit, zwei Platinen zu kaskadieren. Eine Platine mit verbauter Modulplatine steuert eine zweite Platine, für die keine Modulplatine erforderlich ist. In der Schaltung sind hierfür jeweils vier Eingänge (IN 5−8) und vier Ausgänge (OUT 5−8) vorgesehen. Diese Möglichkeit der Kaskadierung ist im Abschnitt „Kaskadierung“ beschrieben.
Nachbau des Smart Home Garten Ventil
In Bild 7 sind alle im Bausatz enthaltenen Bauteile aufgezeigt. Die sehr kleinen SMD-Bauteile sind vorbestückt (siehe Platinenfoto Bild 8a und Bild 8b), sodass nur noch die gezeigten Bauteile bestückt und verlötet werden müssen. Die Modulplatine (Funkmodul) ist nicht im Bausatz enthalten und muss separat bestellt werden.



Der Nachbau sollte aufgrund der Vorbestückung der kleinen Bauteile somit auch Elektronik-Einsteigern gelingen. Wir beginnen mit dem Einsetzen der vier Relais K1 bis K4. Diese werden, wie auch alle anderen Bauteile, von oben in die Platine eingesetzt und auf der Platinenunterseite verlötet. Bei genauerem Betrachten der Anschlüsse der Relais erkennt man, dass diese nicht symmetrisch angeordnet sind. Dies erleichtert die Bestückung, denn die Relais können somit nur in einer Position eingesetzt werden.
Nun kann der bedrahtete Sicherungshalter (Unterteil) eingesetzt und verlötet werden. Anschließend wird die Glasschmelzsicherung (4 A) zusammen mit der Sicherungskappe eingesetzt. Es gibt eine weitere Sicherung (F1), die jedoch mit Anschlussdrähten versehen ist und eingelötet wird. Diese Sicherung muss im Fehlerfall komplett getauscht und somit ausgelötet werden.
Für die Aufnahme der Modulplatine werden zwei Buchsenleisten (J1 und J2) eingelötet. Beim Einsetzen der Modulplatine ist auf die richtige Einbaulage zu achten. Diese ist am Platinenaufdruck erkennbar (siehe auch Platinenfoto Bild 7 und Bestückungsdruck Bild 8a unten). Für die Verlegung der Drahtantenne gibt es zwei Antennenhalter aus Kunststoff, die seitlich in die Platine eingesetzt werden. Der Antennendraht lässt sich dann durch die Bohrungen der Halter fädeln.
Falls eine Kaskadierung, also die Verwendung von zwei Platinen zur Generierung von acht Ausgangskanälen gewünscht ist, müssen entsprechend noch fünf Lötstifte eingesetzt werden. Bei der Hauptplatine mit Modulplatine müssen die vier Ausgänge und der Massekontakt (GND) mit Lötstiften versehen werden. Bei der zweiten zusätzlichen Platine werden die vier Eingänge und der Massekontakt (GND) mit Lötstiften versehen. Wie die Kaskadierung im Detail aussieht, ist im Abschnitt „Kaskadierung“ erklärt.
Gehäuseeinbau (optional)
Die Platine vom ELV Smart Home Garten Ventil Interface kann bei Bedarf in ein Gehäuse eingebaut werden. Die Abmessungen und Bohrungen sind so gewählt, dass die Platine in das Gehäuse vom Typ Bopla ET215 passt. Dieses hochwertige Gehäuse hat einen Schutzfaktor gegenüber Feuchtigkeit und Staub von IP65, ist also bei korrekter Montage gegen Spritzwasser geschützt. Das Gehäuse gehört nicht zum Lieferumfang.
Für den Einlass der Kabel empfiehlt es sich, passende Kabelverschraubungen zu verwenden, wie sie in Bild 9 dargestellt sind. Für die Kabeldurchführungen werden zusätzlich die passenden Muttern aus Kunststoff benötigt. Diese müssen extra bestellt werden.

Bei der Verwendung der Kabeldurchführung MBFO 12 müssen entsprechend der Anzahl der benötigten Ausgänge Bohrungen mit einem Durchmesser von 12 mm eingebracht (gebohrt) werden. Da normale Bohrer mit einem Durchmesser von 12 mm in der Regel nicht in einen Akkuschrauber passen, sollte man hierfür einen Stufenbohrer verwenden. Um diese Arbeit zu erleichtern, sind in Bild 10 die Maße für die Bohrungen angegeben. Bild 11 zeigt die eingebaute Platine mit montierten Kabelverschraubungen.


Die meisten Wasserventile haben als Anschluss zwei getrennte Litzen. Um die Durchführungen in das Gehäuse wasserdicht zu bekommen, kann die in Bild 12 gezeigte Vorgehensweise verwendet werden. Dazu nimmt man ein kleines Stück Kabelummantelung von einem runden Kabel mit einem Außendurchmesser von ca. 8 mm. Gut geeignet hierfür ist ein „altes“ Netzkabel.

Die beiden einzelnen Kabel werden durch die Hülle geschoben und die beiden Enden mit Heißkleber versiegelt, sodass keine Feuchtigkeit eindringen kann. Nun schiebt man dieses bearbeitete Stück Kabel in die Kabelverschraubung. Durch die runde Form vom Kabel schließt bzw. dichtet die Kabelverschraubung besser ab.
Möchte man das Gehäuse an der Wand befestigen, sind vom Hersteller zwei Möglichkeiten vorgesehen. Die einfachste Variante ist, die internen Gehäusedome zu verwenden, um die Schrauben (bis zu vier Stück) durch diese Gehäusedome zu führen. Eine andere Möglichkeit sind zusätzliche Gehäuselaschen (siehe Zubehör) an der Gehäuserückwand, wie in Bild 11 zu sehen ist.
Kaskadierung
Die in unserer Schaltung verwendete Modulplatine HmIP-MOD-OC8 hat acht Ausgänge, wovon pro Schaltung nur vier benötigt werden. Durch spezielle Aus- und Eingänge (Lötstifte) auf der Platine kann eine zusätzliche Platine angeschlossen werden (siehe Bild 13). Für das zweite Garten Ventil Interface ist keine Modulplatine notwendig.

Die Schaltsignale für die Relais der zweiten Platine kommen vom ersten Modul. Die vier Ausgänge vom linken Garten Ventil Interface (Master) werden mit den vier Eingängen von der rechten Garten-Ventil-Interface-Platine (Slave) verbunden. Hier muss unbedingt auch eine Masse (GND) zwischen den beiden Platinen hergestellt werden. Dies wird über die Anschlüsse/Lötstifte GND erreicht. Aus diesem Grund wird ein 5-poliges Kabel für Verbindung beider Platinen benötigt.
Spannungsversorgung
Wasserventile für die Gartenbewässerung werden in der Regel mit einer Wechselspannung betrieben, da eine Gleichspannung zu Korrosion der Steckkontakte im Außenbereich führen könnte. Da elektronische Netzteile mit einer Ausgangsspannung von 24 V bei einer Frequenz von 50 Hz kaum zu finden sind, bleibt kein anderer Weg, als einen klassischen Trafo zu verwenden.
Auch solche Trafos, vor allem mit dieser Ausgangsspannung (24 V) und in qualitativ hochwertiger Ausführung, sind recht schwer zu finden. Wir bieten deshalb einen Trafo mit integrierter Schutzschaltung eines deutschen Herstellers als Zubehör an (siehe Zubehör, Bild 14).

Vorteil bei diesem Trafo ist, dass man nicht mit der gefährlichen Netzspannung in Berührung kommt, denn das primärseitige Kabel und der gesamte Trafo sind vergossen. Ein weiterer Vorteil ist der kombinierte Schutz gegen Übertemperatur und Überstrom, der im Trafo integriert ist. Über Gehäuselaschen kann der Trafo z. B. direkt an der Wand befestigt werden. Das fertig aufgebaute Bewässerungssystem aus 24-V-Spannungsversorgung, ELV Smart Home Garten Ventil Interface und Ventilen könnte dann wie in Bild 15 beispielhaft dargestellt aussehen.

Anbindung an die CCU3
Um die Modulplatine (Funkmodul) bzw. die Schaltung des ELV Smart Home Garten Ventil Interface im Homematic IP System nutzen zu können, muss das Gerät an die Zentrale (CCU3) angelernt werden. Wie dies geschieht, ist in der Bedienungsanleitung vom HmIP-MOD-OC8 beschrieben. Nach erfolgreichem Anlernen taucht die Modulplatine HmIP-MOD-OC8 in der Geräteliste der CCU3 auf. Damit man sieht, für welche Aufgabe das Modul genutzt wird, empfiehlt es sich, die Bezeichnungen zu ändern. Unter „Geräteeinstellung > allgemeine Kanaleinstellungen“ kann die Bezeichnung für jeden Kanal individuell angepasst werden. In der Bedienoberfläche der CCU3 sehen die neuen Bezeichnungen dann aus wie in Bild 16 zu sehen.

Bewässerungszeiten programmieren
In der Regel möchte man die Ventile nicht von Hand steuern, sondern automatisch über festgelegte Zeiten und Wochentage. Bei der Programmierung der Bewässerungszeiten gilt es ein paar Besonderheiten zu beachten, um das verwendete Funkschaltmodul effektiv und sicher zu nutzen. Bei der Verwendung von Funkschaltern sollte man sich immer der Möglichkeit bewusst sein, dass ein ausgesendeter Schaltbefehl den Aktor nicht erreicht. Es sollte daher immer die geräteinterne Timerfunktion verwendet werden, um ein Ventil für eine bestimmte Zeit einzuschalten. Besonders vorteilhaft lassen sich auch die virtuellen Aktorkanäle (Bild 17) und das interne Wochentimerprogramm der Homematic IP Modulplatine nutzen.

Über den internen Wochentimer lassen sich feste Bewässerungszeiten für die verschiedenen Ausgangskanäle programmieren (Bild 18). Dadurch entfällt die Notwendigkeit, dem Aktor mehrfach pro Tag Schaltbefehle senden zu müssen. Dies reduziert die Funklast und erhöht zudem die Zuverlässigkeit der Anlage. Wenn man nun jeweils den ersten virtuellen Aktorkanal für die Ansteuerung durch das Wochenprogramm nutzt, kann man über die beiden anderen virtuellen Aktorkanäle des zugehörigen physikalischen Schaltausgangs den Ausgang freigeben oder sperren − abhängig von Trockenheit und Beregnungsbedarf, Sommer-/Winterbetrieb oder vorübergehend während des Rasenmähens oder einer Gartenparty.

Dafür ist im Geräte-Einstellmenü beim zweiten und dritten virtuellen Aktorkanal jeweils die Verknüpfungsregel „AND“ auszuwählen (Bild 19). Dadurch schaltet der physikalische Ausgang erst ein, wenn alle drei zugehörigen virtuellen Kanäle eingeschaltet sind. Wird einer der virtuellen Kanäle im Sprachgebrauch nicht als Freigabekanal (Bewässerungsbedarf), sondern als Sperrkanal (Bewässerung verhindern) genutzt, sollte man besser die Verknüpfungsregel „AND_INVERS“ verwenden, damit beim Aktivieren einer Sperre der zugehörige Kanal eingeschaltet werden kann.

Möchte man die virtuellen Aktorkanäle für das Freigeben oder Sperren der Bewässerung nutzen, empfiehlt es sich, die Ermittlung der Voraussetzungen in einer dafür angelegte Systemvariablen (Bild 20) in einem Ermittlungsprogramm zusammenzufassen (Bild 21) und in einem zugehörigen Aktionsprogramm auf eine Änderung dieser Variablen zu reagieren (Bild 22).
Dies vereinfacht die Programmierung sowie eventuelle spätere Änderungen und vermeidet häufige unnötige Funkbefehle an die Aktoren, wenn mehrere Bedingungen für das Ergebnis der Variablen herangezogen werden. Über geeignete Sensoren können z. B. Boden- und Lufttemperatur gemessen und über Niederschlagssensoren die Regenhäufigkeit oder auch die Regenmenge bestimmt werden. Auch Wettervorhersagedaten lassen sich mit etwas Aufwand in die Planungen mit aufnehmen.



Technische Daten
| Geräte-Kurzbezeichnung: | ELV-SH-GVI |
| Versorgungsspannung: | 24 VAC |
| Stromaufnahme: 4 A max. (abgesichert mit 4 A T) | Schaltleistung pro Kanal: 1 A max. |
| Umgebungstemperatur: | -10 bis +55 °C |
| Sonstiges: | Kaskadierbar auf 8 Ausgänge |
| Modulplatine: | HmIP-MOD-OC8 (nicht im Lieferumfang) |
| Abmessungen (B x T): | 92 x 68 mm |
| Gewicht: | 72 g |
Stückliste
| Widerstände | |
| 15 kΩ/SMD/0402 | R7 |
| 39 kΩ/SMD/0402 | R2 |
| 56 kΩ/SMD/0402 | R6 |
| 120 kΩ/SMD/0402 | R3 |
| 220 kΩ/SMD/0402 | R5 |
| 390 kΩ/SMD/0402 | R1 |
| Kondensatoren | |
| 10 pF/50 V/SMD/0402 | C5 |
| 1 nF/50 V/SMD/0402 | C6 |
| 10 nF/50 V/SMD/0402 | C4 |
| 100 nF/50 V/SMD/0603 | C3, C8, C10 |
| 4,7 µF/50 V/SMD/0805 | C2, C7 |
| 47 µF/50 V/SMD | C9 |
| 220 µF/50 V/SMD | C1 |
| Halbleiter | |
| TPS54061/SMD | U1 |
| SMAJ58A/SMD | D1, D2 |
| MB6S/SMD | D3 |
| Sonstiges | |
| Speicherdrossel, SMD, 100 µH/260 mA | L1 |
| Chip-Ferrit, 600 Ω bei 100 MHz, 0603 | L2 |
| Relais: coil 12 VDC, 1 Form A (NO), 1x on, 250 VAC, 5 AAC | K1−K4 |
| Kleinstsicherung, 500 mA, 250 V, träge, print | F1 |
| Sicherung, 4 A, träge | F2 |
| Sicherungshalter, für 5×20-mm-Sicherung, THT | F2 |
| Abdeckung für Sicherungshalter | F2 |
| Buchsenleisten, 1x 16-polig, gerade | J1, J2 |
| Federkraftklemmen, 2-polig, Drahteinführung 180°, print, RM = 5,08 mm | X1−X6 |
| Antennenhalter für Platinen | |
| Lötstifte mit Lötöse | |
| Gewindeformende Schrauben, 3,0 x 6 mm, T10 | |
| Typenschild-Aufkleber, weiß |
