PAD-PRO-EXSB Schaltungen erklärt – Teil 4
Reed-Kontakte: Berührungslos schalten
In diesem Teil der Serie für das PAD-PRO-Experimentierset beschäftigen wir uns mit Reed-Kontakten. Wir zeigen anhand praxisorientierter Beispiele, wie man diese Schalter, die auf magnetische Felder reagieren, für interessante praktische Schaltungen und Experimente einsetzen kann.
Reed-Kontakt – Grundlagen
Aufbau und Funktion
Ein Reed-Kontakt ist ein Schalter mit einer interessanten physikalischen Eigenschaft: Er reagiert auf Magnetfelder. Dies bedeutet, dass der Schaltkontakt z. B. durch einen Dauermagneten oder auch durch ein elektrisches, generiertes Magnetfeld aktiviert werden kann. Zudem befindet sich der Schaltkontakt in einem hermetisch geschlossenen Glasrohr, womit er vor Umwelteinflüssen wie Staub und Feuchtigkeit geschützt ist. Der in unserem PAD-Pro-EXSB verwendete Reed-Kontakt wurde bereits im ersten Teil dieser Serie erklärt. Der eigentliche Reed-Kontakt ist auf einer kleinen Modulplatine verbaut (Bild 1).

Anwendungsbereiche
Anwendung finden Reed-Kontakte/-Schalter in vielen Bereichen wie z. B. Sicherheitstechnik, Automatisierungstechnik, Automobilindustrie usw. In unserem Alltag begegnen uns Reed-Kontakte häufig in Form von Alarmkontakten zur Sicherung von Fenstern und Türen (Bild 2). Hierbei wird der Magnet am beweglichen Fenster und der Schaltkontakt am Rahmen befestigt. Beim Öffnen des Fensters entfernt sich der Magnet vom Reed-Kontakt, wodurch der Schaltkontakt geöffnet wird. Diese Information kann von einer Alarmanlage ausgewertet werden. Dank der gekapselten Kontakte können Reed-Kontakte/-Schalter auch in „rauer“ Umgebung eingesetzt werden.

Grundschaltungen
Ein Reed-Kontakt besitzt nur relativ kleine Schaltkontakte, somit ist auch der maximale Schaltstrom nicht sehr hoch. Unser im Experimentierset verwendete Reed-Kontakt hat z. B. einen maximalen Schaltstrom von 0,7 A. Es ist ratsam, die empfindlichen Kontakte vorsichtig zu behandeln. Bereits durch eine kurze Überlastung können die Kontakte verkleben und sie lösen sich nicht mehr. Eine kleine LED mit einem relativ kleinen Strom von wenigen Milliampere kann problemlos direkt geschaltet werden. Größere Ströme lassen die Kontakte zudem schnell altern. Deshalb empfiehlt es sich, einen Transistor oder ein anderes aktives elektronisches Schaltelement nachzuschalten. So werden die Kontakte geschont, da für die Ansteuerung eines Transistors nur ein relativ kleiner Strom durch die Reed-Kontakte fließt.
In unserem Schaltungsbeispiel zeigen wir die Kontaktauswertung mit nachgeschaltetem Transistor (Bild 3). Es sind zwei Versionen dargestellt, je nachdem ob die LED (symbolisch für die Last) invertiert oder nicht invertiert schalten soll. Das linke Beispiel (a) zeigt einen Transistor, der im Normalfall durchgeschaltet ist, da über den Widerstand R1 ein Basisstrom in den Transistor fließt. Der Reed-Kontakt ist an der Basis angeschlossen und legt im aktiven Fall (Annäherung eines Magneten) die Basisspannung an Masse, wodurch der Transistor sperrt und die LED erlischt. Das rechte Beispiel (b, c) zeigt die wahrscheinlich gebräuchlichste Version, bei der der Transistor schaltet, wenn auch der Reed-Kontakt schaltet. Hierbei ist zu beachten, dass unbedingt ein Widerstand (R1) zur Begrenzung des Basisstroms vorhanden sein muss.

Bild 4 zeigt beide Schaltungsvarianten, aufgebaut auf einem „normalen“ Steckboard. Diese Aufbauspiele sind allgemeingültig und können leicht auf das EXSB-Mini bzw. EXSB1 übertragen werden.

Beispielschaltung T-Flip-Flop
In unserem nächsten Anwendungsbeispiel kommt neben der Anwendung eines Reed-Kontakts eine weitere neue Schaltung hinzu. Die Bezeichnung Flip-Flop entstammt der Digitaltechnik und ist dort einer der wichtigsten Bausteine. Wer sich näher mit der Digitaltechnik beschäftigen möchte, kann sich z. B. auch die Anleitungen zum DEB100 oder PAD6 anschauen.
Wir wollen hier nicht zu weit ausschweifen, deshalb beschränken wir uns auf die Grundfunktion eines T-Flip-Flop. Ein T-Flip-Flop wechselt mit jedem Taktimpuls seinen Ausgangszustand. Wobei das T nicht für Takt, sondern für Toggeln steht. Ein Flip-Flop ist somit eine Kippstufe, die zwei unterschiedliche Ausgangszustände annehmen kann. Üblicherweise stehen zwei Ausgänge zur Verfügung (Q und /Q), die entgegengesetzte Logikpegel aufweisen. In Bild 5 ist das Schaltsymbol für ein digitales Flip-Flop dargestellt, das aus einem D-Flip-Flop realisiert ist.

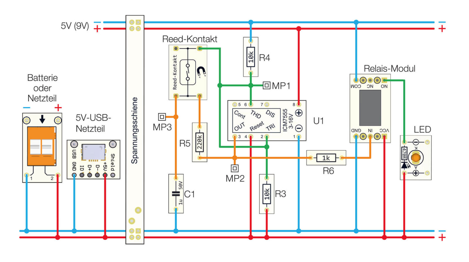
Dieses Verhalten lässt sich auch mit einem analogen Baustein wie in unserem Fall mit einem Timerbaustein NE555 realisieren. In Teil 3 unserer Artikelserie haben wir die drei Grundschaltungen Oszillator, Monoflop und PWM-Generator mit einem NE555 (ICM7555) vorgestellt. Nun kommt noch eine vierte Schaltung, nämlich das T-Flip-Flop, hinzu. Schauen wir uns zunächst die komplette Schaltung in Bild 6 an. Der NE555 (ICM7555) ist als T-Flip-Flop beschaltet und steuert ein Relais bzw. eine LED an.

Mit dem Reed-Kontakt wird das T-Flip-Flop gesetzt bzw. zurückgesetzt. In der Praxis sieht das folgendermaßen aus: Nähert man sich mit einem Magneten dem Reed-Kontakt, wird ein Verbraucher (in unserem Beispiel eine LED) eingeschaltet. Bei der nächsten Annäherung wird der Verbraucher wieder ausgeschaltet. Jede Betätigung des Reed-Kontakts bewirkt eine Zustandsänderung.
Die Grundfunktion des NE555 kennen wir ja bereits und wissen, dass dieser Baustein im Wesentlichen auch aus einem Flip-Flop besteht. Gesteuert wird das interne Flip-Flop über die Eingänge THD (Pin 6) und Trigger (Pin 2). In unserer Schaltung sind diese beiden Eingänge miteinander verbunden. Im Diagramm (Bild 7) ist der zeitliche Verlauf der in der Schaltung gekennzeichneten Messpunkte MP1 bis MP3 dargestellt.

Durch den Spannungsteiler R3/R4 liegt an MP1, der sich am Knotenpunkt der beiden zusammengeschlossen Steuereingänge befindet, die halbe Betriebsspannung (1/2 UB) an. Dies bedeutet, dass keiner der beiden internen Komparatoren A und B schaltet, da die Schaltschwellen bei 1/3 UB und 2/3 UB liegen.
Schauen wir uns nun den Kondensator C1 an, der für die Funktion eine entscheidende Rolle spielt. C1 ist über den Widerstand R5 mit dem Ausgang des Timers Pin 3 verbunden. Somit liegt der Spannungswert vom Ausgang des NE555 auch an C1 an. Bedingt durch die Zeitkonstante von R5 und C1 geschieht der Pegelwechsel zeitlich verzögert. Liegt am Ausgang (Pin 3) ein H-Pegel an, lädt sich C1 auf diesen Spannungswert auf, während bei einem Low-Pegel am Ausgang sich der Kondensator C1 entlädt.
Wie wir im Schaltbild erkennen, ist der Reed-Kontakt zwischen C1 und dem Spannungsteiler R3/R4 geschaltet. Nun kommt der entscheidende Punkt: Wenn der Reed-Kontakt geschlossen wird, erzeugt dies einen Spannungssprung am Knotenpunkt R3/R4. Je nach Spannung an C1 wird eine Spannung am Spannungsteiler addiert bzw. subtrahiert. Nehmen wir an, der Ausgang vom Timer (Pin 3) führt Low-Pegel, dann beträgt die Spannung an C1 auch 0 V. Wird nun der Reed-Kontakt geschlossen, sinkt die Spannung am Knotenpunkt MP1 kurz ab, erkennbar an der Spannungsspitze an MP1 (Bild 7). Dies bewirkt, dass der interne Komparator B schaltet und das Flip-Flop gesetzt wird. Dies hat zur Folge, dass der Ausgang Pin 3 auf High-Pegel wechselt. Nun lädt sich die Spannung an C1 auf High-Pegel auf. Dies ist in Bild 7 (MP3) gut zu erkennen.
Der Widerstand R5 ist im Verhältnis zu den Widerständen des Spannungsteilers R3/R4 um ein Vielfaches größer, weshalb eine dauerhafte Spannungsänderung am Knotenpunkt MP1 nur sehr gering ausfällt. Entscheidend ist die Ladung an C1, die für einen kurzen Spannungsimpuls sorgt.
Hat sich in unserem Beispiel der Kondensator C1 nun auf High-Pegel aufgeladen und der Reed-Kontakt wird erneuert geschlossen, generiert dies einen kurzen positiven Spannungsimpuls. Nun schaltet der Komparator A, da ja die Spannung an MP1 die Schaltschwelle von 2/3 UB überschreitet. Dies bewirkt, dass das Flip-Flop zurückgesetzt wird. Der Ausgang (MP2) wechselt von High- auf Low-Pegel und die Spannung an C1 sinkt durch die Entladung auf 0 V ab. Ein erneutes Aktivieren des Reed-Kontakts führt wieder zu einem Pegelwechsel am Ausgang (MP2) des Timers. Durch die Zeitkonstante von C1 und R5 wird ein zu schnelles Ein- und wieder Ausschalten verhindert, was zudem für eine „Entprellung“ sorgt. Wie man erkennt, tritt nur dann eine Ausgangsänderung auf, wenn der Reed-Kontakt geschlossen wird. Bleibt der Reed-Kontakt geschlossen, muss dieser Kontakt zuerst wieder gelöst werden, um eine Zustandsänderung zu erreichen.
Der Ausgang des Timers kann individuell beschaltet werden, da dieser sowohl nach Masse als auch nach +UB schalten kann. Laut Datenblatt kann der Ausgang vom ICM7555 einen Strom von 100 mA liefern. Der einfachste Fall wäre eine LED (mit Vorwiderstand) am Ausgang (Bild 6). Möchte man Lasten mit höherem Stromverbrauch schalten, muss ein Relais eingesetzt werden. Bei einem Relais wird an die Erregerspule eine Spannung angelegt, wodurch der lastseitige Schaltkontakt betätigt wird. Die Erregerspule ist relativ hochohmig und benötigt nur einen geringen Strom im zweistelligen Milliamperebereich. In unserem Experimentierset befindet sich ein Relais-Modul, das mit einem zusätzlichen Schalttransistor ausgestattet ist (Bild 8). Dies ist sehr komfortabel, da dieses Modul einfach mit einer Spannung am Eingang IN aktiviert werden kann. Der Ausgangsstrom des ICM7555 reicht prinzipiell aus, um das Relais direkt anzusteuern.

In unserem Beispiel möchten wir auch zeigen, wie man das Relais-Modul (mit integriertem Transistor) einsetzt. In unserer Schaltung ist noch ein zusätzlicher Widerstand R6 in die Steuerleitung zum Relais eingefügt, um die Strombelastung des Timerausgangs möglichst gering zu halten. Als Last haben wir zur Demonstration eine LED an die Schaltkontakte des Relais angeschlossen. Dieser Schaltkontakt vom Relais ist als Umschalter ausgelegt, so kann man entscheiden, ob man den Ruhekontakt (NC) oder den Arbeitskontakt (NO) verwenden möchte.
Aufbau der Beispielschaltung
Für unsere Beispielschaltung gibt es einen Aufbauvorschlag unter Zuhilfenahme des Experimentiersets PAD-PRO-EXSB. Zum Set, das alle notwendigen Bauteile enthält, wird zusätzlich noch eine Aufbauplattform benötigt. Dies können die Experimentierplattformen EXSB1 und EXSB-Mini sowie ein „normales“ Steckboard sein.
Für jede dieser Aufbauplattformen ist ein Nachbaufoto (Bild 9 bis Bild 11) dargestellt. Zusätzlich gibt es einen generellen Verdrahtungsplan (Bild 12) mit den entsprechenden Prototypenadapter-Modulen.




Die Kontakte der Steckboards sind in der Regel nummeriert: die Spalten von links nach rechts mit 1 bis 63 und die Reihen mit den Buchstaben A bis F. Dies kann sich aber je nach Hersteller geringfügig unterscheiden. Anhand der Nummerierung kann man die Position der Bauteile und Brücken in den Bildern (Bild 9 bis Bild 11) abzählen und auf die eigene Schaltung übertragen. Wichtig ist hierbei, das Steckboard so zu platzieren, dass sich Pin 1 auf der linken Seite befindet. Dreht man das Steckboard andersherum, stimmen die Positionen nicht mehr mit den Bildern überein.
Die elektrischen Verbindungen werden mit starren und flexiblen Steckbrücken hergestellt, die im Experimentierset vorhanden sind.
Spannungsversorgung
Die Spanungsversorgung für diese Schaltung sollte 5 V betragen. Der NE555 bzw. der ICM7555 sind für Betriebsspannungen von bis zu 16 V ausgelegt, aber das verwendete Relais benötig eine Spannung von 5 V. Ein Betrieb mit einer 9-V-Batterie ist dennoch möglich, führt aber zu einer höheren Stromaufnahme. Bauteile werden durch die höhere Betriebsspannung nicht geschädigt.
Die beiden Experimentierboards EXSB1 und EXSB-Mini verfügen über eigene Spannungsversorgungseinheiten, auf die wir hier nicht weiter eingehen wollen, da dies in der jeweiligen Bauanleitung beschrieben ist. Für das universelle Steckboard kann man auf unterschiedliche Spannungsversorgungsmöglichkeiten zurückgreifen, wie man in Bild 9 sieht. Über eine USB-Buchse kann ein normales Steckernetzteil oder Ladegerät mit Micro-USB-Stecker als Spannungsquelle genutzt werden. Die Variante mit einer Klemmleiste dient zum Anschluss einer externen Spannungsversorgung wie z. B. Netzteil oder Batterie. Hierbei muss unbedingt auf die korrekte Polung geachtet werden. Eine sehr komfortable Lösung bietet auch das ELV-Powermodul PM-SB1, das mit zwei Batterien ausgestattet ist und somit autark arbeitet.
Stückliste Reed-Kontakt mit T-Flip-Flop
| Menge | Bezeichnung | Modul |
| 1 | NE555 (ICM7555) | CM-IC-ICM7555-A |
| 1 | Reed-Kontakt | CM-SM-01 |
| 1 | LED-Modul (rot, orange oder grün) | CM-DL-X01 |
| 1 | Relais-Modul | CM-PB-4101 |
| 1 | Widerstand 1 kΩ | CM-RF-102-A |
| 1 | Widerstand 10 kΩ | CM-RF-103-A |
| 1 | Widerstand 220 kΩ | CM-RF-224-A |
| 1 | Kondensator 1µF | CM-CF-105 |
| 1 | Spannungsschiene | CM-BB-01 |
| 1 | USB-Buchse Micro (bei Bedarf) | CM-FC-USB |
| Steckbrücken/Steckkabel |