PAD-PRO-EXSB Schaltungen erklärt – Teil 7
Komparatorschaltungen mit Operationsverstärkern
In diesem Teil unserer Serie widmen wir uns dem Thema „Komparatoren“. Wir zeigen an praxisnahen Beispielen, wie man mit Operationsverstärkern unterschiedliche Komparatorschaltungen realisiert.
Verstehen und Anwenden
Die hier vorgestellten Beispielschaltungen zum Thema „Komparatoren” sind vorwiegend als Begleitmaterial für das PAD-PRO-Experimentierset gedacht. Die einfachen Schaltungen können natürlich auch mit handelsüblichen Bauteilen auf Steckboards oder Lochrasterplatinen nachbaut werden. Vorzugsweise sollte man aber Steckboards verwenden, da es sich um Beispielschaltungen handelt, die zum Verständnis der Funktionsweise von Komparatorschaltungen dienen und nicht als fertige Praxisschaltungen gedacht sind. Wenn man die Funktion verstanden hat, sollte es einem möglich sein, die gewonnenen Erkenntnisse für seine eigenen Bedürfnisse anzupassen. Ein Steckboard bietet hierfür die geeignete Voraussetzung, da sich die Schaltung leicht modifizieren lässt und auch Bauteilwerte problemlos geändert werden können.
Komparator: Grundlagen
Die Bezeichnung Komparator entstammt dem lateinischen Wort: comparator = Vergleicher. Ein Komparator vergleicht zwei Werte miteinander und liefert als Ergebnis einen digitalen Wert, der anzeigt, welche der beiden Spannungen höher ist. Bild 1 zeigt das Schaltsymbol eines Komparators in Form eines Operationsverstärkers. Da der Operationsverstärker ohne Rückkopplung arbeitet, ist die Leerlaufverstärkung extrem hoch. Somit kann es im Prinzip nur zwei unterschiedliche Ausgangszustände geben. In Bild 1 sind die Bedingungen für beide Ausgangszustände dargestellt.

Im Bereich der Elektronik werden Komparatoren vorwiegend mit Operationsverstärkern oder speziellen Komparatorschaltkreisen aufgebaut. Mit Transistoren könnte man im Prinzip auch Komparatorschaltungen realisieren, die aber sehr schwierig im Aufbau sind. In den folgenden Beispielen verwenden wir einen „normalen“ Operationsverstärker zur Realisierung eines Komparators. Für niedrige Frequenzen bis hin zu DC-Signalen reicht in der Regel ein Operationsverstärker aus. Möchte man hingegen Schaltsignale > ca. 10 kHz verarbeiten, sind spezielle, nur für diesen Einsatzzweck entwickelte Komparatoren zu verwenden. Bei echten als Komparatoren ausgewiesenen Schaltkreisen wurde auf die interne Frequenzkompensation verzichtet, wodurch die Ansprechzeit verkleinert und somit auch die max. Schaltfrequenz steigt. Als Beispiel sei hier der LM2093/LM393 erwähnt. Wie man im Blockschaltbild (Bild 2) erkennt, verfügt dieser Komparator über einen Open-Collector-Ausgang. Das bedeutet, es muss immer ein Lastwiderstand (Pull-up) nach +UB extern beschaltet werden. So kann man die Größe des Lastwiderstands, der ja auch Einfluss auf die Geschwindigkeit und somit die max. nutzbare Frequenz hat, selbst bestimmen.

Invertierender Komparator
Schauen wir uns nun im Folgenden an, wie man mit Operationsverstärkern unterschiedliche Grundarten von Komparatoren realisiert. Die erste Grundschaltung, die wir näher betrachten wollen, ist ein invertierender Komparator, der in Bild 3 dargestellt ist. Die Ausgangszustände des Komparators werden hier durch zwei LEDs angezeigt. Bei einem High-Potential am Ausgang leuchtet die untere LED2 (rot) auf, während bei einem Low-Potential die obere LED1 (orange) aufleuchtet. Die Eingangsspannung wird mit dem Potentiometer P1 vorgegeben und erstreckt sich über den vollen Betriebsspannungsbereich. Diese Spannung führt auf den invertierenden Eingang (-). Die Schaltschwelle am nichtinvertierenden Eingang (+) ist mit dem Spannungsteiler R1/R2 fest auf UB/2 festgelegt. Im Diagramm (Bild 3, rechts) ist zu erkennen, was am Ausgang (UA) passiert, wenn man die Eingangsspannung verändert (grüne Kennlinie UIN). Bei einer Eingangsspannung von 0 V liegt am Ausgang (UA) High-Potential, da der Operationsverstärker das Eingangssignal invertiert. Erreicht die Eingangsspannung den Wert der Schaltschwelle (UB/2), wechselt der Ausgang auf Low-Potential.

Solange die Eingangsspannung sich oberhalb der Schaltschwelle befindet, verbleibt der Ausgang auf Low-Potential. Erst wenn die Eingangsspannung wieder unter die Schaltschwelle sinkt, wechselt der Ausgang auf High-Potential. Möchte man die Schaltschwelle verändern, geschieht dies durch das Widerstandsverhältnis von R1 zu R2. Die Schaltung ist relativ einfach aufzubauen, weshalb wir uns auf den Aufbau auf einem Steckboard (Bild 4) beschränken. Weitere Hinweise zum Aufbau gibt es im Abschnitt „Aufbau der Beispielschaltungen“.

Nichtinvertierender Komparator
Soll das Eingangssignal nicht invertiert werden, sind einfach die beiden Eingänge des Komparators zu tauschen, wie dies in Bild 5 zu sehen ist. Im Diagramm (Kennlinie) ist erkennbar, dass das Ausgangssignal im Gegensatz zum invertierenden Komparator genau entgegengesetzt ist. Auch für diese Schaltungsvariante gibt es ein Foto für den Aufbauvorschlag auf einem Steckboard (Bild 6).


Komparator mit Hysterese
Bei den beschriebenen Grundschaltungen kann unter Umständen ein Problem auftauchen, das wir als Schwingneigung bezeichnen wollen. Befindet sich die Eingangsspannung im Bereich der Schaltschwelle, reichen wenige Millivolt mehr oder weniger aus, um das Ausgangssignal zu ändern. Liegt auf dem Eingangssignal ein Ripple- oder Rauschsignal von nur wenigen Millivolt, schaltet der Komparator nicht sauber und es kommt zu einer Art Schwingneigung am Ausgang des Komparators. Mit etwas Fingerspitzengefühl kann dieses Phänomen in den beiden Grundschaltungen reproduziert werden, indem man vorsichtig das Potentiometer P1 im Bereich der Schaltschwelle sehr geringfügig verändert. Mit etwas Glück trifft man genau den Punkt, an dem das Ausgangssignal des Komparators kurz schwingt.
Dieses Problem kann mit einer Rückkopplung, besser gesagt Mitkopplung, verhindert werden. Dies geschieht durch einen Widerstand, der vom Ausgang auf den nichtinvertierenden Eingang (+) führt. Das Prinzip ist recht einfach: Durch die Mitkopplung wird die Schaltschwelle dynamisch verändert, wodurch eine sogenannte Hysterese erzeugt wird. Bild 7 zeigt die Grundschaltung des invertierenden Komparators mit zusätzlichem Rückkoppelwiderstand R3. Wie man in Bild 8 erkennt, liegt je nach Ausgangszustand des Komparators der Rückkoppelwiderstand R3 parallel zu R1 (wenn Ausgang UA = UB) oder parallel zu R2 (wenn UA = GND). Es gibt somit zwei unterschiedliche Schaltschwellen, die im Diagramm von Bild 7 als Us2 und Us1 bezeichnet sind.


Steigt die Eingangsspannung langsam an und erreicht den Wert Us1, wechselt der Ausgang UA auf Low-Potential. In diesem Moment liegt die Schaltschwelle nicht mehr bei der Schaltschwelle US1, sondern wechselt zu Us2, die etwas niedriger ist. In Bild 9 ist dies an einem speziellen Diagramm ersichtlich.
Hierbei ist zu beachten, dass die X-Achse die Eingangsspannung UIN und die Y-Achse die Ausgangsspannung UA darstellt. Nehmen wir an, die Eingangsspannung beträgt 0 V, dann liegt der Ausgang auf High-Potential. Steigt die Eingangsspannung, dann folgen wir der Linie mit den roten Pfeilen. Sobald die Eingangsspannung die Marke für die Schaltschwelle Us1 erreicht, wechselt der Ausgang auf Low-Potential (wir folgen immer noch den roten Pfeilen). Wenn jetzt die Eingangsspannung reduziert wird, folgen wir den blauen Pfeilen. Nun nimmt die Kennlinie (blaue Pfeile) einen anderen Verlauf, da die Schaltschwelle Usı durch den Wechsel am Ausgang nicht mehr aktiv ist und nun Schaltschwelle Us2 ausschlaggebend ist. Dies erkennt man daran, dass der Ausgang erst beim Unterschreiten der Marke Us1 wieder auf High-Potential wechselt.

Der Unterschied zwischen den beiden Schaltpunkten wird als Hysterese bezeichnet. Diese Hysterese ist in vielen Schaltungen sehr nützlich, wie wir im folgenden Beispiel eines Temperaturschalters sehen werden.
Die Berechnung der Widerstände in solch einer Schaltung ist nicht ganz einfach, weshalb wir hier auf komplizierte Formeln verzichten und stattdessen auf das Internet verweisen. Viele Privatpersonen und auch Firmen haben sogenannte Berechnungstools online gestellt. Hier gibt man einfach die gewünschten Spannungen ein und erhält dann die notwendigen Widerstandwerte. Zu finden sind diese Seiten mit den Suchbegriffen „Komparator Online Berechnung“.
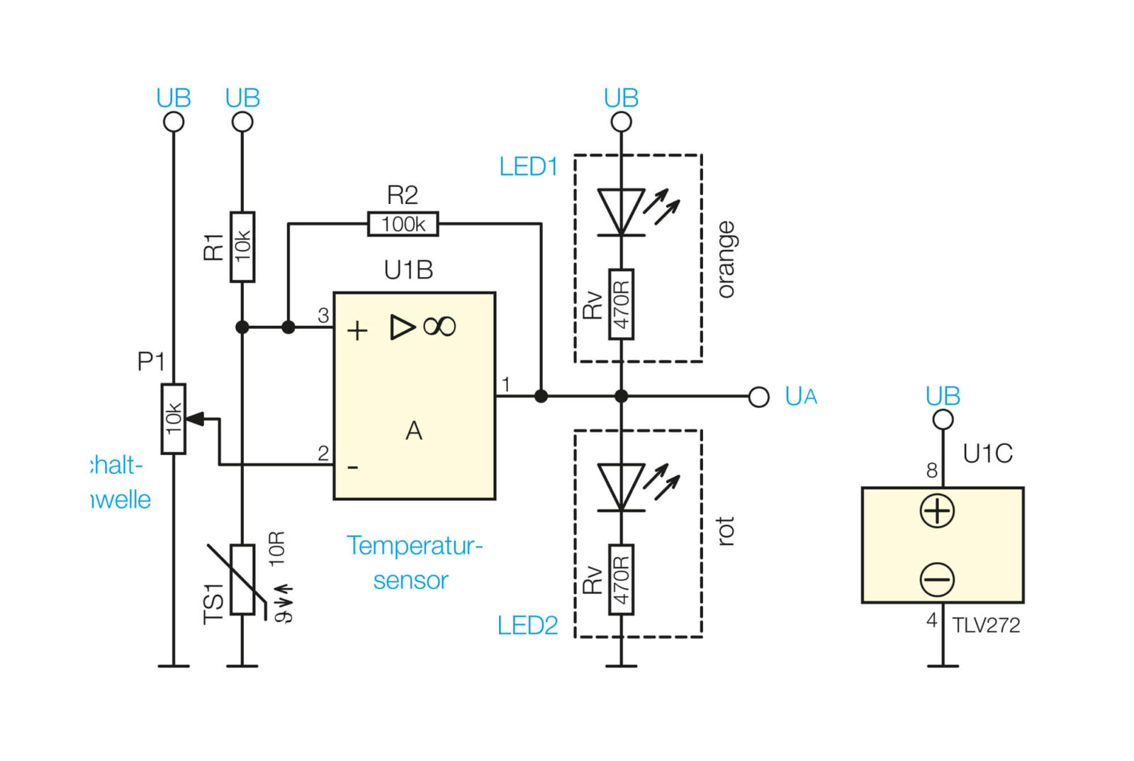
Beispielschaltung: Temperaturschalter
Mit einem Komparator lässt sich auf sehr einfache Weise ein Temperaturschalter realisieren, wie man an der Beispielschaltung in Bild 10 erkennt. Der Temperatursensor (Bild 11) besteht aus einem temperaturabhängigen Widerstand (Thermistor), der eine NTC-Charakteristik (Negative Temperature Coefficient) aufweist. Ein NTC, auch Heißleiter genannt, ändert seinen Widerstand in Abhängigkeit zur Temperatur, sodass bei steigender Temperatur der Widerstandswert fällt (siehe Kennlinie in Bild 12).



In unserem Beispiel bildet dieser Temperartursensor (TS1) zusammen mit dem Widerstand R1 einen Spannungsteiler. Der Knotenpunkt ist mit dem nichtinvertierenden Eingang (+) des Komparators verbunden. Mit dem Potentiometer P1 kann die Schaltschwelle eingestellt werden. Wenn die Temperatur steigt, sinkt der Widerstandswert des Sensors und somit auch die Spannung am Eingang (+) des Komparators. Sinkt die Spannung unter die eingestellte Schaltschwelle, wechselt der Ausgang des Komparators von High- auf Low-Potential und die orange LED1 leuchtet.

Der Rückkoppelwiderstand R2 sorgt für eine Hysterese, wodurch sich die zwei Schaltschwellen ergeben. Diese Hysterese sorgt dafür, dass der Temperaturschalter auf zwei unterschiedliche Temperaturen reagiert. In der Kennlinie in Bild 13 erkennt man, dass sich durch den Widerstand R2 (100 k) eine Hysterese von ca. 4 K (Kelvin) ergibt. Dies bedeutet, dass in unserem Beispiel der Komparator High-Potential führt, wenn die Temperatur unterhalb von 20 °C liegt, und der Ausgang wieder auf Low-Potential wechselt, wenn die Temperatur über 24 °C steigt.
Je nach Einstellung von P1 ergeben sich natürlich unterschiedliche Schaltschwellen, wobei die Temperaturdifferenz zwischen dem Ein- und Ausschaltpunkt jedoch relativ konstant bleibt. Die Hysterese wird durch den Widerstandswert von R2 bestimmt. In unserem Fall ist die Hysterese mit 4 K relativ groß gewählt, damit dies in der Beispielschaltung gut erkennbar ist. Möchte man mit solch einer Schaltung z. B. einen Temperaturregler realisieren, der ein Heizelement ansteuert, zeigt sich der Vorteil einer Hysterese. Ohne Hysterese würde der Regler schon bei geringfügiger Temperaturänderung ein- und wieder ausschalten. Mit Hysterese pendelt die Temperatur immer zwischen den beiden Schaltpunkten, und im Mittel würde sich eine Temperatur einstellen, die genau zwischen diesen beiden Werten liegt. Möchte man ein genau umgekehrtes Schaltverhalten erreichen, können R1 und der Temperatursensor einfach gegeneinander getauscht werden. Alternativ könnte man auch das Ausgangssignal des Komparators invertieren. In Bild 14 ist der Aufbau des Temperaturschalters auf einem Steckboard dargestellt.

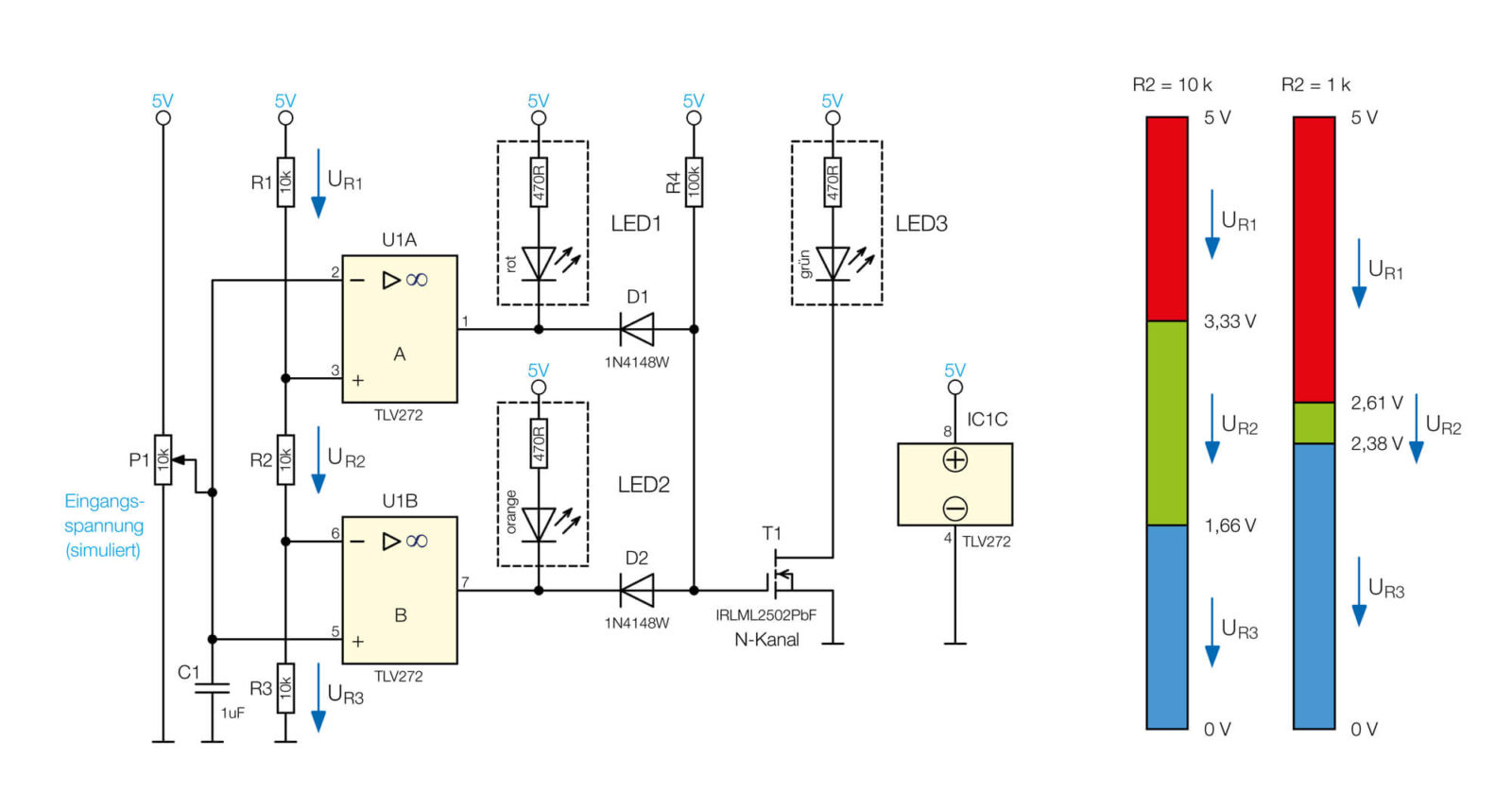
Beispielschaltung: Fensterkomparator
In Bild 15 ist eine weitere Beispielschaltung mit Komparatoren dargestellt. Hier werden zwei Komparatoren kombiniert, um einen bestimmten Spannungsbereich zu überwachen. Der Eingangsspannungsbereich wird dabei in drei Bereiche unterteilt, deren Grenzwerte über Spannungsteiler frei definierbar sind. So kann man überwachen, ob sich die Eingangsspannung in einem bestimmten Spannungsbereich befindet bzw. darüber oder darunter. Anwendungsbereiche sind z. B. Füllstandkontrollen, Batteriespannungsüberwachung und vieles mehr. Solche Schaltungen werden als Fensterkomparatoren oder Fensterdiskriminatoren bezeichnet.

Ein Fensterkomparator besteht aus zwei kombinierten Komparatoren. Für den unteren und den oberen Grenzwert ist jeweils ein Komparator zuständig. Die einzelnen Ausgänge dieser Komparatoren verwenden wir, um ein Unter- oder Überschreiten der jeweiligen Grenzwerte anzuzeigen. Führt man diese Ausgänge auf ein UND-Gatter, kann auch der dritte, mittlere Bereich ausgewertet werden. Die Eingangsspannung wird in unserem Beispiel mit dem Potentiometer P1 simuliert und auf die Eingänge der beiden Komparatoren U1A und U1B gegeben. Der Komparator U1A ist für den oberen Grenzwert zuständig, während es U1B für den unteren Grenzwert ist.
Mit dem Spannungsteiler R1 bis R3 werden die Schaltschwellen der Grenzwerte eingestellt. Entscheidend ist der Spannungsabfall über dem Widerstand R2, denn dieser Widerstand legt den mittleren Spannungsbereich für unser Spannungsfenster fest. Im rechten Teil der Schaltung (Bild 15) ist dargestellt, welche Spannung sich über den Widerstand R2 einstellt, wenn für R2 ein Wert von 1 KΩ oder 10 KΩ verwendet wird. Die Spannungsangaben UR1, UR2 und UR3 korrespondieren mit den Spannungsabfällen an den Widerständen des Spannungsteilers, wenn die Versorgungsspannung 5 V beträgt. Je kleiner der Wert für R2 gewählt wird, desto kleiner ist auch das Spannungsfenster für den mittleren Spannungsbereich. Wichtig ist aber das Widerstandsverhältnis aller drei Widerstände zueinander. Man kann somit durch Wahl der entsprechenden Widerstände die drei Spannungsbereiche beliebig aufteilen.
Der obere Komparator U1A schaltet den Ausgang (Pin 1) auf Low-Potential, wenn die Eingangsspannung im Bereich von 3,3 bis 5 V liegt, was dem Spannungsabfall über R1 entspricht. In diesem Fall leuchtet die LED1 auf. Der untere Komparator schaltet auf Low-Potential, wenn sich die Eingangsspannung im Bereich von 0 bis 1,66 V befindet. Der Spannungsbereich entspricht dem Spannungsabfall über R3. Wenn also die Eingangsspannung unterhalb von 1,66 liegt, leuchtet die LED2 auf.
Wir haben nun einen Detektor, der Spannungen oberhalb und unterhalb von bestimmten Spannungsschwellen erkennt. Was wir jetzt noch benötigen, ist eine Anzeige für den mittleren Spannungsbereich. Da in diesem Spannungsfenster beide Ausgänge der Komparatoren auf High-Potential liegen (LED1 und LED2 sind aus), müssen wir diesen Zustand auswerten. Dies geschieht üblicherweise mit einer logischen UND-Verknüpfung.
Wir haben uns für eine sehr einfache Schaltungsvariante, nämlich einer sogenannten Wired-AND-Schaltung entschieden. Wired-AND bedeutet übersetzt: verdrahtete UND-Verknüpfung. Hier wird ein UND-Gatter mit wenigen konventionellen, passiven Bauteilen realisiert.
In Bild 16 ist diese Schaltungstechnik separat dargestellt. Wie man erkennt, werden nur zwei Dioden und ein Widerstand benötigt. In der Wahrheitstabelle erkennt man, dass der Ausgang A nur dann auf High wechselt, wenn beide Eingänge E1 und E2 gleichzeitig auf High liegen. In diesem Fall sperren beide Dioden und der Widerstand R (Pull-up-Widerstand) zieht den Pegel am Ausgang A auf High-Pegel. Wir finden diesen in Bild 16 dargestellten Schaltungsteil in unserer Beispielschaltung wieder.

Wir nutzen in der praktischen Anwendung zur weiteren Verarbeitung einen MOSFET-Transistor (01), der erst ab einer Spannung von mehr als 1,5 V am Gate durchschaltet, sodass die 0,7 V noch nicht ausreichen, um den Transistor durchzusteuern. Mit einem NPN-Transistor würde diese Schaltungstechnik nicht funktionieren, da mit einer 0,7-V-Durchlassspannung der Dioden an der Basis ein NPN-Transistor bereits durchschaltet. Wenn unser MOSFET-Transistor 01 über den Widerstand R4 Spannung am Gate erhält, schaltet dieser Transistor durch und die LED3 leuchtet, sodass wir nun eine Anzeige für den mittleren Spannungsbereich haben. Durch Austausch des Widerstands R2 (1 k oder 10 k) kann man experimentieren und man erkennt durch Verändern der Eingangsspannung mit P1, wie sich die Spannungsbereiche unterschiedlich aufteilen.
Aufbau der Beispielschaltungen
Für unsere Beispielschaltung gibt es Aufbauvorschläge unter Zuhilfenahme des Experimentiersets PAD-PRO-EXSB. Zum Set, das alle notwendigen Bauteile enthält, wird zusätzlich noch eine Aufbauplattform benötigt. Dies können die Experimentierplattformen EXSB1 und EXSB-Mini sowie ein „normales“ Steckboard sein. Die Kontakte der Steckboards sind in der Regel nummeriert. Spalten, also von links nach rechts mit 1 bis 63, und die Reihen mit den Buchstaben A bis F. Dies kann sich aber je nach Hersteller geringfügig unterscheiden. Anhand der Nummerierung kann man die Position der Bauteile und Brücken in den Bildern abzählen und auf die eigene Schaltung übertragen. Wichtig ist hierbei, dass das Steckboard so platziert werden muss, dass sich Pin 1 auf der linken Seite befindet. Dreht man das Steckboard andersherum, stimmen die Positionen nicht mehr mit den Bildern überein. Die elektrischen Verbindungen werden mit starren und flexiblen Steckbrücken hergestellt, die im Experimentierset enthalten sind.
Versorgungsspannung
Die Spanungsversorgung für diese Schaltungen ist nicht kritisch und sollte ca. 5 V betragen. Eine höhere oder niedrige Spannung ist natürlich auch möglich, jedoch sind die Spannungsangaben im Schaltbild vom Fensterkomparator für 5 V ausgelegt. Im Prinzip kann die Schaltung mit einer Spannung im Bereich 5 bis 12 V versorgt werden. Die beiden Experimentierboards EXSB1 und EXSB-Mini verfügen über eigene Spannungsversorgungseinheiten, auf die wir hier nicht weiter eingehen wollen, da dies in der jeweiligen Bauanleitung beschrieben ist.
Für das universelle Steckboard kann man auf unterschiedliche Spannungsversorgungsmöglichkeiten zurückgreifen, wie man in Bild 17 sieht. Über eine USB-Buchse kann ein normales Steckernetzteil oder ein Ladegerät mit Micro-USB-Stecker als Spannungsquelle genutzt werden. Die Variante mit einer Klemmleiste dient zum Anschluss einer externen Spannungsversorgung wie z. B. einem Netzteil oder einer Batterie.

Hierbei muss unbedingt auf die korrekte Polung geachtet werden. Eine sehr komfortable Lösung bietet auch das ELV Powermodul PM-SB1, das mit zwei Batterien ausgestattet ist und somit autark arbeitet.
Aufbau auf dem EXSB1 und auf einem universellen Steckboard
Für den Aufbau der Beispielschaltung „Fensterkomparator“ gibt es einen Aufbauvorschlag auf einem Steckboard wie in Bild 18 dargestellt. Der dazu passende Verdrahtungsplan ist in Bild 19 zu sehen.


Beim EXSB1 kann der in Bild 20 gezeigte Verdrahtungsplan genutzt werden, nur mit dem Unterschied, dass das Potentiometer P1 durch das integrierte Potentiometer mit dem Wert 10 kΩ ersetzt wird.


Aufbau auf dem EXSB-Mini
Beim Einsatz des EXSB-Mini kann wie auch beim EXSB1 das auf dem Board befindlichen Poti (10 k) verwendet werden. In Bild 21 ist die fertig aufgebaute Schaltung auf dem EXSB-Mini zu sehen.