PAD-PRO-EXSB Schaltungen erklärt – Teil 8
Entzückend, Baby!
Aufbau einer Kojak-Sirene
In diesem Teil unserer Serie zeigen wir einen Klassiker aus dem Themenbereich der Hobbyschaltungen. Seit Jahrzehnten ist die Sirenenschaltung, auch „Kojak-Sirene“ genannt, eine beliebte Schaltung zum Selberbauen – so auch mit dem PAD-PRO-EXSB Experimentierset!
NE555 als Allroundtalent
Wer kennt sie nicht, die typischen Polizeisirenen aus amerikanischen Actionfilmen. Im Gegensatz zu europäischen Einsatzfahrzeugen haben amerikanische Polizeifahrzeuge seit den 1970er-Jahren einen typisch aufheulenden Signalton.
Ebenso hat sich seit dieser Zeit durch die Ausstrahlung der amerikanischen Fernsehserie „Einsatz in Manhattan“ mit Telly Savalas als Hauptdarsteller Lieutenant Kojak der Begriff „Kojak-Sirene“ etabliert – und genauso lange gibt es Nachbauschaltungen für solche Kojak-Sirenen in allen möglichen unterschiedlichen Techniken.
Wir wollen hier eine solche Schaltung vorstellen, insbesondere um Elektronik mittels einer „Spaß“-Schaltung besser verstehen zu können. Unsere Schaltung wird jedoch nicht mit einer lautstarken Sirene, sondern mit einem kleinen Kopfhörer oder einem Lautsprecher betrieben. Die Frequenz lässt sich dabei so einstellen, dass entweder die genannte Kojak-Sirene oder bei sehr langsamer Frequenz eine klassische Alarmsirene simuliert wird.
Als Plattform zum Aufbau der Schaltung dient das Bauteileset PAD-PRO-EXSB und ein Experimentierboard wie z. B. das ELV EXSB1. Alternativ kann auch ein gewöhnliches Steckboard verwendet werden.
Die Schaltung kann auch mit handelsüblichen Bauteilen auf Lochrasterplatinen nachbaut werden, vorzugsweise sollte man aber Steckboards verwenden, da es sich um Experimentierschaltungen und nicht um praxisorientierte Schaltungen handelt.
Schaltung
Um einen auf- und abschwellenden Ton zu erzeugen, benötigen wir zunächst zwei Oszillatoren (siehe Bild 1). Der erste Oszillator erzeugt eine relativ niedrige Frequenz, mit der der zweite Oszillator wiederum in seiner Frequenz beeinflusst wird. Hierzu lässt sich der zweite Oszillator über eine Gleichspannung in der Frequenz steuern, ist also demnach ein spannungsgesteuerter Oszillator, häufig auch VCO (voltage controlled oscillator) genannt.

Durch Variieren der Steuerspannungsfrequenz kann der gewünschte Sirenen-Effekt eingestellt werden. Eine niederfrequente Steuerspannung bedeutet ein langsames Auf- und Abschwellen der Ausgangsfrequenz, wohingegen eine schnelle Steuerfrequenz einen „Wah-Wah-Wah-Effekt“ erzeugt, der einer „Kojak-Sirene“ ähnelt.
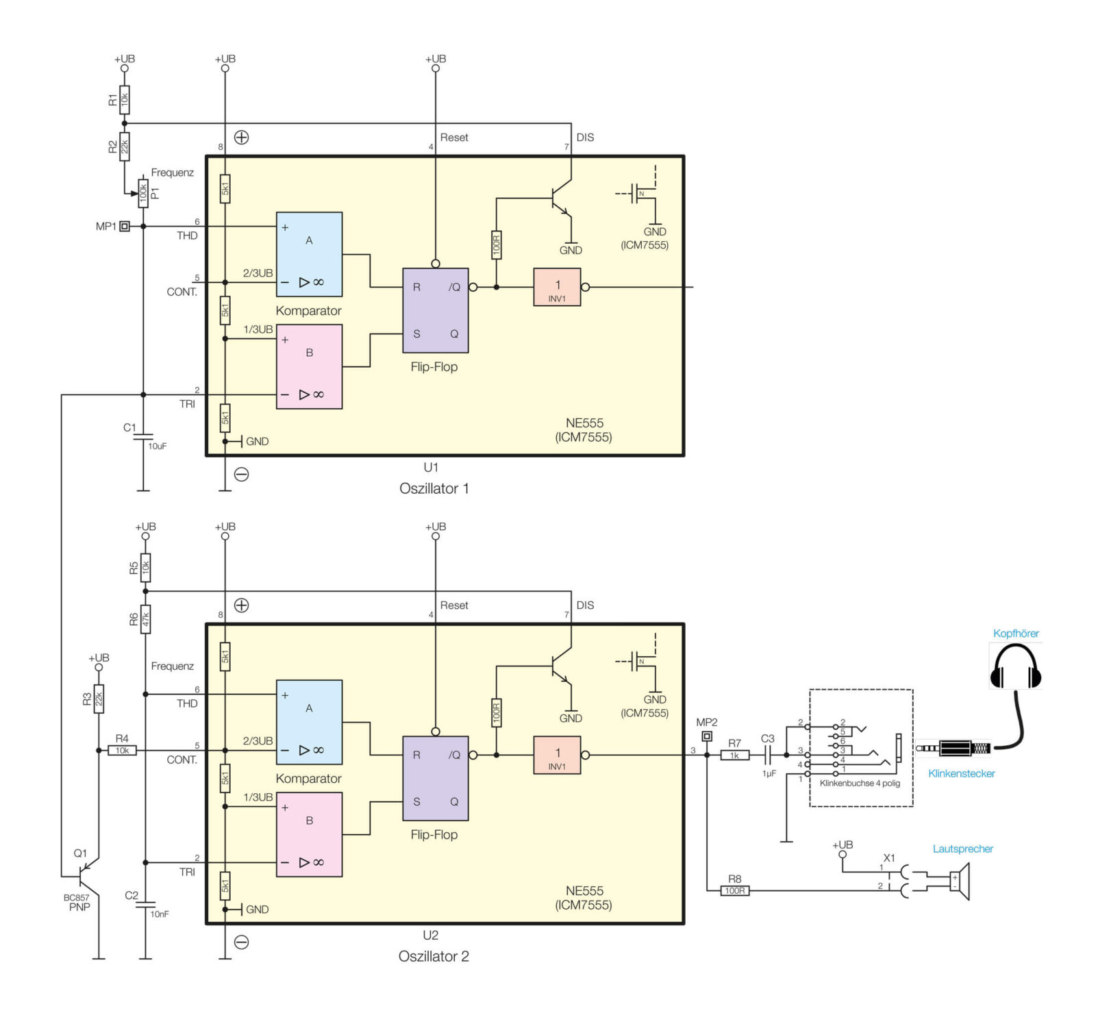
Wir verwenden den Timerbaustein ICM7555 (CMOS-Version des NE555) für die beiden benötigten Oszillatoren. Wie ein Oszillator mit einem ICM7555 aufgebaut und realisiert wird, ist in Teil 3 dieser Serie ausführlich beschrieben, sodass wir hier auf eine detaillierte Beschreibung verzichten. Im Schaltbild (Bild 2) erkennen wir einige Schaltungskomponenten wieder, andere sind hingegen neu hinzugekommen.

Der Oszillator 1 im linken Teil des Schaltbilds ist eine Standardoszillatorschaltung, bei der die Frequenz durch die Bauteile R1, R2, P1 und C1 bestimmt wird. Dieser Oszillator erzeugt eine relativ niederfrequente Steuerspannung, die wir zur Modulation des zweiten Oszillators nutzen. Mit dem Trimmer P1 kann die Frequenz verändert werden. Wie man erkennen kann, greifen wir das Ausgangssignal nicht an Pin 3 ab, sondern am Kondensator C1.
Im Gegensatz zum „normalen“ Ausgang, der eine Rechteckspannung ausgibt, liegt am Kondensator C1 eine sägezahnförmige Spannung an. Eine echte Dreieckspannung ist es damit natürlich nicht, es zeigen sich die Auf- und Entladespannungen in Form einer E-Funktion. Im Schaltbild sind zwei Messpunkte aufgeführt, deren Oszillogramme in Bild 3 zu sehen sind. MP1 stellt die Spannung am Kondensator C1 dar.

Diese Spannung wollen wir zur Modulation des zweiten Oszillators nutzen. Um die Spannung an C1 nicht zu beeinflussen bzw. zu belasten, schalten wir einen Transistor (Q1) nach. Diese Transistorstufe ist als Spannungsfolger beschaltet. Das Ausgangssignal wird am Emitterwiderstand (R3) abgegriffen. Es findet keine Spannungsverstärkung, sondern eine Stromverstärkung statt. Durch diese Maßnahme wird die Eingangsseite nur minimal belastet, weshalb wir hier auch von einem Impedanzwandler sprechen.
Über den Widerstand R4 gelangt diese Spannung auf Pin 5 des zweiten Oszillators U2, der prinzipiell wie Oszillator 1 aufgebaut ist. Hier gibt es jedoch eine Besonderheit: Mit der Spannung an Pin 5 (CONT.) kann die Frequenz über eine zugeführte Spannung verändert werden. Wir sprechen von einem spannungsgesteuerten Oszillator, kurz VCO genannt. Wie man im Blockschaltbild des ICM7555 erkennt, führt Pin 5 auf den internen Spannungsteiler. Durch eine externe Spannung an Pin 5 werden die Schaltschwellen für die beiden internen Komparatoren verändert, was auch eine Frequenzänderung bewirkt. Dieser Oszillator schwingt, je nach Spannung an Pin 5 von U2, auf einer hörbaren Frequenz im Bereich von 1 bis 2 kHz. Zusammenfassend halten wir also fest: Mit dem Ausgangssignal von Oszillator 1 wird die Frequenz von Oszillator 2 verändert (moduliert).
Wie man im Schaltbild (Bild 2) zudem erkennt, gibt es zwei alternative Möglichkeiten, die erzeugte Ausgangsfrequenz hörbar zu machen. Im Set vom PAD-PRO-EXSB sind ein kleiner Kopfhörer und eine Klinkenbuchse vorhanden. Die Lautstärke für den Kopfhörer wird mit dem Widerstand R7 reduziert und der Kondensator C3 entkoppelt die Gleichspannungsanteile. Alternativ kann aber auch ein Lautsprecher mit möglichst hoher Impedanz (40 min) anschlossen werden.
Da der ICM7555 am Ausgang strommäßig nicht stark belastet werden darf, wird ein Widerstand von 100 Ω (R8) zwischengeschaltet. Die Lautstärke bleibt trotzdem ausreichend und kann durch Erhöhung der Betriebsspannung (auf max. 12 V) erhöht werden.
Aufbau der Beispielschaltung
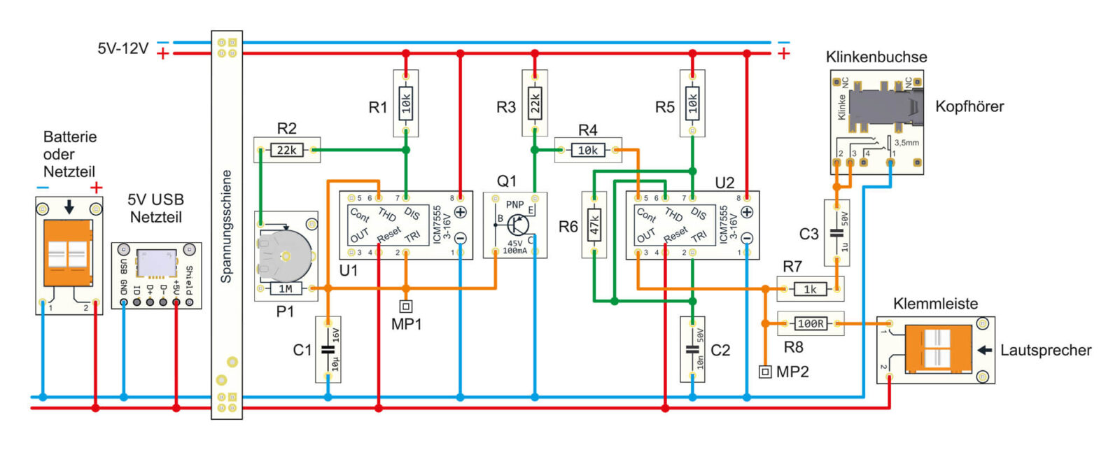
Für unsere Beispielschaltung gibt es Aufbauvorschläge unter Zuhilfenahme des Experimentiersets PAD-PRO-EXSB. Zum Set, das alle notwendigen Bauteile enthält, wird zusätzlich eine Aufbauplattform benötigt, z. B. die Experimentierplattform EXSB1 oder ein „normales“ Steckboard.
Die Kontakte der Steckboards sind in der Regel nummeriert. Spalten sind von links nach rechts mit 1 bis 63 nummeriert, Reihen hingegen mit den Buchstaben A bis F. Dieses kann sich jedoch herstellerabhängig geringfügig unterscheiden. Anhand der Nummerierung kann man die Position der Bauteile und Brücken in den Bildern abzählen und auf die eigene Schaltung übertragen. Wichtig ist hierbei, dass das Steckboard so platziert werden muss, dass sich Pin 1 auf der rechten Seite befindet. Dreht man das Steckboard andersherum, so stimmen die Positionen nicht mehr mit den Bildern überein.
Die elektrischen Verbindungen werden mit starren und flexiblen Steckbrücken hergestellt, die im Experimentierset enthalten sind.
Versorgungsspannung
Die Spannungsversorgung für diese Schaltungen ist recht unkritisch und sollte im Bereich von 5 bis 12 V liegen. Für das universelle Steckboard kann man auf unterschiedliche Spannungsversorgungsmöglichkeiten zurückgreifen (siehe Bild 5). So kann über eine USB-Buchse ein normales Steckernetzteil oder ein Ladegerät mit Micro-USB-Stecker als Spannungsquelle genutzt werden.

Die Variante mit einer Klemmleiste dient zum Anschluss einer externen Spannungsversorgung wie z. B. einem Netzteil oder einer Batterie. Hierbei muss unbedingt auf die korrekte Polung geachtet werden. Eine sehr komfortable Lösung bietet auch das ELV Powermodul PM-SB1, das mit zwei Batterien ausgestattet ist und somit autark arbeitet.
Aufbau auf dem EXSB1 und einem universellen Steckboard
Für den Aufbau der Beispielschaltung „Sirenenschaltung“ gibt es einen Aufbauvorschlag (siehe Bild 7) auf einem klassischen Steckboard. Der dazu passende Verdrahtungsplan ist in Bild 4 zu finden.

Bei Verwendung des EXSB1 kann der in Bild 6 gezeigte Verdrahtungsplan verwendet werden. Hierbei stehen zwei Optionen für das Ausgangssignal zur Verfügung. Wie bereits im Abschnitt „Schaltung“ beschrieben, gibt es für jede Variante (Lautsprecher oder Kopfhörer) eine andere, leicht abweichende ausgangsseitige Beschaltung.



Tipp
Wer die hier vorgestellte Experimentierschaltung gerne bereits als fertig aufgebaute, kleine Platine nutzen möchte, dem legen wir den Bausatz NE555-AWS nahe. Die Anwendungsschaltung präsentiert sich äußerst kompakt und ist vollständig in SMD-Technik aufbaut (siehe Bild 8).
Ähnlich wie unsere Experimentierschaltung kann diese Platine in unterschiedlichen Betriebsmodi verwendet werden. Die Konfiguration wird in diesem Fall über Lötbrücken eingestellt. So kann diese Schaltung einerseits als Oszillator, Monoflop, PWM-Timer oder eben auch als Sirenenschaltung betrieben werden.