PAD-PRO-EXSB Schaltungen erklärt – Teil 2
Audioverstärker mit MEMS-Mikrofon
Nachdem wir das PAD-PRO-Experimentierset vorgestellt haben, beginnt nun eine Serie mit Anwendungsschaltungen. Hierzu gehören auch detaillierte Beschreibungen der einzelnen Komponenten und deren Funktionsweise. In diesem Beitrag stellen wir einen Audioverstärker mit einem modernen MEMS-Mikrofon vor. Über einen Ohrhörer kann das verstärkte Signal des Mikrofons „abgehört“ werden. Wir lernen, wie man ein MEMS-Mikrofon beschaltet und mit Operationsverstärkern einen zweistufigen Verstärker aufbaut.
Audioverstärker-Beispielschaltung
Für das PAD-PRO-Experimentierset können – wie bei allen Prototypenadaptern für Breadboards – unterschiedliche Experimentierplattformen als Basis verwendet werden. Dies sind z. B. das ELV Experimentier-/Steckboard EXSB1 und das EXSB-Mini sowie ein oder mehrere Steckboards mit 830 Kontakten.
Durch die Verwendung von Bauteilen im Prototypenadapter-(PAD)-Format werden die Schaltungen übersichtlich und sind leicht nachzubauen. Alle Prototypenadapter sind in Breadboards steckbar und zudem mit den wichtigsten Informationen auf der Platine beschriftet.
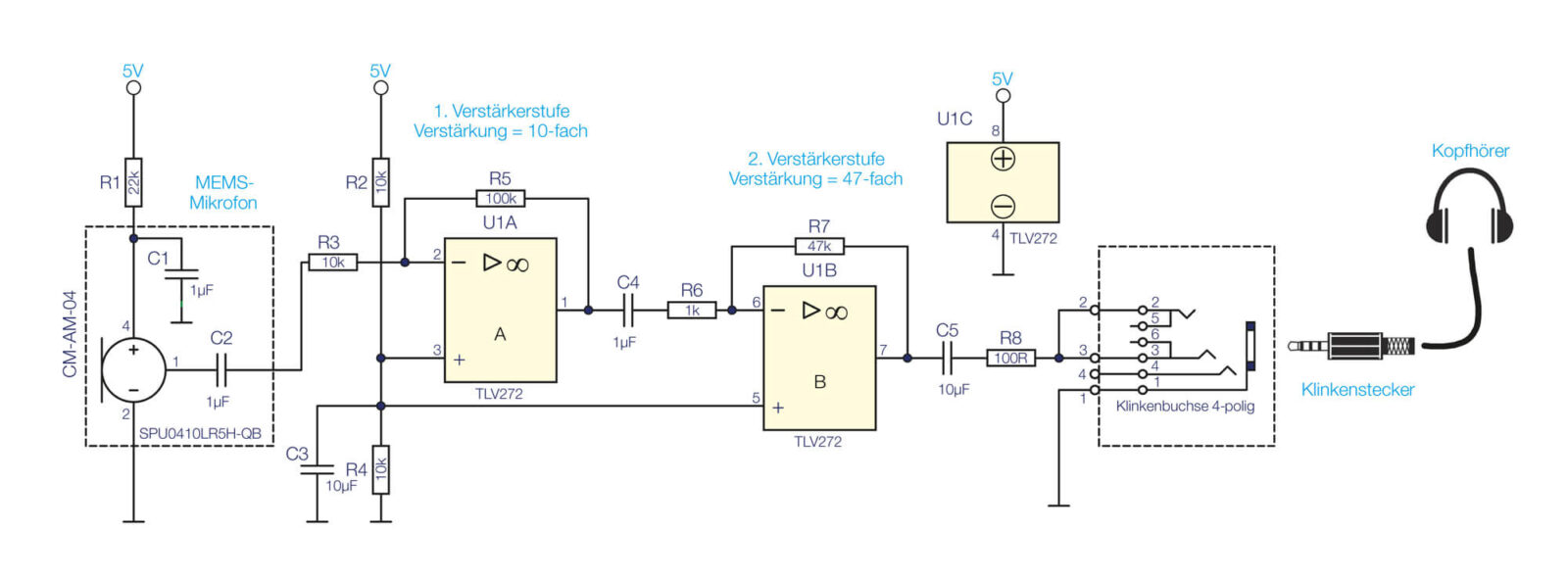
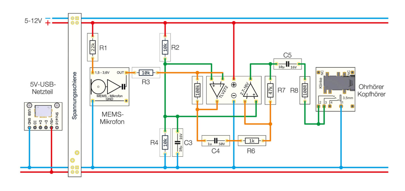
Wir beginnen mit der Erklärung der einzelnen Schaltungskomponenten, gefolgt vom Aufbau der Schaltung. In Bild 1 ist zur Übersicht das gesamte Schaltbild unseres Audioverstärkers dargestellt.

Komponenten der Schaltung
Das Mikrofon
Das MEMS-Mikrofon (Bild 2) wurde bereits im vorhergehenden ELVjournal im Detail beschrieben. Beim Einsatz dieses Mikrofons ist zu beachten, dass die Betriebsspannungsgrenzen eingehalten werden. Die maximale Betriebsspannung beträgt 3,6 V und darf nicht überschritten werden. Da wir unsere Schaltung mit einer Spannung von 5 V betreiben wollen, ist ein Widerstand (R1) in die Zuleitung zur Spannungsversorgung eingefügt, der die Spannung auf ca. 3,2 V herabsetzt.
Da wir in unserem Audioverstärker invertierende Verstärkerstufen nutzen, beschränken wir uns auf die Beschreibung dieser Variante.

Signalverstärkung mit einem Operationsverstärker
Der Pegel des vom Mikrofon weitergeleiteten Audiosignals ist zu niedrig für eine direkte Ausgabe und muss deshalb verstärkt werden. Wir nutzen hierfür einen zweistufigen Operationsverstärker. Zuerst wollen wir uns mit den Grundlagen eines Operationsverstärkers befassen. Natürlich können wir nicht das gesamte Spektrum der verschiedenen Arten von Operationsverstärkern beleuchten und beschränken uns daher auf die wesentlichen Elemente, die für das Verständnis notwendig sind. Betrachten wir zunächst das Schaltsymbol für einen Operationsverstärker. Die Schaltsymbole in Bild 3 sind nach unterschiedlichen Normen abgebildet – wir verwenden in unseren Schaltbildern die linke Darstellung.

Rechts in Bild 3 ist das Schaltsymbol nach der alten DIN-Norm 40900 (Teil 10) dargestellt, das auch international noch Verwendung findet. Nach der neueren Norm EN 60617 sollte das linke Symbol verwendet werden. Dieses Symbol wird vorwiegend in Deutschland und anderen Teilen Europas eingesetzt. Auch Lernmaterial für Schulen und Ausbildung verwenden diese neuen Symbole.
Möchte man einen Operationsverstärker als Signalverstärker nutzen, kann man zwischen zwei unterschiedlichen Grundschaltungen wählen. Es gibt den invertierenden Verstärker, der das Ausgangssignal um 180° dreht, während der nicht invertierende Verstärker keine Invertierung vornimmt.
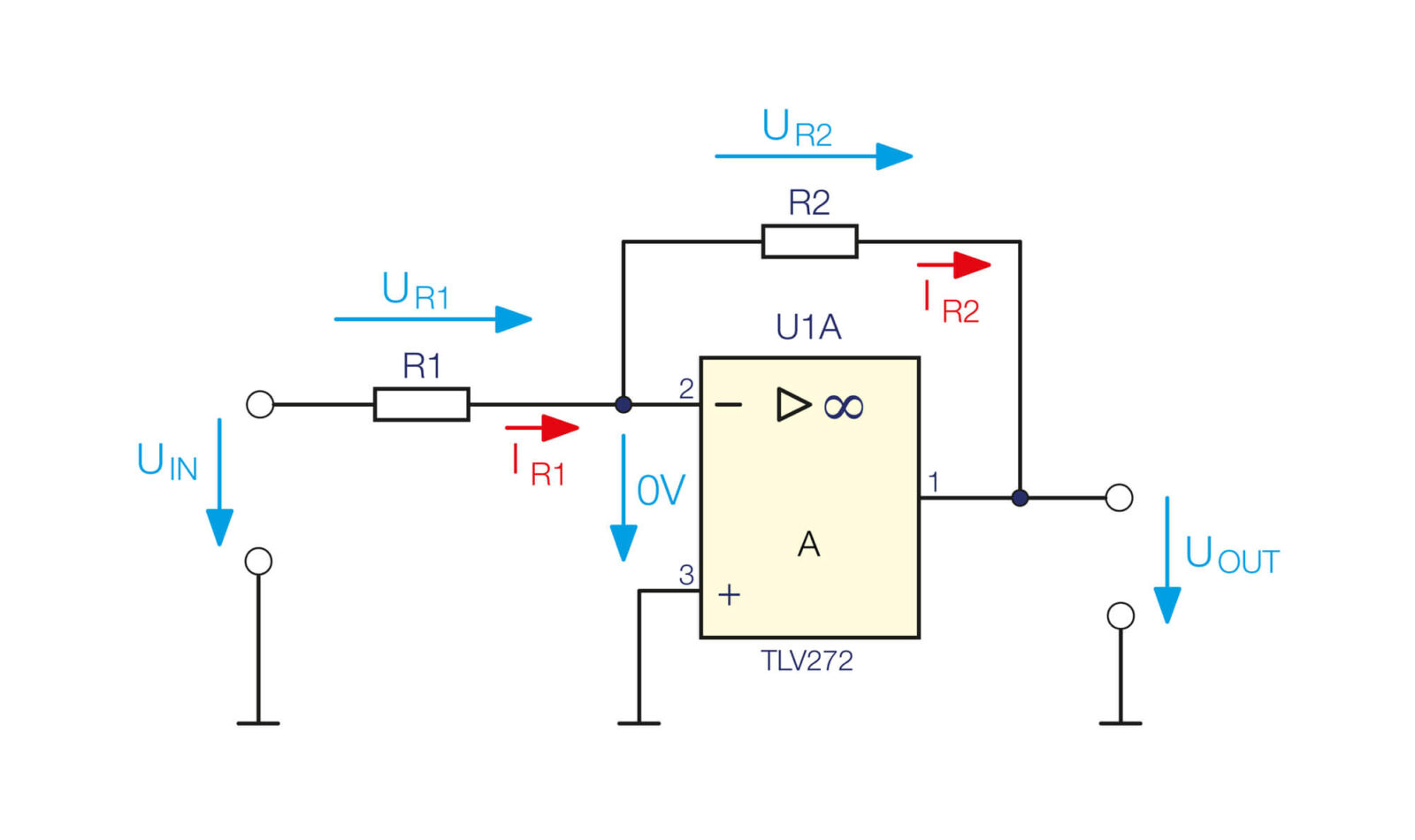
In Bild 4 ist die Grundschaltung eines invertierenden Operationsverstärkers dargestellt, die wir uns etwas genauer anschauen wollen. Ein Operationsverstärker (OP) hat zwei Eingänge, einen invertierenden (-) und einen nicht invertierenden (+) Eingang. Die Differenzspannung zwischen diesen beiden Eingängen wird verstärkt und liegt am Ausgang an. Allerdings ist die Leerlaufverstärkung so hoch, dass schon kleinste Eingangsspannungen den Verstärker übersteuern würden. Deshalb wird fast immer (Ausnahme: Operationsverstärker als Komparator) eine sogenannte Gegenkopplung verwendet, mit der sich der Verstärkungsfaktor einstellen lässt.

Wenn man folgende Annahmen berücksichtigt, lässt sich die Funktion eines Operationsverstärkers einfach erklären:
- Die Eingänge sind sehr hochohmig, und es kann somit kein Strom in den Operationsverstärker fließen.
- Die Leerlaufverstärkung ist sehr hoch (Verhältnis Eingangs- zu Ausgangsspannung > 300000)
- Der OP ist (bei entsprechender Rückkopplung) bestrebt, die Spannungsdifferenz an den Eingängen auf 0 V zu halten.
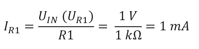
Schauen wir uns Bild 4 mit den Beispielwerten für R1 (1 kΩ) und R2 (10 kΩ) an. Nehmen wir an, dass die Eingangsspannung UIN 1 V beträgt und die Spannung am nicht invertierenden Eingang (-) gegenüber Masse 0 V, da ja kein Strom in den OP-Eingang fließen kann. Es muss also Strom durch den Widerstand R1 fließen, und zwar nach dieser Formel:

Jetzt kommt der entscheidende Punkt: Wenn kein Strom in den Operationsverstärker fließen kann, wohin fließt der Strom? Antwort: Der Strom fließt über den Rückkoppelwiderstand R2 zum Ausgang des Operationsverstärkers. Der Strom IR1 ist also identisch mit dem Strom IR2 durch den Widerstand R2. Die Spannung über dem Widerstand R2 errechnet sich wie folgt:

Da der linke Anschluss des Widerstands R2 (Bild 4) ein Potential von 0 V hat, ist somit die Spannung über R2 identisch mit der Ausgangsspannung, allerdings in umgekehrter Polarität, wie man an den Spannungspfeilen erkennen kann. Wir schreiben deshalb ein „Minus“ vor die Ausgangsspannung.

Wir sehen nun, dass eine Spannungsverstärkung durch unsere Schaltung stattgefunden hat, und zwar mit einem Verstärkungsfaktor Vu, der vom Verhältnis von R2 zu R1 bestimmt wird.
Da die Ausgangsspannung eine entgegengesetzte Polarität zur Eingangsspannung hat, reden wir von einem invertierenden Verstärker. Die Ausgangsspannung errechnet sich folgendermaßen:
Ausgangsspannung UOUT = Eingangsspannung x Verstärkungsfaktor

Wir wissen nun, wie die Grundschaltung eines Operationsverstärkers funktioniert. Doch wie sieht nun eine praxisorientierte Schaltung für Wechselspannung aus?
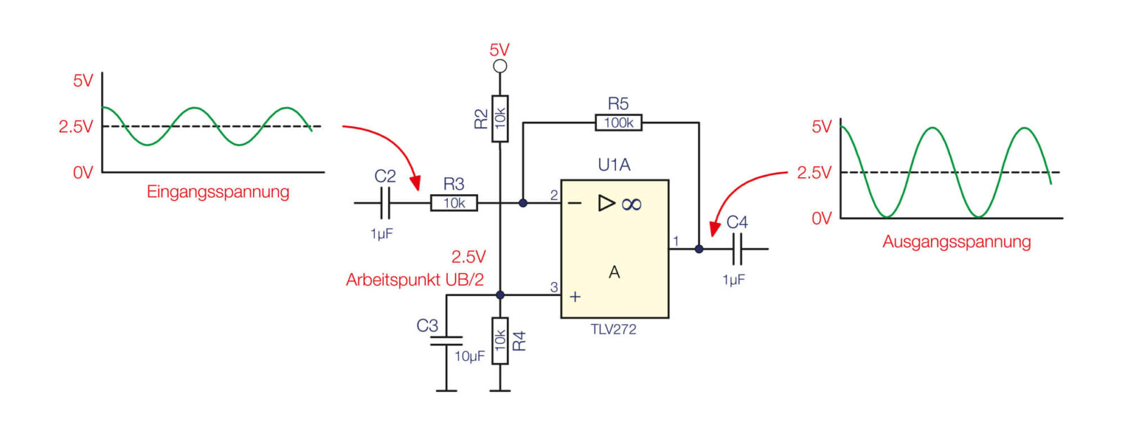
Da das Ausgangssignal des Mikrofons und damit das Eingangssignal am Operationsverstärker eine Wechselspannung darstellt, benötigen wir eine praxisorientierte Schaltung. Bild 5 zeigt einen Ausschnitt aus unserem Audioverstärker. Wir erkennen die vorhin beschriebene Grundschaltung wieder.
In der Grundschaltung bzw. bei allgemeinen Beschreibungen wird immer von einer symmetrischen Spannungsversorgung, also einer positiven und negativen Spannung, ausgegangen. In der Praxis steht häufig jedoch nur eine Spannung zur Verfügung. In unserem Fall soll die Verstärkerschaltung mit 5-V-Betriebsspannung arbeiten.
Dafür brauchen einen sogenannten Arbeitspunkt, auch virtuelle Masse genannt. Dieser wird mit einem Spannungsteiler realisiert. In Bild 5 sind dies die beiden Widerstände R2 und R4, die eine Spannung von 2,5 V, also die Hälfte der Betriebsspannung, generieren. Zur Stabilisierung der Betriebsspannung dient der mit 10 µF relativ „große“ Kondensator C3.

Bei Verstärkung von Wechselspannungen müssen die einzelnen Verstärkerstufen mit Koppelkkondensatoren „getrennt“ werden. Denn es soll nur die Wechselspannung verstärkt und weitergeleitet werden. Die Koppelkondensatoren blocken die Gleichspannung (DC), sodass die Arbeitspunkte der jeweiligen Verstärkerstufen erhalten bleiben. In unserer Schaltung sind dies C2 (interner Kondensator des MEMS-Mikrofons), C4 und C5.
Die erforderliche Größe der Kapazität richtet sich nach der unteren Grenzfrequenz des Eingangssignals, die wir übertragen (verstärken) wollen. Bei einem Audioverstärker würde man als untere Grenzfrequenz ca. 10–20 Hz wählen. Der Koppelkondensator bildet mit dem Eingangswiderstand der folgenden Verstärkerstufe einen Hochpass, der – wie der Name schon sagt – nur die Frequenzen oberhalb einer definierten Frequenz durchlässt und die darunterliegenden weitgehend dämpft. Wie man in Bild 6 erkennt, ist die Kennlinie bei einem einfachen Hochpass relativ abgeflacht. Die Grenzfrequenz ist allgemein bei -3 dB definiert, was einem Pegel von 70 Prozent entspricht.

Die Formel hierfür ist:

R = Eingangswiderstand der Verstärkerstufe
C = Koppelkondensator
Manchmal ist es nicht so ganz einfach, den Eingangswiderstand einer Verstärkerstufe zu ermitteln (zu berechnen). In unserer Schaltung ist es recht einfach, da der invertierende Eingang (Pin 2) vom OP wechselspannungsmäßig mit dem nicht invertierenden Eingang Pin 3 (+) gleichzusetzen ist.
Unsere virtuelle Masse von 2,5 V liegt wechselspannungsmäßig über C3 an Masse. Maßgebend für unseren Hochpass sind deshalb die Werte von C2 und R3. Hieraus ergibt sich eine Grenzfrequenz von:

Der Verstärkungsfaktor unserer ersten Stufe errechnet sich aus dem Verhältnis der Widerstände R3 und R5. Mit den Werten 10 kΩ für R3 und 100 kΩ für R5 ergibt sich ein Verstärkungsfaktor von 10.
Wenn man sich das Gesamtschaltbild in Bild 1 anschaut, erkennt man, dass es zwei identisch aufgebaute Verstärkerstufen gibt. Bei der zweiten Verstärkerstufe ergibt sich durch die Widerstände R6 und R7 ein Verstärkungsfaktor von 47. Um den Gesamtverstärkungsfaktor beider Stufen zu ermitteln, können die beiden Verstärkungsfaktoren der einzelnen Stufen multipliziert werden:
Vu= 10 × 47 = 470
Da kommt die Frage auf, warum nicht eine Verstärkerstufe verwenden statt zwei hintereinandergeschaltete Stufen? Die Antwort hat mit dem Frequenzgang (Bandbreite) des Operationsverstärkers zu tun, genauer mit dem Verstärkungs-Bandbreite-Produkt (GBW/Gain Bandwidth Product). Das GBW ist das Produkt aus Verstärkungsfaktor und Grenzfrequenz. Der hier verwendetet Operationsverstärker vom Typ TLV272 hat ein GBW von 3 MHz bei einem Verstärkungsfaktor von 1. Wenn der Verstärker einen Verstärkungsfaktor von 10 haben soll, sinkt die Grenzfrequenz um den Faktor 10, also von 3 MHz auf 300 kHz. In unserem Fall würde ein Verstärkungsfaktor von 470 zu einer Reduzierung der Grenzfrequenz auf 6,4 kHz (3 MHz/470) führen. Das wollen wir natürlich nicht, denn 6,4 kHz liegt ja noch im hörbaren Bereich, den wir nutzen wollen. Aus diesem Grund teilen wir den Verstärker in zwei hintereinandergeschaltete Verstärkerstufen auf. Zudem stehen uns beim TLV272 ja auch zwei Operationsverstärker in einem Gehäuse zur Verfügung.
Die Erklärung der gesamten Verstärkerstufe ist damit abgeschlossen. Bleibt nur noch zu erwähnen, wie wir das Audiosignal hörbar machen. Würde man zur Ausgabe einen Lautsprecher verwenden, käme es wahrscheinlich zu einer akustischen Rückkopplung, die sich durch lautes Pfeifen bemerkbar macht. Diese Rückkopplung würde entstehen, wenn das verstärkte und über den Lautsprecher ausgegebene Signal vom Mikrofon wieder aufgenommen wird.
Sind Mikrofon und Lautsprecher räumlich sehr nahe beieinander, schaukelt sich das gesamte Verstärkersystem auf und es kommt zu diesem markanten Pfeifton. Um diesen Effekt zu vermeiden, verwenden wir zur Ausgabe einen Ohrhörer.
Zudem besitzt unser Operationsverstärker (TLV272) keine Endstufe, um einen Lautsprecher anzusteuern. Dennoch reicht die Leistung aus, um einen Kopfhörer mit einer Impedanz von 32 Ω zu betreiben. Über einen Widerstand (R8) am Ausgang wird die Leistung zudem noch reduziert. Da der Kopfhörer an einer Seite an Masse liegt, benötigen wir noch einen Koppelkondensator (C5), der die Gleichspannungsanteile (2,5 V) zwischen Ausgang U1B der zweiten Verstärkerstufe und dem ohmschen Widerstand des Kopfhörers trennt. Zum Anschluss des Ohrhörers verwenden wir eine 3,5-mm-Klinkenbuchse.
Aufbau auf dem Breadboard
In Bild 7 ist zunächst ein allgemeiner Verdrahtungsplan, unabhängig von einer Plattform, zu sehen. Unsere Audioverstärkerschaltung kann in unterschiedlichen Aufbauvarianten realisiert werden. Dies sind die beiden Experimentierplattformen EXSB1 und EXSB-Mini sowie ein „normales“ Steckboard. Jede dieser Varianten ist bildlich dargestellt (Bild 8 bis Bild 10). Diese Fotos eignen sich auch als Vorlage für die Verdrahtung.

Die Kontakte der Steckboards sind in der Regel nummeriert. Spalten, also von links nach rechts mit den Zahlen 1 bis 63, und Reihen mit den Buchstaben A bis F. Dies kann sich aber je nach Hersteller geringfügig unterscheiden. So kann man die Position der Bauteile und Brücken in den Bildern 6 bis 8 abzählen und auf die eigene Schaltung übertragen. Es kommen sowohl Steckbrücken als auch Steckkabel zum Einsatz, wobei die letzte Variante (Steckboard) ganz ohne Steckkabel auskommt.
Beim EXSB-Mini ist zu beachten, dass sich unterhalb des Mikrofons Steckbrücken befinden. In Bild 9 ist dieser Bereich zusätzlich ohne bestücktes Mikrofon abgebildet. Als Ausgabeeinheit kommt der beiliegende Ohrhörer zum Einsatz. Dieser wird über das Klinkenbuchsen-Modul angeschlossen. Es kann auch ein anderer Kopfhörer verwendet werden, falls dieser über einen 3,5-mm-Klinkenstecker verfügt. Wie man zudem in Bild 8 erkennt, wird das Klinkenbuchsen-Modul hier nicht benötigt, da dieses Board über eine interne Klinkenbuchse verfügt. Diese wird über Steckkabel mit der Schaltung verbunden.


Spannungsversorgung
Die Spannungsversorgung für diese Schaltung beträgt 5 V, wobei aber auch eine Spannung von 4,5 V noch ausreichend ist. So kann man die Schaltung auch mit drei Batterien (3x 1,5 V) betreiben. Die beiden Experimentierboards EXSB1 und EXSB-Mini verfügen über eigene Spannungsversorgungseinheiten, auf die wir hier nicht weiter eingehen wollen, da dies in der jeweiligen Bauanleitung beschrieben ist.
Beim Aufbau auf einem Steckboard kann der Prototypenadapter mit der USB-Buchse (Bild 10) zur Spannungsversorgung genutzt werden. Hier dient ein normales Handy-Ladegerät mit Micro-USB-Stecker als Spannungsquelle. Alternativ kann das ELV-Powermodul PM-SB1 eingesetzt werden, das speziell für solche Anwendungsfälle ausgelegt ist. Von Vorteil ist hier, dass man mobil ist und trotz Batterieversorgung immer eine konstante Spannung zur Verfügung steht. Bild 11 zeigt das Powermodul im Einsatz auf einem Steckbord.


Stückliste
| Menge | Bezeichnung | Modul |
| 1 | TLV272 Operationsverstärker | CM-IC-TLV272-B |
| 1 | MEMS-Mikrofon | CM-AM-04 |
| 1 | Widerstand 100 Ω | CM-RF-101 |
| 1 | Widerstand 1 kΩ | CM-RF-102 |
| 3 | Widerstand 10 kΩ | CM-RF-103 |
| 1 | Widerstand 22 kΩ | CM-RF-223 |
| 1 | Widerstand 47 kΩ | CM-RF-473 |
| 1 | Widerstand 100 kΩ | CM-RF-104 |
| 1 | Kondensator 1 µF | CM-CF-105 |
| 2 | Kondensator 10 µF | CM-CF-106 |
| 1 | Spannungsschiene | CM-BB-01 |
| 1 | Klinkenbuchse 3,5 mm | CM-FC-PJ35-B |
| 1 | Micro-USB-Buchse | CM-FC-USB1 |
| Steckbrücken/Steckkabel |