Innovative Bauteile kurz beleuchtet (Teil 1)
Die „Ideale Diode“
Das Entwicklerteam von ELV und eQ-3 mit ca. 90 Entwicklern konstruiert jährlich bis zu 120 neue Produkte inklusive Weiterentwicklungen und Produktanpassungen. Internationale Bauteilehersteller informieren uns laufend über aktuelle Bauteile und innovative Sensoren. An diesem Wissen möchten wir Sie gerne teilhaben lassen. Daher stellen wir Ihnen spannende elektronische Bauteile mit umfassendem Hintergrundwissen, Datenblättern und Anwendungsbeispielen vor. Wir beginnen die Serie mit der „Idealen Diode“.
Die „Ideale Diode“ – Stromventil mit minimaler Schwellenspannung
Allgemein gesprochen sind Ventile Vorrichtungen, die nur in einer Richtung von einem Medium durchströmt werden können, aber nicht in der Gegenrichtung. Im Bereich der Haustechnik gibt es zahlreiche mechanische Beispiele in Gestalt von Rückschlagventilen oder -klappen. Stets ist es ihre Aufgabe, den Durchfluss eines Mediums (Wasser, Luft, Heizöl …) nur in einer zulässigen Strömungsrichtung zu erlauben und in der Gegenrichtung zu unterbinden. So ist es ratsam, in den Abwasserabfluss von Gebäuden ein Rückschlagventil einzubauen, um rückströmendes Wasser aus überfluteten Kanalisationssystemen (z. B. bei Starkregen) in unter der Rückstauebene liegende Duschen, Toiletten, Waschbecken usw. zu vermeiden. Solche Einrichtungen verhindern auch das Eindringen von Ratten oder Fröschen über die Kanalisation in das Gebäude.
Ein weiteres Beispiel ist das Ventil in Auto- oder Fahrradreifen, dessen Funktionsprinzip Bild 1 zeigt. Die Wirkungsweise ist schnell erklärt: Eine durch eine Feder auf die Ventilöffnung gedrückte Verschlusskugel sperrt den Abfluss von Luft aus dem Reifeninneren, solange der dort herrschende Luftdruck pinnen größer als der Druck der umgebenden Luft paußen (üblicherweise der Atmosphärendruck) ist (Bild 1 rechts). Wird von außen Luft mit einem Druck eingebracht, der größer ist als der Innendruck, wird die Kugel aus ihrer Verschlusslage gedrückt und die Luft strömt an ihr vorbei ein, bis ein Druckausgleich erfolgt (Bild 1 links). Die Kraft, die erforderlich ist, um das Öffnen des Ventils zu bewirken, entspricht der Schwellen-, Durchlass- oder Schleusenspannung einer nachfolgend besprochenen elektrischen Diode, bis diese in den leitenden Zustand übergeht.

Die reale Diode
Überträgt man die Eigenschaften des eingangs beschriebenen Einwegventils auf das Medium „Ladungsträger“, hat man es mit einer Diode zu tun. Eine Diode ist demnach eine Halbleiterkomponente, die elektrischen Strom in Gestalt von Ladungsträgern (Elektronen) nur in Durchlassrichtung passieren lässt und in Sperrrichtung den Stromfluss verhindert. Damit erfüllt die Diode die Funktion eines elektrischen Ventils.
Die Entdeckung eines solchen Verhaltens geht auf Ferdinand Braun zurück (deutscher Physiker, 1850-1918), der es 1874 bei Experimenten mit Punktkontakten zwischen einer Metallspitze und der metallischen Schwefelverbindung Bleisulfid (Galenit) vorfand.
Um die Jahrhundertwende erkannten Braun und andere die Möglichkeit des Einsatzes sogenannter „Kristalldetektoren“ als Gleichrichter für die drahtlose Telegrafie. Sie bestanden aus einem natürlichen Kristall, auf den eine Metallspitze aufgesetzt wurde (Bild 2). Für eine ausgeprägte Gleichrichterwirkung musste eine günstige Kontaktstelle auf der Kristalloberfläche gesucht werden, die bereits bei leichten Erschütterungen wieder verloren ging.
Der Physiker und Gründer des Halbleiterherstellers Intermetall Herbert Mataré, der sich um 1943 mit der Erforschung der Eignung von Kristalldetektoren in Zentimeterwellenempfängern (z. B. für Radaranwendungen) beschäftigte, fasste zusammen: „Kleinste mechanische Einflüsse, Temperaturschwankungen und plötzliche Stromstöße verursachen erhebliche Änderungen der Kennlinie, oft auch gänzliche Umkehr des Gleichrichtungssinnes.“ Dennoch erlebten in der Anfangszeit der drahtlosen Telegrafie (ab 1900) und des Radios (ab 1920) Kristalldetektoren mangels Alternativen eine Blütezeit, bis sie in den 1920er-Jahren allmählich durch die Elektronenröhre verdrängt wurden (Bild 2).

Reale Dioden auf der Grundlage des pn-Übergangs in entsprechend dotierten Halbleitern sind erschütterungsfest und nur in geringem Maß temperaturabhängig. Sie leiten bei einer zwischen den Anschlüssen Anode und Kathode anliegenden positiven Spannung und sperren bei einer zwischen Kathode und Anode anliegenden positiven Spannung.
Die prinzipielle Kennlinie einer Siliziumdiode zeigt Bild 3. In dem xy-Koordinatensystem spannen die Achsen UF, IF den Quadranten I mit dem Durchlassbereich der Diodenkennlinie auf. Der Index F steht hierbei für „Forward“ (vorwärts). Die Achsen UR, IR spannen den Quadranten III auf, der sich in einen Sperrbereich und daran anschließenden Durchbruchbereich aufteilt. Der Index R steht für „Reverse“ (rückwärts, entgegengesetzt). Man beachte die deutlich unterschiedliche Skalierung der Quadrantenachsen!

Die Kennlinie im Durchlassbereich weist bis zu einem Knick (bei Siliziumdioden typ. 0,7 V) nur einen minimalen Stromanstieg auf, ist also hochohmig. Steigt die anliegende Spannung UF darüber hinaus an, wird die Diode leitend bzw. niederohmig, d. h., die Kennlinie geht steil nach oben. Die Spannung, bei der die Diodenleitung beginnt, nennt man Flussspannung (oder Durchlassspannung, Schleusenspannung, Kniespannung, Schwellenspannung). Sie bezeichnet den Spannungswert, bei dem der Durchlassstrom 10 % seines zulässigen Maximums erreicht. Sie beträgt bei Siliziud Dioden ca. 0,7 V, bei Germaniumdioden ca. 0,3 V, bei Gallium-Arsenid-Dioden ca. 1,3 V. Weil die Anzahl der Ladungsträger in einem Halbleiter mit zunehmender Temperatur steigt, ist damit auch eine Zunahme der Leitfähigkeit verbunden. Das äußert sich in einer Verschiebung der gesamten Kennlinie im Quadranten I nach links, d. h. zu niedrigeren Spannungen. Als Näherungswert kann für Siliziumdioden -2 mV/K angenommen werden.
Im Sperrbereich ist die Diode zunächst so hochohmig, dass der Sperrstrom im pA-Bereich liegt. Bei Annäherung an einen bestimmten Spannungswert (Durchbruchspannung) beginnt der Sperrwiderstand schnell niederohmig zu werden. Wird in diesem Durchbruchbereich der Durchbruchstrom nicht begrenzt, führt er meist zur Zerstörung der Diode. Auch der Sperrstrom weist ein temperaturabhängiges Verhalten auf. Er verdoppelt sich bei einem Temperaturanstieg um 10 K. Bei einer Temperaturerhöhung um 100 K steigt er demnach auf den tausendfachen Wert.
Bild 4 zeigt ein Gleichstromersatzschaltbild für eine reale Diode, das den Diffusionsstrom, den Durchbruchstrom, die Sperrschichtkapazität und den Bahnwiderstand berücksichtigt. Der Genauigkeit halber sei erwähnt, dass eine Diode im Durchlassbereich gar keinen Knickpunkt besitzt. Vielmehr wird dieser durch die lineare Darstellung der durch eine Exponentialfunktion gegebenen Diodenkennlinie nur vorgetäuscht. Seine Lage hängt ganz allein von den gewählten Maßstäben ab.

Gerade im Bereich kleiner Spannungen UF sind aus der Darstellung nach Bild 3 die zugehörigen Ströme nicht vernünftig abzulesen. Deshalb findet man in den meisten Datenblättern von Dioden die Durchlasskennlinien im Bereich des scheinbaren Knickpunkts in halblogarithmischer Form dargestellt. Am Beispiel eines Datenblatts der Dioden 1N4001… 1N4007 des Herstellers Diotec zeigt dies Bild 5 für eine Sperrschichttemperatur von Tj = 25 °C (Tjunction). Da diese bei Strömen >1 A nur mit massiver Kühlung einzuhalten ist, sollte man als maximalen Durchlassstrom 1 A nicht überschreiten.

Die „Ideale Diode“
Aus dem bisher Gesagten und allgemeinen Überlegungen lässt sich leicht ableiten, welche Eigenschaften eine wirklich ideale Diode aufweisen müsste. Sie begänne bereits beim Übergang zu positiven Spannungen zwischen Anode und Kathode UAK mit dem Widerstand 0 Ohm zu leiten. Damit wäre UAK >0 auch nicht möglich und die in Durchgangsrichtung fließenden Ströme könnten unbegrenzt hoch sein.
In Sperrrichtung müsste die „Ideale Diode“ einen unendlich hohen Widerstand aufweisen, der bis UAK =-∞ fortbesteht, also keinen Durchbruchswert kennt. All diese Traumeigenschaften sind in Bild 6 zusammengefasst. Man sieht, dass die Spannung UAK lediglich auf der negativen Abszissenachse (x) und der Strom lAK nur auf der positiven Ordinatenachse (y) verläuft.
Die realen Eigenschaften einer Diode (Schwellenspannung, Leitungswiderstand, Sperrwiderstand und Durchbruchspannung) bewirken das Wandern der verformten Diodenkennline in den 1. und 3. Quadranten, wie in Bild 3 gezeigt.

Das Verhalten einer idealen Diode ist in der Realität nicht zu erreichen. Man kann sich ihm aber durch schaltungstechnische Maßnahmen mehr oder weniger annähern. Die Grundidee soll anhand von Bild 7 erläutert werden. Man sieht einen N-Kanal-MOS-FET (enhancement type = Anreicherungstyp, normally OFF), dessen die Anode bildender Source-Anschluss (S) mit dem Eingang (In) eines „Ideale-Diode“-Controllers verbunden ist. Der die Kathode bildende Drain-Anschluss (D) wird an den Ausgang (Out) und das Gate (G) an den Steuerausgang des Controllers angeschlossen. Der Controller hat im Prinzip die Aufgabe eines Komparators.

Ist die Eingangsspannung größer als die Ausgangsspannung, wird der NMOS-FET leitend, andernfalls sperrt er und verhindert dadurch einen Stromfluss von der Kathode (Drain) zur Anode (Source). Ideal-Dioden-Controller-ICs mit externen FETs sind für Nennströme bis 5 A und einer Nennspannung bis 80 V verfügbar. Die im NMOS-FET eingezeichnete Diode ist eine sogenannte Body-Diode, die aus dem strukturellen Aufbau des FETs parasitär infolge des pn-Übergangs zwischen Substrat (Body) und Drain folgt. Wird bei der Herstellung des NMOS-FETs sein Substrat mit dem Sourceanschluss verbunden, liegt die Body-Diode mit ihrer Anode am Source-Anschluss und mit der Kathode am Drain-Anschluss in Stromflussrichtung.
Wir sehen also, dass eine „Ideale Diode“ einen Leistungsschalter mit möglichst kleinem On-Widerstand verwendet, wodurch die in ihm erzeugte Verlustleistung als Produkt aus Spannungsabfall über dem und Strom durch den Schalter minimiert werden kann.
Um diesem Ziel näher zu kommen, könnte man auch eine normale Diode durch eine Schottky-Diode ersetzen. Deren geringere Flussspannung bei einem Strom von 1 A von typ. 0,4 V bei 1 A gegenüber etwa 1 V bei der Siliziumdiode ist schon beachtlich. Eine „Ideale Diode“ reduziert den Spannungsfall bei gleichem Strom jedoch unter 100 mV, was besonders bei kleinen Versorgungsspannungen von Bedeutung ist. Nicht zu vergessen ist die Tatsache, dass Schottky-Dioden für den genannten Strombereich Sperrströme von etwa 1 mA gegenüber weniger als 1 µA bei „Idealen Dioden“ aufweisen, was die Akkulaufzeit fördert.
Kein 1:1-Diodenersatz!
Zu beachten ist, dass „Ideale Dioden“ normale Dioden nicht für die Gleichrichtung einer Wechselspannung oder gar für Hochfrequenzzwecke ersetzen können. In Anwendungen als Brückengleichrichter auf der Sekundärseite eines 50-Hz-Transformators sind konventionelle Dioden nach wie vor besser geeignet.
Als rein äußerlicher Unterschied fällt auf, dass die „Ideale Diode neben den beiden Anschlüssen Anode und Kathode weitere aufweist, über die der Controller mit Strom versorgt und aktiviert werden kann (enable) und der Kondensator für die interne Ladungspumpe zur GateAnsteuerung angeschlossen wird. In den folgenden drei Hauptanwendungen können „Ideale Dioden“ jedoch punkten:
- Als Verpolungsschutz zwischen einer Batterie oder einem Netzteil und einem darüber betriebenen Gerät. Dazu ist die „Ideale Diode“ in die Versorgungsleitung zwischen Batterie und Anwendungsschaltung einzufügen.
- Um in redundanten Stromversorgungen in einer ODER-Anordnung (ORing) mehrere alternative Stromquellen mit der Last zu verbinden und dadurch die Zuverlässigkeit des Betriebs zu steigern.
- Zur Auswahl zwischen einem Geräteakku und dessen Ladegerät, ebenfalls mit einer ODER-Anordnung, wie sie in Handys und anderen mobilen Geräten erforderlich ist.
Bei den genannten Anwendungen lassen sich gleichzeitig Schutzfunktionen gegen überhöhte Spannung an Ein- und Ausgang und Temperatur in die „Ideale Diode“ integrieren. Ein einfaches Schaltungsbeispiel mit zwei MAX40200, die der Hersteller Analog Devices als „Ultra-Tiny-Micropower, 1 A Ideal Diode with Ultra-Low Voltage Drop“ bezeichnet, zeigt Bild 8. Darin wird ein mobiles Gerät mit einem Stromverbrauch von 1 A an einem Akku mit einer Kapazität von 1 Ah bei ca. 3 V über eine „Ideale Diode“ MAX40200 betrieben. Vorteilhaft sind der integrierte MOSFET, die winzigen Abmessungen und ein Preis von je nach Quelle und Stückzahl unter 1 €/Stück, was die Entscheidung gegen Standard- oder Schottky-Dioden erleichtert.

Während eine Schottky-Diode bei 1 A einen Spannungsabfall von 0,36 V aufweist, sind es beim MAX40200 nur 0,09 V! Die Differenz von 0,27 V ergibt eine Einsparung von 0,27 Wh. Somit läuft das Gerät bei einem Maximalstrom von 1 A um eine ganze Viertelstunde länger. Doppelt so groß wäre die Einsparung gegenüber der Verwendung normaler Siliziumdioden!
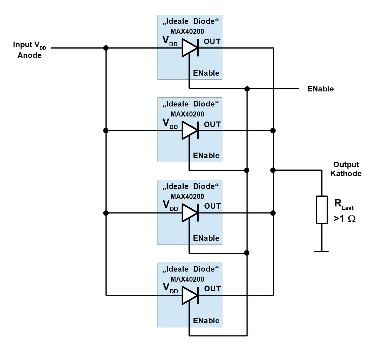
Parallelschaltung von „Idealen Dioden“: Wenn der Maximalstrom von 1 A, den eine einzelne „Ideale Diode“ MAX40200 führen kann, nicht für die vorgesehene Anwendung ausreicht, gibt es eine einfache Methode, diesen Strom zu vervielfachen. Dazu schaltet man einfach mehrere MAX40200 parallel. Bild 9 demonstriert das am Beispiel von vier „Idealen Dioden“. Der Verlauf der Vorwärtsspannungen bei unterschiedlichen Umgebungstemperaturen bleibt dabei im Prinzip unverändert, reicht aber nun bis zum vierfachen Vorwärtsstrom (Bild 10).


Anwendung „Idealer Dioden“ in ELV Produkten
Im ELVjournal 6/2023 wurde der Bausatz ELV Smart Home Sensor Base vorgestellt, mit dem sich zahlreiche Sensoren aus dem ELV-Modulsystem in das ELV Smart-Home-System Homematic IP einbinden lassen (Bild 11).
Die Versorgung der Base ELV-SH-BM-S erfolgt entweder aus einem der Powermodule des ELV-Modulsystems über die Buchsenleiste J2, Pin 15 oder bei Verwendung des USB-Anschlusses aus dem internen Spannungsregler des USB-UART-Converters (U1, Pin 6).

Die Spannung wird dabei über die „Ideale Diode“ LM66100 des Herstellers Texas Instruments U4 (VIN, Pin 1) geleitet, die als Schutzschaltung dient und bei Verwendung eines Powermoduls den Rückfluss zum USB-UART-Converter verhindert. Sollte auf der Ausgangsseite von U4 (VOUT, Pin 6) eine höhere Spannung als auf der Eingangsseite (VIN, Pin 1) anliegen, wird die Verbindung zum USB-UART-Converter gesperrt.
Für das tiefere Verständnis dieses Mechanismus soll auf die Funktionsweise des USB-C-Anschlusses eingegangen werden. Bild 12 zeigt die Belegung seiner Kontakte und verdeutlicht, dass es gleichgültig ist, wie der Stecker bei der Einführung in die Buchse orientiert ist – er trifft stets auf Kontakte mit der gleichen Funktion.

Die alternative Versorgung der Sensor Base ist in Bild 13 nachzuvollziehen. Sie kann entweder über die USB-Buchse erfolgen oder über ein Powermodul. Vorteilhaft gegenüber einer konventionellen Diode ist, wie vorstehend ausführlich beschrieben, die Verwendung einer „Idealen Diode“ aufgrund ihres viel geringeren Spannungsabfalls. Während bei einer Schottky-Diode typischerweise weniger als 0,3 V oder bei einer Siliziumdiode 0,7 V abfallen, wird bei der „Idealen Diode“ der Spannungsabfall nur durch den Kanalwiderstand RDSon des MOSFET bestimmt, er liegt in diesem Fall bei ca. 0,02 V. Dementsprechend geringer ist auch die in der leitenden Diode auftretende Verlustleistung, was bei drahtlosen Anwendungen z. B. nach dem LoRaWAN®-Protokoll wegen der längeren Batterielebensdauer ein großer Vorteil ist.

Fazit
Eine „Ideale Diode“ ist kein universeller Ersatz für herkömmliche Dioden. Wenn es aber darauf ankommt, Ströme in eine Richtung mit geringsten Spannungsverlusten im Durchlassbereich zu leiten und in Sperrrichtung bis auf winzige Leckströme zu unterdrücken, ist die „Ideale Diode“ die richtige Wahl. Für das Energiemanagement in drahtlosen, batteriebetriebenen Elementen des „Smart Grid“ ist sie unverzichtbar.