Grundig Satellit 2100 – Restauration
Prüfen der Stromversorgung
Der Einstieg in eine Restauration kann einschüchternd sein – besonders bei einem Empfänger wie dem Grundig Satellit 2100. Auch wenn es aus dieser Ära noch deutlich komplexere Geräte gibt, ist dieses hier alles andere als trivial. Es bringt einige raffinierte Details mit, und als hochwertiges Grundig-Modell darf man eine gewisse Überkonstruktion erwarten – für mich eher Teil seines Charmes als ein Nachteil.
Manche Restauratoren steigen direkt in den Audiobereich ein, andere prüfen zuerst die Kurzwellenbänder oder beginnen mit der Reinigung und dem Abgleich der Bedienelemente. Für mich ist der logische erste Schritt stets derselbe: die Stromversorgung.
Ohne eine stabile, zuverlässige Spannungsquelle ist alles andere bedeutungslos. Der präziseste Abgleich oder der sauberste Signalweg nützen nichts, wenn die Schaltungen nicht korrekt gespeist werden. Noch schlimmer: Ein jahrzehntealtes Gerät ungeprüft unter Spannung zu setzen ist riskant – gealterte Elektrolytkondensatoren, lecke Dioden oder korrodierte Batteriekontakte können Sicherungen auslösen, Bauteile überhitzen oder sogar dauerhafte Schäden verursachen.
Der Satellit 2100 bildet hier keine Ausnahme. Er ist ein komplexer Empfänger mit mehreren Funktionsgruppen, die alle auf saubere, gut geregelte Spannungen angewiesen sind. In diesem Artikel beginne ich daher mit der Stromversorgung: Ich verfolge, wo die Spannung eintritt, wie sie verteilt wird und was geprüft oder ersetzt werden muss, um der weiteren Restauration ein solides Fundament zu geben.
Wie immer gehe ich schrittweise, sorgfältig und methodisch vor – beginnend im Herzen des Geräts: seiner sicheren, korrekten Inbetriebnahme.
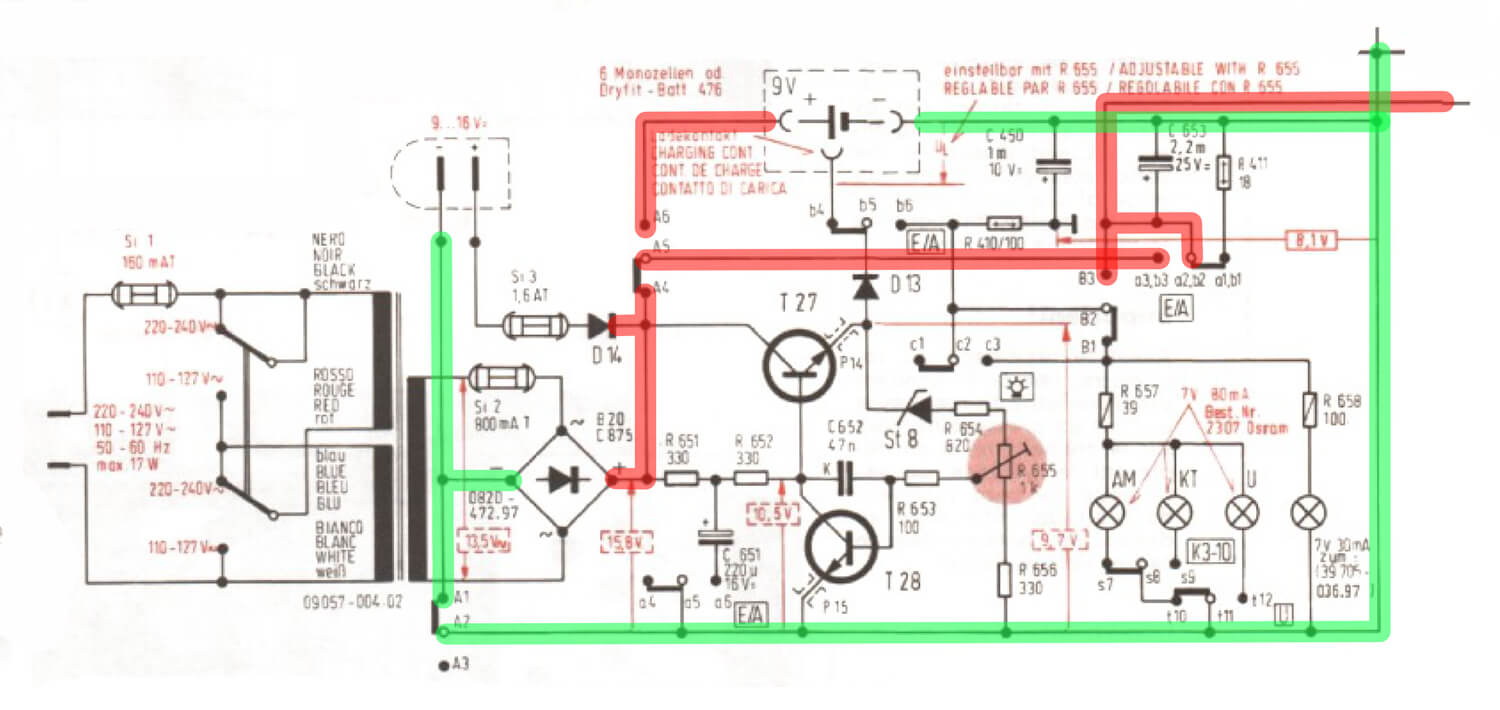
Blick in den Schaltplan
Nachdem der Ausgangspunkt – die Stromversorgung – festgelegt ist, besteht der nächste Schritt darin, genau zu erkennen, womit wir es zu tun haben. Glücklicherweise ist die Versorgung des Satellit 2100 weitgehend in sich geschlossen und übersichtlich aufgebaut – einer der zugänglicheren Bereiche dieses Geräts. Für Mitte der 1970er-Jahre war die Konstruktion bemerkenswert vielseitig. Der Empfänger lässt sich über einen internen, wiederaufladbaren Akku, mit handelsüblichen Monozellen, aus einer externen Gleichspannungsquelle (9–16 VDC), über eine Autobatterie mit Adapter oder direkt aus dem Stromnetz (220–240 VAC) betreiben.
Ein Netz-/Batteriewahlschalter leitet die Energie entsprechend weiter – eine automatische Umschaltung übernimmt den Rest. Beim Netzbetrieb transformiert ein kleiner Trafo die Spannung herunter, bevor sie gleichgerichtet wird. Eine Brückengleichrichterschaltung wandelt Wechselspannung in Gleichspannung um, Elektrolytkondensatoren glätten den Ausgang. Eine einfache Regelstufe mit Zenerdiode und Transistoren stabilisiert die Versorgungsspannung und steuert den Ladevorgang des Akkus.
Von der Hauptversorgung zweigen mehrere Leitungen ab, die jeweils eigene Gerätesektionen speisen:
- eine versorgt den NF-Leistungsverstärker,
- eine weitere die HF-/ZF-Stufen und die Abstimmkreise,
- eine separate Leitung treibt die Skalenbeleuchtung.
Diese Spannungen sind im Schaltplan (Bild 1) deutlich gekennzeichnet und eignen sich daher ideal als Prüf- und Messpunkte. Eine Besonderheit, die Nutzer herkömmlicher Schaltungen überraschen könnte, ist das hier verwendete positive Masse-Design: Beim Satellit 2100 ist die Masse mit dem Pluspol verbunden, nicht mit der negativen Rückleitung. Dieses Konzept war bei manchen europäischen Transistorradios jener Zeit üblich, erfordert aber bei Spannungsmessungen besondere Aufmerksamkeit bezüglich der Polung.

Da diese positive Masse in den meisten Sektionen gemeinsam genutzt wird, ist ihre Führung weniger offensichtlich als bei negativen Versorgungsleitungen. Sämtliche Rückleitungen sind hier eingebunden. Korrosion, lockere Schraubverbindungen oder schlechter Metallkontakt zwischen Platinen und Chassis können instabile Spannungen, sporadische Ausfälle oder Störgeräusche verursachen. Diese Punkte prüfe ich daher besonders sorgfältig – der mechanische Kontakt garantiert keinesfalls direkt eine gute elektrische Verbindung.
Mit dem Verständnis von Schaltplan und Masseführung folgt als Nächstes das Verfolgen der Strompfade, um sicherzustellen, dass jede Baugruppe zuverlässig und sicher versorgt wird.
Moment mal – funktioniert das überhaupt?
Eine Restauration unterscheidet sich von einer einfachen Reparatur darin, dass es nicht nur darum geht, das Radio wieder in Betrieb zu nehmen. Ziel ist es ebenso, gealterte Bauteile zu ersetzen, Schwachstellen zu beseitigen und die Leistungsfähigkeit für viele Jahre zu sichern. Die Antwort auf die Frage, ob das Gerät zu Beginn funktioniert, lautet daher: Es spielt keine große Rolle – es wird ohnehin vollständig zerlegt, geprüft und neu aufgebaut.
Trotzdem ist es nützlich zu wissen, ob wir mit einem grundsätzlich funktionsfähigen Exemplar starten. Schaltet das Radio ein und gibt Geräusche von sich – selbst bei schwachem Empfang oder dumpfer Wiedergabe –, dann liegt der Schwerpunkt eher auf Feinarbeit als auf Rettungsmaßnahmen.
Sicherer Funktionstest
Es ist keine gute Idee, das Gerät einfach direkt ans Stromnetz anzuschließen. Schonender ist es, zunächst eine Gleichspannungsquelle (bspw. ein Labornetzteil) zu verwenden. Die Batterieanschlüsse des Satellit 2100 sind klar in ihrer Polarität gekennzeichnet, also speise ich 9 VDC, mit einer Strombegrenzung von etwa 50 mA, ein. Nun den Hauptschalter auf Battery stellen und beobachten, was passiert.
Wenn die Strombegrenzung sofort anspricht, erhöhe ich vorsichtig auf rund 100 mA, aber keinesfalls mehr. Bleibt die Strombegrenzung nun bestehen, liegt vermutlich ein Kurzschluss vor – und weiteres Erzwingen höherer Ströme könnte Schaden anrichten.
In meinem Fall erwachte das Radio sofort zum Leben und gab die vertrauten „richtigen Geräusche“ von sich – zumindest im Batteriebetrieb war also eine grundsätzliche Funktion vorhanden.
Nach erfolgreichem DC-Test folgt der Betrieb am Stromnetz – aus Sicherheitsgründen aber nur über einen Serienlampenbegrenzer („Dim-Bulb-Tester“).
Dabei wird eine Glühlampe in Reihe mit dem Netzeingang des Radios geschaltet. Gibt es im Gerät einen Kurzschluss, leuchtet die Lampe hell auf – statt Sicherungen zu zerstören oder andere Bauteile des Radios zu überlasten.
Bild 2 zeigt das Prinzip: Die Netzleitung (a) führt über einen Schalter (b) zur Glühlampe (c), dann zur Last (d). Ist der Bypass-Schalter (e) geöffnet, fließt der gesamte Strom durch die Lampe. Glüht sie nur schwach, ist das Gerät wahrscheinlich in Ordnung – dann kann der Bypass geschlossen und direkt betrieben werden. Bei unserem Testkandidaten des Satellit 2100 leuchtete die Lampe hingegen nur schwach und es gab keine plötzlichen Stromspitzen – ein sehr gutes, erstes Zeichen und eine Basis, um auch in den kommenden Restaurationsschritten unbeabsichtigte Schäden zu vermeiden.
Und hätte sich das Radio nun gar nicht eingeschaltet? Kein Grund zur Sorge – der schrittweise Restaurationsprozess deckt solche Fehler ohnehin auf und behebt sie durch systematische Herangehensweise.

Was kann an der Stromversorgung defekt sein?
Sicherungen
Eine oder mehrere Sicherungen können durchgebrannt sein und so den Versorgungszweig, den sie schützen sollen, unterbrechen. Der Satellit 2100 besitzt im Bereich der Stromversorgung drei Sicherungen, die sich mit einem Multimeter auf Durchgang prüfen lassen. Wichtig: Eine defekte Sicherung deutet fast immer darauf hin, dass ein anderes Bauteil im Stromkreis den Ausfall verursacht hat. Die Ursache muss daher gefunden und behoben werden – sonst wird auch die neu eingebaute Sicherung wieder durchbrennen.
Leitungen
Die Leitungen, die die Stromversorgung mit anderen Gerätesektionen verbinden, können mit der Zeit spröde werden oder auch brechen – besonders, wenn Platinen bei Reparaturarbeiten bewegt werden. Diese sollten vor dem Zusammenbau daher sorgfältig auf Beschädigungen geprüft werden.
Schalter
Im Versorgungspfad liegen mehrere Schalter, deren Kontakte durch Verschmutzung oder Oxidation Probleme verursachen können. Einige Sprühstöße Kontaktspray und wiederholtes Betätigen der Schalter stellen die Funktion meist wieder her.
Lötstellen
Alterung und Wärmeeinwirkung können Lötstellen zum Reißen bringen oder zu Wackelkontakten führen. Auch optisch einwandfreie Verbindungen sind nicht immer elektrisch absolut zuverlässig. Besonders im Umfeld wärmeerzeugender Bauteile gezielt nach „kalten“ oder rissigen Lötstellen suchen und bei Bedarf diese nachlöten.
Dioden
Wie bei den meisten netzbetriebenen Radios enthält die Stromversorgung des Satellit 2100 mehrere Dioden. Dazu gehören Gleichrichterdioden, die die Trafospannung von AC in DC umwandeln, eine Sperrdiode im DC-Pfad und eine Zenerdiode zur Spannungsregelung. Alle lassen sich mit der Diodentestfunktion eines Multimeters prüfen und ggf. unkompliziert austauschen.
Kondensatoren
Der Stromversorgungsteil des Grundig Satellit 2100 nutzt Elektrolytkondensatoren zur Glättung der gleichgerichteten Spannung. Mit der Zeit trocknet das Elektrolyt dieser Bauteile aus, was zur Verringerung der Kapazität führt oder Kurzschlüsse bzw. Unterbrechungen verursacht. Bei Geräten dieses Alters tausche ich grundsätzlich alle Elkos – sie sind entweder schon defekt oder werden es bald sein.
Wie startet man systematisch?
Ein Blick ins Service-Manual liefert die erste wichtige Erkenntnis: Die klar beschriftete NF-Platine (Bild 3) enthält – gemeinsam mit der Audiosektion, die wir später behandeln werden – den größten Teil der Stromversorgung. Im Inneren des Geräts ist sie leicht zu finden: ganz rechts (von hinten betrachtet) und gut mit den Audio-Potentiometern erkennbar.

Der Ausbau der NF-Platine ist unkompliziert. Sie wird mit fünf Schrauben befestigt und ist über drei Lötverbindungen mit dem Batteriefach verbunden (Bild 4). Lötet man nun diese Verbindungen ab, kann die Platine vorsichtig umgeklappt werden. Dabei kann auf das Lösen anderer Kabel verzichtet werden, was erhebliche Zeit und Arbeit spart.

Wenige, zu ersetzende Bauteile…
An dieser Stelle könnte man die Spannungen bereits mit dem Schaltplan abgleichen, ich ziehe es jedoch vor, zunächst die Elektrolytkondensatoren zu tauschen. Da sie ohnehin ersetzt werden, sollten erst danach Messungen vorgenommen werden. In diesem Fall sind die einzigen zu ersetzenden Bauteile die Elkos. Sie lassen sich leicht identifizieren, wenn man den Platinenlayoutplan (Bild 3) mit der realen Platine (Bild 5) vergleicht.

Das Ergebnis wirkt optisch eher unspektakulär (Bild 6). Moderne Kondensatoren sind deutlich kleiner als die ursprünglich verwendeten und hinterlassen demnach sichtbar leere Flächen auf der Platine. Trotz der geringeren Größe bieten sie dennoch viele Jahre des zuverlässigen Betriebs. Ich verwende stets hochwertige Markenbauteile – der geringe Mehrpreis zeichnet sich in aller Regel durch langfristige Stabilität der Bauteile aus.
Sind die neuen Kondensatoren eingelötet, folgt der nächste Schritt: die Spannungsprüfung.

Spannungsprüfung
Auch nach jedem Bauteiletausch ist zunächst Vorsicht beim Einschalten geboten – theoretisch könnte sich beim Arbeiten ein Kurzschluss eingeschlichen haben. Daher wende ich das gleiche vorsichtige Einschaltverfahren wie im ersten Test zur Spannungszufuhr an und arbeite mit einer Stromlimitierung.
Es sind, wie im im Schaltplan angegeben, nur wenige Spannungen zu messen. Die wichtigsten Spannungen ist die Gleichspannung am Ausgang des Gleichrichters und die daraus gefilterten Versorgungsspannungen. Die empfohlenen Messpunkte (Bild 7) sind sowohl im Schaltplan als auch im Platinenlayout eingezeichnet.
Als gemeinsamer Bezugspunkt dient die negative Versorgungsschiene. Um die Multimeter-Messung zu erleichtern, habe ich an der als REF markierten Stelle ein kurzes Kabel angelötet.

Die tabellierten Ergebnisse in Bild 8 zeigen, dass alle gemessenen Spannungen im Sollbereich liegen – ein klarer Hinweis darauf, dass die Restauration auf dem richtigen Weg ist.

Leichte Abweichungen sind dabei durchaus normal. Die Belastung beeinflusst die Werte – bei höherer Lautstärke steigt der Strombedarf, was die Versorgungsspannung wiederum leicht senken kann. Auch die Netzspannung wirkt sich aus: Steht der Spannungswähler auf 220–240 VAC, verändert jede Schwankung der Eingangsspannung den Trafoausgang und damit auch die gleichgerichteten und gefilterten DC-Werte. Obwohl die endgültige Verfolgung aller Versorgungspfade noch nicht abgeschlossen ist, spricht die Tatsache, dass das Radio einschaltet und Ton erzeugt, stark für eine funktionierende Stromversorgung. Wir können in diesem Fall also mit einem guten Gefühl weitermachen.
Was tun, wenn es gar nicht funktioniert?
Die zuvor beschriebenen Schritte beziehen sich auf den speziellen Restaurationsfall, bei dem das Radio glücklicherweise ohne größere Probleme anläuft. Das ist jedoch nicht immer so. Manchmal betätigt man den Netzschalter (oder schließt das Labornetzteil an) – und es passiert gar nichts. Kein Ton, kein Licht, keinerlei Lebenszeichen.
Tritt dieser Fall ein, heißt es, Ruhe bewahren und systematisch vorgehen. Beginne mit einer Bauteil-für-Bauteil-Prüfung der Stromversorgung und arbeite dabei die Liste „Was kann an der Stromversorgung defekt sein?“ ab: Sicherungen, Gleichrichterdioden, Glättungskondensatoren, Leitungen und Lötstellen müssen konsequent überprüft werden. Das Ziel dabei ist: exakt den Punkt in der Schaltung zu finden, an dem die Spannung verschwindet. Danach arbeitet man sich rückwärts vor, bis die Ursache entdeckt ist.
Dabei ist eines äußerst wichtig:
Niemals mit anderen Restaurationsschritten fortfahren, bevor die Stromversorgung in allen Sektionen des Geräts die korrekten Spannungen liefert. Ohne diese Basis kann kein Abgleich, keine Reinigung und keine Schaltungsreparatur das Restaurationsobjekt zum Laufen bringen.
Und noch etwas: Ein völlig „totes“ Gerät wiederzubeleben, kann zu den befriedigendsten Momenten einer Restauration gehören. Jede gefundene und behobene Störung ist ein toller Erfolg – und der Augenblick, in dem das Gerät nach Jahren erstmals wieder anspringt, ist jede Mühe wert.
Doch trotz der geglückten Restauration der Spannungsversorgung liegt noch einiges an Arbeit vor uns. Im geplanten Restaurationsablauf steht nun die Audiosektion im Mittelpunkt und ist Thema des nächsten Artikels dieser Serie.
Achtung, Gefahr! – Hochspannung!
Die Spannungen im Inneren eines Röhrenradios können sehr hoch sein − im Bereich von Hunderten von Volt, sodass äußerste Vorsicht geboten ist, um lebensbedrohliche Stromschläge zu vermeiden.
Die beschriebenen Arbeiten dienen nur als Anschauungsbeispiel und zum Verständnis der verwendeten Technologie und sollten nur von dafür qualifizierten Technikern durchgeführt werden.
Über diese Artikelserie
Diese Serie dokumentiert die Restauration eines Grundig Satellit 2100 und behandelt dabei die unterschiedlichsten Herausforderungen – von elektronischen Reparaturen über Abgleichsarbeiten bis hin zur optischen Aufarbeitung.
Wer den beschriebenen Prozess Schritt für Schritt verfolgt, gewinnt nicht nur ein tieferes Verständnis und eine Wertschätzung für diesen legendären Weltempfänger, sondern auch praktisches Wissen, um selbst eine solche Geräterestauration durchführen zu können.
Das Ziel dieser Serie ist es, Funk- und Technikbegeisterte zu motivieren, eigene Restaurationsprojekte zu starten – und damit einen Beitrag zum Erhalt dieser klassischen Radios oder auch anderer technischer Geräte für die Zukunft zu leisten.
Über den Autor
Manuel Caldeira schloss sein Studium der Elektrotechnik an der University of Natal (Durban) 1985 ab. Direkt nach der Universität begann er, bei Siemens (Südafrika) zu arbeiten. Danach ging er in die Wirtschaft, anstatt in der Technik zu bleiben. Schließlich kehrte er aus Spaß zur Elektronik zurück und genießt es, alte Röhrenradios zu restaurieren und an so ziemlich allem zu tüfteln, was ihm auf dem Gebiet der Elektronik gefällt. Er betreibt von seinem Wohnsitz auf Madeira aus mit mehr als 30.900 Abonnenten auf YouTube den Kanal „Electronics Old and New by M Caldeira“, der sich hauptsächlich mit Röhrenradios beschäftigt. In den vergangenen sechs Jahren hat er dazu mehr als 630 Videos veröffentlicht, die mehr als 4,1 Millionen mal abgerufen wurden.