Fledermaus-Detektor FMD1
Ortungssignale von Fledermäusen hörbar machen
Steigen Sie ein in die akustische Welt der Ultraschallsignale! Der Fledermaus-Detektor setzt die Ortungssignale von Fledermäusen in den hörbaren Bereich um und bietet damit vielfältige interessante Hörerlebnisse.
Ultraschallsignale – Unhörbares hörbar machen
In der Tierwelt spielt die Erzeugung von Ultraschallsignalen eine relativ große Rolle, viele Tiere reagieren besonders auf Ultra- als auch auf Infraschallsignale. Der Mensch hingegen vermag zumeist nur in jungen Jahren Töne im unteren Ultraschallbereich bewusst wahrzunehmen. Die Fähigkeit, höhere Frequenzen als 10 bis 12 kHz zu hören, nimmt mit zunehmendem Alter ab. Viele Tiere hingegen, auch unsere Hunde und Katzen, sind in der Lage, Ultraschalltöne zu hören. Dies nutzen wir z. B., um Hunde zu erziehen oder Tiere von einem bestimmten Areal fernzuhalten. Es gibt Insektenabwehrgeräte (Mückenvertreiber) ebenso wie solche, die auf Vogel- oder Wildtierabwehr, wie z. B. gegen Marder, spezialisiert sind. Die eventuelle unangenehme Nebenwirkung für den Menschen ist die unbewusste Wahrnehmung, dies kann durchaus auch eine Auswirkung auf das menschliche Wohlbefinden haben, etwa in Form von Kopfschmerzen oder Druckempfinden. Kinder und Jugendliche können manche Ultraschalltöne sogar bewusst hören. In beiden Fällen können bei andauernder und starker Einwirkung sogar Hörschäden die Folge sein. Auf der anderen Seite ist es eine interessante Beschäftigung, die in der Natur (und auch Technik) vorkommenden Ultraschalltöne zu erkunden. Diese werden nicht nur von Tieren zur Orientierung und Kommunikation erzeugt, auch die Pflanzenwelt hält hier durchaus Überraschungen bereit, etwa am Wasser oder im Wald. Zum Beispiel reichen durch Wind hervorgerufene Geräusche weit in den Ultraschallbereich hinein. In der Technik gibt es ebenfalls höher frequente Geräuschquellen: Lager (überhaupt alles, was sich schnell dreht), Antriebe usw., sorgen dafür. Ein ganz besonderes Phänomen sind jedoch Tiere, die sich mittels Ultraschall im Raum orientieren und so auch in der Dunkelheit fliegen und jagen können. Spannende Informationen finden sie hier und hier. In unseren Breiten sind dies die Fledermäuse, die sich mit Ultraschalllauten von bis über 100 dB in einem Frequenzbereich bis zu 200 kHz in der Dunkelheit orientieren. Dabei werden zum Teil sehr komplexe Frequenzgemische, unterschiedlich moduliert, erzeugt. Die Orientierung erfolgt sehr präzise über den Dopplereffekt, wie wir ihn vom Radar kennen. Auf diese Weise erfassen die Nachtflieger sowohl ihre Umgebung als auch über Modulationseffekte Bewegliches, also in der Regel ihre Jagdbeute. Das Hörbarmachen dieser Laute für den Menschen erfordert eine Umsetzung in den menschlichen Hörbereich – dies ist nicht nur ein interessantes Hobby, sondern für alle, die mit der Erforschung der Fauna, des Denkmalschutzes usw. zu tun haben, eine Arbeitsgrundlage.
Weitere interessante Anwendungen für den Fledermaus-Detektor
Nicht nur Fledermäuse und andere Tiere senden Ultraschallsignale aus, auch Gegenstände des täglichen Lebens können Ultraschall erzeugen (Bild 1). Ein klassisches Beispiel ist die Ultraschallfernbedienung, die bis ins Jahr 1978 Verwendung zur Bedienung von Fernsehgeräten fand. Mit dem FMD1 können auch solche Geräte, aber auch die bereits genannten Tiervertreiber, getestet werden. Wie Tests in unserem ELV Labor zeigten, können aber auch Schaltnetzteile oder Fernsehgeräte mit entsprechenden Netzteilen Ultraschallsignale erzeugen. Wir Menschen hören diese Signale nicht (bewusst), aber unsere Haustiere könnten sich von solchen Haushaltsgeräten gestört fühlen, und, wie gesagt, können hier auch unbewusst Gesundheitsstörungen beim Menschen hervorgerufen werden. Es ist vielleicht ganz interessant, einmal zu erfahren, ob sich im Haushalt Störquellen im Ultraschallbereich befinden.

Funktionsweise von Fledermaus-Detektoren
Damit Ultraschalltöne aus dem Frequenzbereich oberhalb von 16 kHz für den Menschen hörbar werden, bedarf es einer speziellen Technik. Ähnlich wie bei Rundfunkempfängern muss der Eingangsfrequenzbereich in einen anderen, in diesem Fall für uns hörbaren Bereich verschoben werden. Dies kann mit unterschiedlichen Verfahren erreicht werden. Wir haben uns für den Superhet-Empfänger entschieden, welcher auch als Heterodyn-Empfänger bezeichnet wird (Infos hierzu finden Sie auch hier). Hierbei wird die Eingangsfrequenz mit einer festen Frequenz gemischt. Bei der Mischung entstehen Summen und Differenzsignale der beiden Frequenzen. Mit einem Filter ist es möglich, die für uns interessanten bzw. nutzbaren Frequenzen herauszufiltern. Je nach Frequenz des festen (lokalen) Oszillators können unterschiedliche Frequenzen empfangen werden. Für den Fledermaus-Detektor sind die Differenzfrequenzen bis 2,5 kHz optimal. Dieser Frequenzbereich liegt im gut hörbaren Frequenzbereich. Höhere Frequenzen werden doch eher als unangenehm empfunden.
Hier ein Beispiel: Eine Fledermaus sendet ein Signal mit einer Frequenz von 41 kHz. Der Fledermaus-Detektor nimmt diese, wir nennen sie mal Eingangsfrequenz (f1), über ein Mikrofon auf und mischt sie mit einer festen Frequenz von z. B. 40 kHz (f0). Im Mischer entstehen zahlreiche Mischprodukte, unter anderem auch das Differenzsignal von 1 kHz.
In Bild 2 ist dieser Vorgang auf einer Frequenzachse dargestellt. Aber auch eine Eingangsfrequenz von 39 kHz (-f1) führt zu einem Differenzsignal von 1 kHz, welches als Spiegelfrequenz bezeichnet wird. Bei einem Rundfunkempfänger ist diese Spiegelfrequenz nicht erwünscht und wird durch entsprechende Eingangsfilter unterdrückt. In einem Fledermaus-Detektor macht der Empfang der Spiegelfrequenz keine Probleme, denn wir wollen ja nur die Ultraschallsignale hörbar machen.

Für den Empfang von Ultraschall sind spezielle Mikrofone notwendig. Auch ein modernes Elektret-Mikrofon ist nicht in der Lage, Frequenzen oberhalb von 20 kHz aufzunehmen. Als Mikrofon kommt in unserer Schaltung ein sogenanntes MEMS-Mikrofon zum Einsatz (Bild 3).

Diese modernen Mikrofone sind sehr klein und werden hauptsächlich in Handys und Smartphones verwendet. MEMS-Mikrofone sind sehr rauscharm und verfügen über einen weiten Frequenzbereich. Im unteren Frequenzbereich von kleiner als 100 Hz ist die Empfindlichkeit nicht gut. Aber das stört in den meisten Anwendungen nicht, sondern ist im Gegenteil sogar nützlich. Tiefe Frequenzen unterhalb von 100 Hz werden z. B. auch durch Wind erzeugt und gelten als Störgeräusche. Alternativ hätte man auch einen 40-kHz-Ultraschallempfänger verwenden können, wie er in vielen Schaltungen zu finden ist. Das MEMS-Mikrofon zeigt aber einen weit lineareren Frequenzverlauf und ist deshalb vorzuziehen.
Bedienung des FMD1 Fledermaus-Detektors
In Bild 4 sind die Bedienelemente des FMD1 dargestellt. Zum Ein- und Ausschalten des Geräts befindet sich auf der Gehäuseoberseite ein Taster. Durch einmaliges Drücken dieses Tasters schaltet das Gerät ein. Das Ausschalten erfolgt durch nochmaliges Betätigen des Tasters (Toggle-Funktion). Um die Batterie zu schonen, sorgt ein „Auto-Aus“ (engl.: Auto-Power-Off) für eine automatische Abschaltung nach ca. 3 Minuten. Das Gerät muss dann manuell wieder eingeschaltet werden. Der obere seitliche Einsteller ist für die Lautstärke zuständig. Dieser sollte normalerweise zuerst auf Mittelstellung gebracht werden. Je nach Stärke des Empfangssignals kann die Lautstärke angepasst werden.

Das interne Mikrofon befindet sich im vorderen Bereich hinter der Schallöffnung. Der mechanische Aufbau weist eine Richtcharakteristik auf, sodass diese Öffnung in Richtung der Schallquelle ausgerichtet sein sollte. Das wichtigste Einstellelement ist der Frequenzeinsteller, mit dem der interne Oszillator eingestellt wird. Der Frequenzbereich umfasst einen Bereich von 20 kHz bis 80 kHz. Hat man eine Fledermaus gesichtet oder vermutet diese in einer bestimmten Richtung, können deren Orientierungslaute nur dann hörbar gemacht werden, wenn die richtige Frequenz am Gerät eingestellt ist. Aus diesem Grund muss der Frequenzbereich manuell gescannt werden, d. h. der Frequenzeinsteller ist so lange zu verstellen, bis die Empfangssignale hörbar werden. Je nachdem wie nah die Oszillatorfrequenz dem Empfangssignal ist, ändert sich die Tonlage. Jede Fledermausart hat ihren eigenen Frequenzbereich, welcher im Bereich von 20 kHz bis 200 kHz liegen kann. Interessante Information zu diesem Thema findet man hier und hier. Das Gehäuse ist so ausgelegt, dass die Bedienung des Frequenzeinstellers mit der rechten Hand erfolgt. Im Prinzip ist das Gerät mit nur einer Hand zu bedienen. Wenn die Batteriespannung unterhalb von 2,3 V absinkt, leuchtet die rote LED auf und signalisiert damit, dass die Batterie gewechselt werden sollte. Zum Wechseln der Batterie ist das Gerät zu öffnen. Hierzu sind die beiden Gehäuseschrauben zu entfernen. Nun können die beiden Micro-Batterien getauscht werden. Durch die automatische Abschaltung ist jedoch ein relativ langer Batteriebetrieb möglich.
Hinweis! Bei voller Lautstärke ist ein leichtes Grundrauschen zu hören. Dies stellt keine Fehlfunktion dar, sondern ist technisch bedingt.
Schaltungsaufbau eines Fledermaus-Detektors
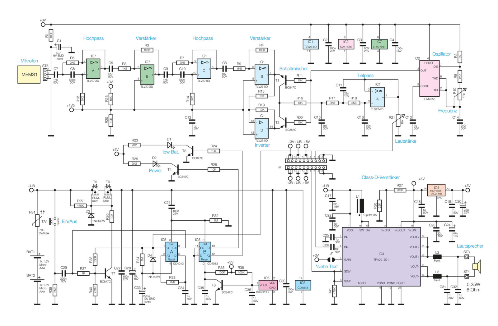
Das Schaltbild des Fledermaus-Detektors ist in Bild 5 dargestellt. Zur besseren Veranschaulichung der Funktionsweise ist in Bild 6 zusätzlich ein Blockschaltbild abgebildet. Das akustische Signal wird mit einem MEMS-Mikrofon aufgefangen und in ein elektrisches Signal umgewandelt. Dieses Mikrofon bzw. die Mikrofonplatine benötigt eine Versorgungsspannung, die über den Widerstand R1 zugeführt wird. Zusammen mit dem Kondensator C1 ergibt sich hierdurch noch ein Tiefpass, der Störungen auf der Versorgungsspannungsleitung unterdrückt. Der nachfolgende Operationsverstärker IC7A bildet mit seiner Peripherie einen Hochpass 2. Ordnung. Hiermit werden Frequenzen unterhalb von ca. 20 kHz, also die im hörbaren Bereich, unterdrückt. Die nächste Schaltungsstufe, gebildet von IC7B, dient zur Verstärkung und hat einen Verstärkungsfaktor von 66. Als nächste Stufe folgt wieder ein Hochpass, der mit IC1C realisiert ist. Die Grenzfrequenz und Beschaltung ist identisch mit dem ersten Hochpass IC7A. Durch diese Schaltungsnahmen sind fast alle Frequenzanteile im hörbaren Bereich (bis 16 kHz) herausgefiltert. Dies ist unbedingt notwendig, da es ansonsten zu unerwünschten Störsignalen kommt.


Betrachten wir nun den Mischer, der im Wesentlichen aus den beiden Transistoren T1 und T2 besteht. Diese beiden Transistoren dienen als analoge Schalter. Die Mischereingangssignale bestehen aus dem Ausgangssignal des Verstärkers IC1B (Pin 7) in der Phasenlage 0° und dem mit IC1D invertierten Signal, entsprechend der Phasenlage 180°. Mit den beiden Transistoren T1 und T2 kann wahlweise das nicht invertierte oder invertierte Signal ausgewählt werden (Schaltmischer). Angesteuert werden die beiden Transistoren von einem Oszillator, der mit dem Timerbaustein ICM7555 (IC2) aufgebaut ist. Der ICM7555 ist die moderne CMOS-Version des NE555. Die Oszillatorfrequenz wird durch die Widerstände R2, R5 und R10 sowie dem Kondensator C14 bestimmt. Mit dem Trimmer R10 kann eine Frequenz von 20 bis 80 kHz eingestellt werden.
In Bild 7 ist zu sehen, welche Signale dem Mischer zugeführt werden. Die genaue Funktionsweise eines Mischers kann hier nachgelesen werden. Das Ausgangssignal des Mischers gelangt anschließend auf einen Tiefpass, denn uns interessiert die Differenzfrequenz zwischen empfangenem Eingangssignal und dem lokalen Oszillator. Nur so können wir die Frequenzen im Ultraschallbereich hörbar machen.

Ist die Eingangsfrequenz z. B. 40 kHz und der lokale Oszillator auf 42 kHz eingestellt, ergibt sich eine Differenzfrequenz von 2 kHz (siehe Bild 2). Die Differenzfrequenz kann f0 (lokaler Oszillator) – f1 (Eingangsfrequenz) oder umgekehrt f1 – f0 sein.
Der Tiefpass besteht aus dem Operationsverstärker IC1A und Peripherie. Die Grenzfrequenz liegt bei 2,5 kHz. Am Ausgang von IC1A liegen also nur Signale im unteren hörbaren Bereich an. Diese Audiosignale gelangen auf den Lautstärkeeinsteller R21. Um das Audiosignal auf einen Pegel zum Ansteuern eines Lautsprechers zu bringen, kommt ein Audio-Class-D-Verstärker (IC3) zum Einsatz. Am Ausgang des Verstärkers liegt ein digitales Signal mit einer Frequenz von ca. 320 kHz an. Die Audioinformationen, also Frequenz und Amplitude, sind in der Modulation gespeichert. Normalerweise werden bei einem Class-D-Verstärker aufwendige Filter eingesetzt, um die Audioinformation aus dem Digitalsignal zu filtern und Störaussendungen zu vermeiden. Es gibt aber auch eine kostengünstige Lösung, bei der diese Filter eingespart werden („Filterfree“). In diesem Fall wandelt der angeschlossene Lautsprecher das digitale Signal in ein analoges, hörbares Signal um. Aus EMV-technischen Gründen muss die Länge der Anschlussleitung vom Ausgang des Verstärkers zum Lautsprecher begrenzt werden. Werden die Anschlussleitungen zu lang, wirken diese wie Antennen, und es gelangt Störstrahlung in das Umfeld. Die an den Ausgängen eingesetzten Filter L2/C32 und L3/C31 unterdrücken allein die Oberwellen der Grundfrequenz. An den Anschlüssen ST3 und ST4 ist der Lautsprecher angeschlossen.
Kommen wir nun zum Schaltungsteil der Spannungsversorgung. Die Schaltung wird mit zwei 1,5-V-Batterien betrieben und erfordert eine batterieschonende Technik. Schauen wir uns aber zunächst an, wie die Spannungsversorgung und das Ein- und Ausschalten funktionieren. Die Batteriespannung (3 V) gelangt zunächst auf den Sicherungswiderstand R31. Dieser Widerstand ist ein PTC, der bei Überstrom seinen Widerstandswert erhöht und somit im Fehlerfall für eine Strombegrenzung sorgt. Die beiden nachfolgenden MOSFET-Transistoren T5 und T6 dienen zum einen als Schalter für die Versorgungsspannung und zum anderen als Verpolungsschutz. Durch einmaliges Betätigen des Tasters gelangt ein Spannungsimpuls über C29 und R37 auf die Basis von T7. Dieser steuert über R30 die beiden Transistoren T5 und T6 an, die somit leitend werden und die Betriebsspannung „durchschalten“.
Für die Auto-Aus-Funktion (Auto-Power-Off) und für die Ein-Aus-Toggle-Funktion kommt ein Flip-Flop zum Einsatz. IC5A ist als T-Flip-Flop geschaltet, dessen Ausgänge (Q und /Q) durch einen positiven Spannungsimpuls am Clockeingang (Pin 3) jeweils die Logikzustände wechseln. Dieses Flip-Flop kann durch zwei Umstände gesetzt werden. Einmal durch ein High-Signal am Set-Eingang, oder durch ein Clocksignal an Pin 3, falls das Flip-Flop vorher zurückgesetzt war. Nachdem T5 und T6 die Versorgungsspannung durchgeschaltet haben, gelangt über C21 ein High-Impuls auf den Set-Eingang Pin 6, wodurch das Flip-Flop zunächst gesetzt wird. Der Ausgang Q (Pin 1) führt nun High-Pegel und steuert über R33 den Transistor T7 an. Die Einschaltung bleibt nun eingeschaltet, da die Selbsthaltung greift.
Nachdem der Ausgang Q auf „high“ wechselt kann sich über R34 der Kondensator C33 aufladen. Ist die Spannung auf ca. 2/3 der Betriebsspannung angestiegen, wird über den Reset-Eingang Pin 4 das Flip-Flop zurückgesetzt. Ausgang Q wechselt auf Low-Pegel und die Selbsthaltung löst sich – das Gerät schaltet aus (Auto-Aus). Da R34 und C33 relativ groß sind, dauert dieser Vorgang ca. 3 Minuten. Da der /Q-Ausgang über den Widerstand R38 mit dem D-Eingang (Pin 5) verbunden ist, wechseln die Logikzustände am Ausgang des Flip-Flops bei jedem Clocksignal an Pin 3. Auf diese Weise kann durch Betätigen des Tasters TA1 das Gerät im eingeschalteten Zustand wieder ausgeschaltet werden. Durch R38 und C34 wird ein Prellen dieses Ein- und Ausschaltvorgangs verhindert.
Mit dem zweiten Flip-Flop IC5B und IC6 ist eine Low-Bat-Erkennung realisiert. Diese funktioniert wie folgt: IC6 ist eigentlich ein Reset-Baustein, wird in unserer Schaltung aber zur Unterspannungserkennung genutzt. Ist die Batteriespannung größer als 2,3 V, ist der Ausgang von IC6 auf „high“, und der Transistor T8, der hier als Pegelwandler dient, schaltet durch. Der Reset-Eingang des Flip-Flops IC5B liegt auf Low-Pegel. Hier sei erwähnt, dass im Einschaltmoment beide Flip-Flops über den Set-Eingang gesetzt werden. Im Normalfall, d. h., die Batterien sind noch „voll“ (> 3 V), weisen die Ausgänge von IC5B folgende Pegel auf: Q ist auf „high“ (LED D2 (Power) leuchtet), /Q – ist auf „low“, sodass LED D1 (Low-Bat) nicht leuchtet. Sinkt die Batteriespannung unterhalb von 2,3 V, kehren sich alle Logikpegel um und das Flip-Flop wird zurückgesetzt. Jetzt leuchtet die Low-Bat-LED D1 auf und signalisiert, dass die Batterie gewechselt werden muss.
Ein zusätzliches Feature des Audioverstärkers TPA2013 (IC3) ist der integrierte Step-up-Wandler, der die Eingangsspannung in eine höhere Spannung transformiert und diese für die Endstufe verwendet. Aus diesem Grund kann auch mit einer relativ niedrigen Eingangsspannung noch eine beachtliche Ausgangsleistung erzeugt werden. Externes Bauteil dieses Wandlers ist die Speicherspule L1. Alle anderen Komponenten sind im TPA2013 integriert. Die Ausgangsspannung VCCOUT an Pin 17 von IC3 wird durch den Spannungsteiler R27/R28 bestimmt und liegt bei 5 V. Diese Spannung wird für Ansteuerung der beiden LEDs verwendet, da die blaue LED eine Flussspannung von bis 3,5 V aufweist und die Batteriespannung von 3 V unter Umständen nicht ausreicht. Der Vorteil dieses Step-up-Wandlers besteht aber darin, dass die komplette Elektronik mit dieser generierten Spannung versorgt wird, und so, unabhängig von Batteriespannung, immer eine konstante Spannung zur Verfügung steht. Allerdings wird für den empfindlichen Vorverstärker und den Mischer eine stabilisierte saubere Spannung benötigt. Aus diesem Grund wird die 5-V-Spannung mit dem Spannungsregler IC4 auf 3 V stabilisiert.
Fledermaus-Detektor nachbauen
Die Platine für den Fledermaus-Detektor besteht aus zwei Platinen, die herstellungsbedingt zu einem sogenannten Nutzen zusammengefasst sind (Bild 8). Die Platinen können einfach mit der Hand auseinandergebrochen werden. An den in Bild 8 dargestellten Stellen ist ein Grat vorhanden, der mit einer Feile entfernt wird (Bild 9). Auf den Platinen sind die SMD-Bauteile vorbestückt, sodass nur die bedrahteten Bauteile zu bestücken sind und der mitunter mühsame Umgang mit den kleinen SMD-Bauteilen somit entfällt.


Es ist lediglich eine Bestückungskontrolle anhand des Platinenfotos, des Bestückungsplans (Bild 10) und der Stückliste sowie eine Kontrolle auf Lötfehler vorzunehmen, bevor man mit den weiteren Bestückungsarbeiten beginnt. Die Bestückung der bedrahteten Bauteile erfolgt in gewohnter Weise anhand der Stückliste und des Bestückungsplans. Das in Bild 10 dargestellte Platinenfoto mit Bestückungsplan gibt zusätzlich hilfreiche Informationen. Die Bauteilanschlüsse werden entsprechend dem Rastermaß abgewinkelt und durch die im Bestückungsdruck vorgegebenen Bohrungen geführt. Nach dem Verlöten der Anschlüsse auf der Platinenrückseite werden überstehende Drahtenden mit einem Seitenschneider sauber abgeschnitten, ohne die Lötstelle selbst dabei zu beschädigen. Auf der Batterieplatine sind zunächst die beiden Batteriehalter zu bestücken. Hierbei ist darauf zu achten, dass die Polung („+“ und „-“) mit dem Platinenaufdruck übereinstimmt und dass diese auf der richtigen Platinenseite eingesetzt werden. Anschließend werden die Bauteile auf Signalplatine bestückt. Auch hier ist besonders darauf zu achten, dass die Bauteile auf der richtigen Platinenseite bestückt werden (siehe Platinenfotos Bild 10). Die beiden Rändelpotis R10 und R21 müssen vor dem Verlöten exakt plan auf der Platine aufliegen.

Nachdem der Taster TA1 montiert ist, kann die beiliegende Tastenkappe auf den Taststößel gedrückt werden. Nun erfolgt das Vorbereiten der Mikrofonplatine MEMS-1. Auf dieser kleinen Platine muss zuvor noch die 3-pol. Stiftleiste aufgelötet werden, wie es in Bild 11 zu sehen ist. Die so vorbereitete Mikrofonplatine wird anschließend auf der Signalplatine eingesetzt und verlötet (siehe Bild 12).


Die beiden Platinen werden über die 10-polige Stiftleiste miteinander verbunden (Bild 13). Wichtig hierbei ist, dass die Stiftleiste auf beiden Seiten plan auf der Platine aufliegt.

In Bild 14 sind die beiden verbundenen Platinen in der Seitenansicht zu sehen. Im nächsten Arbeitsschritt wird der Lautsprecher angeschlossen und montiert. Hierzu sind zwei Verbindungsleitungen mit einer Länge von 4 cm an die Anschlüsse des Lautsprechers anzulöten (Bild 15). Hierbei ist darauf zu achten, dass die Lötstellen am Lautsprecher sehr flach gehalten werden.


Der Lautsprecher wird nun entsprechend Bild 16 auf die Batterieplatine aufgelegt, und zwar so, dass die Anschlussplatte des Lautsprechers in die Aussparung der Platine fällt. Die Anschlusskabel können nun an die Anschlüsse ST3 und ST4 auf der Platine angelötet werden. Eine zusätzliche Befestigung des Lautsprechers ist nicht notwendig, da dieser später im Gehäuse automatisch fixiert wird.

Im Anschluss wird das Gehäuse vorbereitet. Die Lichtleiter für die LEDs sind bereits im Gehäuseoberteil eingeklebt. Damit das Licht der LEDs nicht auf die benachbarten Lichtleiter trifft, wird jeder einzelne Lichtleiter mit einem Stück PVC-Schlauch überzogen. Hier sind zwei Stück à 5 mm anzufertigen. Diese werden auf die Lichtleiter geschoben (siehe Bild 17). Der Schlauch sollte bündig mit dem Ende des Lichtleiters abschließen.

Technische Daten des FDM1 Fledermaus-Detektors
| Geräte-Kurzbezeichnung: | FMD1 |
| Versorgungsspannung: | 3 V (2x 1,5 V LR03/Micro/AAA) |
| Stromaufnahme: | max. 0,25 A (kurzzeitig) |
| Mikrofon: | MEMS-1 |
| Eingangsbereich: | 20–80 kHz |
| Empfängerart: | Heterodynempfänger |
| Umgebungstemperatur: | -10 bis +55 °C |
| Abmessungen (B x H x T): | 130 x 41 x 25 mm |
| Gewicht: | 80 g |
Stückliste
| Widerstände: | |
| 100 Ω/SMD/0402 | R1 |
| 1 kΩ/SMD/0402 | R2, R37 |
| 1,5 kΩ/SMD/0402 | R8, R9 |
| 2,2 kΩ/SMD/0402 | R23, R25 |
| 2,7 kΩ/SMD/0402 | R5 |
| 3,3 kΩ/SMD/0402 | R17 |
| 3,9 kΩ/SMD/0402 | R6, R7 |
| 5,6 kΩ/SMD/0402 | R18 |
| 8,2 kΩ/SMD/0402 | R12, R14 |
| 10 kΩ/SMD/0402 | R11, R13, R15, R16, R19, R20, R22, R24, R26, R30 |
| 22 kΩ/SMD/0402 | R28 |
| 100 kΩ/SMD/0402 | R3, R4, R33, R35, R36 |
| 200 kΩ/SMD/0402 | R27 |
| 470 kΩ/SMD/0402 | R29, R40, R41 |
| 1 MΩ/SMD/0402 | R32, R34 |
| 2,2 MΩ/SMD/0402 | R38, R39 |
| Trimmer/10 kΩ/THT | R10, R21 |
| PTC/0,5 A/6 V/SMD/0805 | R31 |
| Kondensatoren: | |
| 680 pF/50 V/SMD/0402 | C8, C10 |
| 1 nF/50 V/SMD/0402 | C31, C32, C36 |
| 1,5 nF/50 V/SMD/0402 | C7, C9 |
| 2,2 nF/50 V/SMD/0402 | C14 |
| 4,7 nF/50 V/SMD/0402 | C5, C6, C15 |
| 10 nF/50 V/SMD/0402 | C16, C26 |
| 22 nF/16 V/SMD/0402 | C11 |
| 100 nF/25 V/SMD/0402 | C2–C4, C21, C27, C30 |
| 220 nF/50 V/SMD/0603 | C29 |
| 1 μF/50 V/SMD/0603 | C12, C13, C18, C19, C22, C25, C34, C35 |
| 4,7 μF/6 V/tantal/SMD | C1 |
| 10 μF/16 V | C28 |
| 22 μF/16 V/SMD/1206 | C17, C23 |
| 22 μF/25 V | C20 |
| 47 μF/16 V | C24 |
| 220 μF/10 V | C33 |
| Halbleiter: | |
| TLV274ID/SMD | IC1 |
| ICM7555/SMD | IC2 |
| TPA2013D1/SMD | IC3 |
| MCP1804T-3002I/SOT89-3 | IC4 |
| HEF4013/SMD | IC5 |
| BD4823G/SMD | IC6 |
| TLV272ID/SMD | IC7 |
| BC847C/SMD | T1, T3, T4, T7, T8 |
| BC857C/SMD | T2 |
| IRLML6401/SMD | T5, T6 |
| 1N4148W/SMD | D3, D4 |
| LED/rot/SMD/0603 | D1 |
| LED/blau/SMD/0603 | D2 |
| Sonstiges: | |
| Speicherdrossel, SMD, 4,7 μH/1,7 A | L1 |
| Chip-Ferrit, 300 Ω bei 100 MHz, 0603 | L2, L3 |
| Stiftleiste, 1 x 10-polig, gerade, print | BU1 |
| Batteriehalter für eine Microzelle | BAT1, BAT2 |
| Mini-Drucktaster, 1x ein, 7,3 mm Höhe | TA1 |
| Tastkappe, rund, 6 mm, schwarz | TA1 |
| Lautsprecher, 6 Ω/0,25 W, ø 28 mm | |
| 2 cm PVC-Isolierschlauch, ø 3,5 mm, schwarz | |
| 8 cm flexible Leitung, ST1 x 0,14 mm², rot | |
| Gehäuse, komplett, bearbeitet und bedruckt |