EXSB-Midi Experimentierboard
Experimentierboard mit autarker Spannungsversorgung
Das Experimentierboard EXSB-Midi dient zum Aufbau von Experimentierschaltungen und arbeitet dabei völlig unabhängig von einer externen Versorgungsspannung – dank integrierter Batterien. Diese generieren mittels Spannungswandler drei unterschiedliche Versorgungsspannungen von 3,3 V, 5 V und 9 V.
Infos zum Bausatz


Das neue Experimentierboard EXSB-Midi schließt die Lücke zwischen dem EXSB-Mini und dem EXSB1. Der entscheidende Vorteil ist die Spannungsversorgung über zwei integrierte Batterien. Endlich ohne externe Spannungsversorgung arbeiten bzw. experimentieren! Die Batterien generieren mittels Spannungswandler drei unterschiedliche Versorgungsspannungen: 3,3 V, 5 V und 9 V. Ein weiteres Feature ist die Auto-Power-off-Funktion. Das Telefon klingelt oder es ist jemand an der Tür, und schon bleibt das Gerät versehentlich eingeschaltet. Um die Batterien zu schonen, schaltet Auto-Power-off die Versorgungsspannung automatisch nach 15 Minuten ab. Natürlich kann diese Funktion bei Bedarf auch deaktiviert werden. Das relativ große Steckboard mit seinen 1480 Kontakten bietet reichlich Platz – auch für den Aufbau größerer Schaltungen. Wenn Sie auf die Schnelle eine Schaltung aufbauen möchten und keine passende Spannungsversorgung zur Verfügung steht, liegen Sie mit diesem Board genau richtig. Es bietet genügend Platz für 2-reihige Schaltungslinien, die in der Mitte von einem Spannungsversorgungs-terminal unterbrochen sind.
Bild 1 zeigt, wie auch eine etwas größere Schaltung mit einem Mini-Voltmeter-Modul bequem Platz auf diesem Board findet; die Übersicht bleibt dabei erhalten. Für unser Beispiel haben wir die bewährten ELV Bauteile im PAD-Format verwendet. Die ELV PAD-Prototypenadapter ermöglichen einen einfachen Aufbau, denn die Module passen auf alle ELV Experimentierboards. Kein Anpassen, keine Suche nach passenden Teilen, einfach loslegen!

Funktionen und Einstellmöglichkeiten
In Bild 2 sind alle wichtigen Elemente des EXSB-Midi aufgezeigt und beschrieben. Auf der linken Seite ist die Elektronik untergebracht, wobei sich ein Teil davon unterhalb der Batteriehalter befindet. Über den Hauptschalter wird die Versorgungspannung ein- bzw. ausgeschaltet. Daneben befindet sich die Ausgangsbuchse, an der Sie die Spannungen 3,3 V, 5 V und 9 V entnehmen können. Die Anschlüsse GND sind alle miteinander verbunden und stellen den Minuspol der Ausgangsspannung dar.

Mit dem kleinen Schiebeschalter können Sie die Auto-Power-off-Funktion aktivieren bzw. deaktivieren. Ist die Funktion aktiviert, schaltet der Timer nach 15 Minuten das EXSB-Midi ab. Im Lieferumfang ist auch eine sogenannte Brückenplatine enthalten, mit der Sie die drei Spannungsterminals bei Bedarf verbinden können (Bild 3). Die Brückenplatine kann an einer beliebigen Stelle platziert werden.

Schaltung
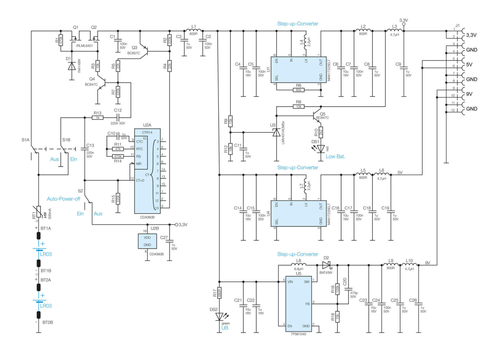
Da die Ausgangsspannung größer als die Batterieeingangsspannung ist, muss diese hochtransformiert werden. Im Schaltbild (Bild 4) ist zu erkennen, dass für jede Ausgangsspannung ein Step-up-Wandler, auch Boost-Converter genannt, vorhanden ist. Für die beiden Ausgangsspannungen 3,3 V und 5 V sind dies die Wandler U1 und U4 vom Typ MAX17225. Die 9-V-Ausgangsspannung wird mit U5 vom Typ TPS61040 generiert. Eine detaillierte Beschreibung der Funktionsweise eines Step-up-Wandlers finden Sie hier.
Schauen wir uns zunächst den Spannungsverlauf beginnend mit der Batteriespannung im Detail an. Die Batteriespannung (2x 1,5 V/AAA-Batterie) gelangt zunächst auf einen speziellen Sicherungswiderstand RT1, der einen positiven Temperaturkoeffizienten (PTC – Positive Temperature Coefficient) besitzt. Der PTC ist reversibel, d. h., bei Überlastung erhöht sich der Widerstand und begrenzt so den Strom. Ist die Überlastung nicht mehr vorhanden, kühlt der PTC ab und nimmt wieder seinen Kaltwiderstand (ca. 1 Ω) an.
Der nachfolgende Hauptschalter S1 (Ein/Aus) ist 2-polig ausgeführt. Über S1A gelangt die Batteriespannung zum Transistor Q1, der zusammen mit Q2 einen elektronischen Schalter bildet, der durch ein Low-Signal an den beiden zusammengeführten Gate-Anschlüssen leitend wird. Der zweite Schalterpol S1B generiert beim Einschalten einen kurzen Spannungsimpuls, mit dem der elektronische Schalter aktiviert und der Auto-Power-off-Timer zurückgesetzt wird.
Schauen wir uns an, was genau passiert, wenn der Schalter S1 von der Stellung „Aus“ in die Stellung „Ein“ gebracht wird. Wie schon erwähnt, liegt an Q1 jetzt die Batteriespannung an. Im Normalfall sind Q1 und Q2 noch nicht leitend. Im Einschaltmoment wird mit S1B über R13 und C12 ein kurzer Spannungsimpuls generiert, der dafür sorgt, dass der Transistor Q4 leitend wird. Die Kollektor-Emitter-Strecke von Q4 legt die beiden Gate-Anschlüsse von Q1 und Q2 an Masse (Low Potential), woraufhin dieser elektronische Schalter leitend wird. Die Schaltung wird nun, wenn auch nur kurzfristig, mit Spannung versorgt. Entscheidend ist nun die Funktion des Auto-Power-off-Timers, der im Wesentlichen aus dem Zählerbaustein U2A besteht. Das Datenblatt des CD4060 kann hier heruntergeladen werden.

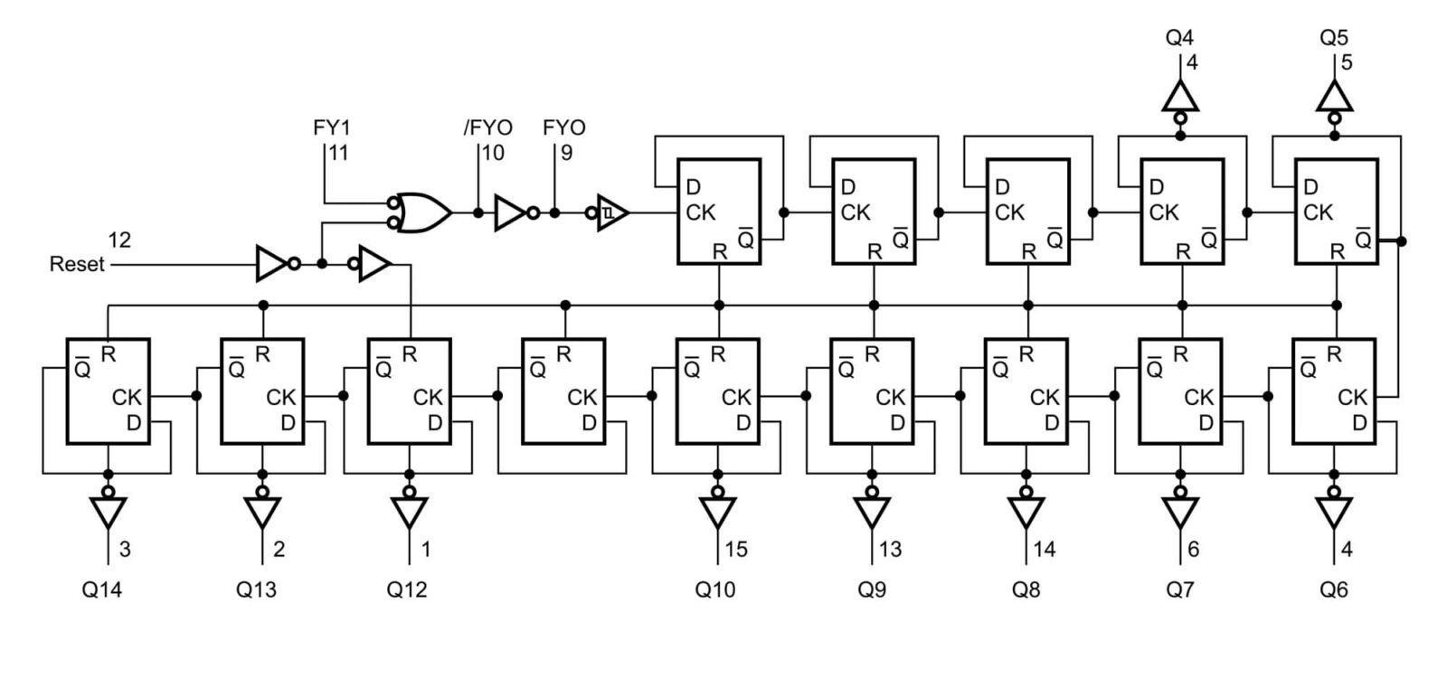
Im Blockschaltbild Bild 5 ist das Innenleben des CD4060 dargestellt. Es handelt sich um einen Binärzähler mit 14 Stufen mit einem integrierten Oszillator. Sobald dieser Baustein mit Spannung versorgt wird, startet der interne Oszillator, dessen Frequenz bei ca. 10 Hz durch die Bauteile R11, R14 und C10 bestimmt wird. Diese Basisfrequenz wird durch 14 hintereinander geschaltete Flip-Flops heruntergeteilt. Jedes Flip-Flop sorgt für eine Teilung durch 2. Bei 14 Stufen ergibt sich so ein Teilerverhältnis von 214 (16384) am Ausgang Q14. Im Normalfall, also nach einem Reset, liegt der Q14-Ausgang (Pin 3) auf Low Potential. Durch die Teilung der Oszillatorfrequenz mit dem Teilungsverhältnis von 16384 wechselt der Q14-Ausgang nach 15 Minuten auf High Potential. Diese Funktion nutzen wir als Auto-Power-off-Timer. Der Q14-Ausgang führt zum Transistor Q3. Beim einem Low-Pegel an der Basis wird der Transistor Q3 leitend und steuert den Transistor Q4 an, der wiederum die beiden Gate-Anschlüsse von Q1 und Q2 ansteuert (auf Massepotential legt). Nun schließt sich der Kreis, und wir haben eine sogenannte Selbsthaltung realisiert.

Sobald Q14 (Pin 3) des CD4060 auf High Potential wechselt (dies geschieht nach ca. 15 Minuten), sperrt der Transistor Q3 und die Selbsthaltung wird aufgehoben – die Spannungsversorgung wird unterbrochen. Ein erneutes Aus- und Wiedereinschalten mit dem Schalter S1 erzeugt über C13 einen kurzen Spannungsimpuls an Pin 12 (Reset) des CD4060, der den Zähler zurücksetzt. Zum Deaktivieren der Auto-Power-off-Funktion wird der Reset-Eingang mit dem Schalter S2 auf High Potential gelegt. Hierdurch bleibt der Q14-Ausgang dauerhaft auf Low Potential, und es findet keine automatische Abschaltung statt.
Kommen wir nun zu den eingangs beschriebenen Spannungswandlern, die sich im rechten Teil des Schaltbilds befinden. Vom elektronischen Schalter Q1/Q2 gelangt die Batteriespannung über das Entstörfilter C3/L1/C2 parallel auf die drei Spannungswandler. Die Ausgangsspannung des Step-up-Wandlers U1 ist mit dem Widerstand R6 auf eine Spannung von 3,3V eingestellt. Wie man mithilfe des Eingangs „SEL” die Ausgangsspannung konfiguriert, ist im Datenblatt erklärt.
Es ist noch zu erwähnen, dass der MAX17225 keine sonst übliche Freilaufdiode besitzt, denn es handelt sich hier um einen synchronen Wandler, bei dem die Freilaufdiode durch einen internen MOSFET-Schalter ersetzt wird. Dies hat den Vorteil, dass die Verlustleistung, die üblicherweise an der Freilaufdiode entsteht, minimiert wird und somit die Effizienz steigt.
Da jeder Schaltregler mit einer bestimmten Schaltfrequenz arbeitet, entstehen unweigerlich auch unerwünschte Störsignale. Um diese Störsignale zu minimieren, gelangt die Ausgangsspannung vom Step-up-Wandler über die beiden Filterspulen L2 und L3 auf die Ausgangsklemme J1. Die Spulen L2 und L3 bilden zusammen mit den Kondensatoren C8 und C9 ein 2-stufiges Tiefpassfilter.
Der zweite Spannungswandler U4 ist im Prinzip identisch aufgebaut, mit dem Unterschied, dass der Pin 4 (SEL) direkt an Masse geschaltet ist, wodurch sich eine Ausgangsspannung von 5 V ergibt. Auch hier gibt es ein Entstörfilter am Ausgang (L5/L6).
Der untere Step-up-Wandler U5 (TPS61040) ist für die Ausgangsspannung von 9 V zuständig. Dieser Wandler arbeitet klassisch mit einer Freilaufdiode (D2). Die Ausgangsspannung wird über das Verhältnis der beiden Widerstände R16 und R18 eingestellt. Am Feedback-Eingang FB stellt sich bei korrekter Funktion eine Spannung von 1,233 V ein. Ein Datenblatt mit einer detaillierten Beschreibung des TPS61040 findet sich hier.
Schauen wir uns nun an, wie die Low-Bat.-Anzeige funktioniert. Beim Unterschreiten einer definierten Batteriespannung soll eine LED aufleuchten. Für diese Funktion verwenden wir einen sogenannten Shunt-Regler vom Typ LMV431 (U3). Von der Grundfunktion her ist dieser Baustein dafür gedacht, eine genaue Referenzspannung zu erzeugen. Ein Blick in das Datenblatt zeigt die vielfältigen Applikationsbeispiele des LMV431, so auch den Einsatz als „Voltage-Monitor“.
Zum besseren Verständnis zeigt Bild 6 den Schaltungsteil aus unserem Schaltbild mit eingezeichnetem Blockschaltbild des LMV431. Die Funktion ist folgendermaßen: Die Batteriespannung wird mit dem Spannungsteiler R9/R12 in einem solchen Verhältnis heruntergeteilt, dass sich bei einer Batteriespannung von 2,3 V (Schwellwert für Low Bat.) eine Spannung von 1,24 V am Anschluss „Ref“ des LMV431 ergibt.

Um die Schaltung verstehen zu können, müssen wir uns die Funktion des LMV431 genauer anschauen. Eine interne Spannungsreferenz von 1,24 V ist mit dem invertierenden Eingang eines Operationsverstärkers verbunden. Der Ausgang steuert einen NPN-Transistor, dessen Kollektor zugleich mit der Versorgungsspannung verbunden ist. Dieser Anschluss wird als Katode bezeichnet. Wir nutzen den LMV431 als Komparator, da keine Rückkopplung vom Ausgang zum Eingang besteht. Sinkt die Spannung am Eingang „Ref” unter die interne Referenzspannung von 1,24 V, geht der Ausgang des Operationsverstärkers auf Low Potential. Durch den internen Transistor findet eine Invertierung statt, und die Spannung am Anschluss „Katode“ steigt. Hierdurch wird der Transistor Q5 angesteuert, und die LED (DS1) leuchtet. Dies signalisiert dem Anwender, dass die Batteriespannung unter die kritische Marke von 2,3 V abgefallen ist und ein Batteriewechsel notwendig wird.
Nachbau
Der Nachbau gestaltet sich recht einfach, da es sich um einen sogenannten ARR-Bausatz handelt. Das Kürzel ARR steht für „Almost Ready to Run“, was bedeutet, dass die Schaltung fast fertig aufgebaut ist und mit sehr geringem Aufwand fertiggestellt werden kann. Diese Arbeiten kommen in der Regel ohne zusätzliche Werkzeuge aus, und es sind keine Lötarbeiten notwendig.
In unserem Fall muss lediglich das Steckboard auf die Platine aufgeklebt werden. Hierbei ist auf die korrekte Einbauposition zu achten. Die Position sollte so wie in Bild 7 dargestellt verwendet werden, also so, dass Pin 1 auf der rechten Seite ist. Von der Funktion her ist es egal, wie herum man das Board aufklebt. Für spätere Anwendungsbeispiele ist es jedoch vorteilhaft, wenn die Nummerierung einheitlich ist.

Nachdem die rückseitige Schutzfolie entfernt wurde, kann das Steckboard aufgeklebt werden. Achtung! Die Klebekraft ist sehr stark – einmal fixiert lässt sich das Board nicht mehr ohne Beschädigung von der Platine lösen!
Zum Schluss werden auf der Platinenunterseite 5 Klebefüße angebracht (siehe Bild 8).


Technische Daten
| Geräte-Kurzbezeichnung: | EXSB-Midi |
| Versorgungsspannung: | 2x 1,5 V LR03/Micro/AAA |
| Stromaufnahme: | max. 500 mA |
| Ausgangsspannungen: | 3,3 V (max. 250 mA), 5 V (max. 180 mA), 9 V (max. 70 mA) |
| Sonstiges: | Auto-Power-off (deaktivierbar/15 min) Low-Bat.-Anzeige |
| Umgebungstemperatur: | 5 bis 35 °C |
| Abmessungen (B x H x T): | 200 x 100 x 18 mm |
| Gewicht: | 215 g/235 g (ohne/mit Batterien) |
Stückliste
| Widerstände: | |
| 680 Ω/SMD/0402 | R17 |
| 1 kΩ/SMD/0402 | R13 |
| 2,2 kΩ/SMD/0402 | R10 |
| 10 kΩ/SMD/0402 | R3, R8 |
| 15 kΩ/SMD/0402 | R9, R18 |
| 18 kΩ/SMD/0402 | R12 |
| 22 kΩ/SMD/0402 | R4, R5 |
| 47 kΩ/SMD/0402 | R11 |
| 82 kΩ/SMD/0402 | R6 |
| 100 kΩ/SMD/0402 | R16 |
| 220 kΩ/SMD/0402 | R2, R7, R15 |
| 470 kΩ/SMD/0402 | R1, R14 |
| PTC/0,5 A/6 V/SMD | RT1 |
| Kondensatoren: | |
| 470 pF/50 V/SMD/0402 | C20 |
| 100 nF/50 V/SMD/0603 | C1, C2, C5, C7, C15, C17, C24 |
| 220 nF/50 V/SMD/0603 | C12, C13 |
| 1 µF/16 V/SMD/0402 | C22 |
| 1 µF/50 V/SMD/0603 | C3, C8-C11, C18, C19, C25-C27 |
| 10 µF/16 V/SMD/0805 | C4, C6, C14, C16, C21, C23 |
| Halbleiter: | |
| MAX17225ELT/SMD | U1, U4 |
| CD4060B/SMD | U2 |
| LMV431/SMD | U3 |
| TPS61040/SMD | U5 |
| IRLML6401/SMD | Q1, Q2 |
| BC857C, SMD | Q3 |
| BC847C/SMD | Q4, Q5 |
| 1N4148W/SMD | D1 |
| BAT43W/SMD | D2 |
| LED/rot/SMD/0603 | DS1 |
| LED/grün/SMD/0603 | DS2 |
| Sonstiges: | |
| Chip-Ferrit, 600 Ω bei 100 MHz | L1, L2, L5, L9 |
| Speicherdrossel, SMD 4,7 µH/0,7 A 2,2 µH/1,5 A 6,8 µH/0,94 A | L3, L6, L10 L4, L7 L8 |
| Schiebeschalter, 2x um | S1 |
| Schiebeschalter, 1x ein, SMD | S2 |
| Buchsenleiste, 2x 6-polig, SMD | J1 |
| Batteriehalter mit THT-Batteriekontakten für LR03 | BT1, BT2 |
| Stiftleisten, 2x 2-polig, gerade, THT | J1, J2, J3 |
| Gehäusefüße, selbstklebend, transparent |