ELV Smart Home Spannungsversorgung ELV-SH-SPS25
Technik unter Kontrolle
Einschalten, ausschalten, per Poti dimmen: Steuern Sie Lichterketten und Kleinverbraucher einfach über Ihr Homematic IP System!
Diese Kleinen kennt und hat wohl jeder: Lichterketten oder elektronische Geräte, die über Batterien oder über eine USB-Buchse mit Strom versorgt werden. Was die meisten von uns wohl nervt, ist das manuelle Ein- und Ausschalten über winzig kleine Schalter oder leere Batterien, weil das Ausschalten mal wieder vergessen wurde. Überall einsetzen lassen sie sich so auch nicht, wer will schon auf Schränke oder ständig in Schaufenster klettern? Und nun die gute Nachricht: Liegt die Stromaufnahme unter 150 mA, können Sie den „Originalkasten“ durch eine ELV-SH-SPS25 ersetzen und in Ihr Homematic IP System integrieren. Schon lassen sich Lichterketten und Co. per Funk oder Wochentimer schalten und endlich auch an sonst schwer zugänglichen Stellen verwenden. Ein nettes Gimmick: Lässt sich das Gehäuse nicht verstecken, können Sie die ELV-SH-SPS25 mit Ihrem individuellen Wunschmotiv gestalten und saisonal anpassen. Das glasklare Gehäuse macht es möglich.
Infos zum Bausatz


Einfache Batterie-Lichterketten mit Homematic IP aufwerten
Batterie-Lichterketten finden sich heutzutage in fast jedem Haushalt und in unzähligen Varianten. Da gibt es Exemplare mit bedrahteten LEDs und etwas dickerem Kabel zwischen den LEDs (Bild 1) oder auch filigrane SMD-LEDs an dünnen mit Lack isolierten Drähten (Bild 2). Meist sind zehn oder 20 LEDs pro Lichterkette verbaut, die aus einem Batteriegehäuse mit zwei oder drei AA-Batterien oder Knopfzellen versorgt werden. Fast alle LED-Lichterketten lassen sich auf die schaltbare Spannungsversorgung umrüsten. Ausgenommen sind hingegen Exemplare, die sich mit einem Taster einschalten und zwischen Leucht- und Blink-Varianten umschalten lassen. Problematisch sind die wechselseitigen Blinkeffekte, die mit entgegengesetzt angeordnete LEDs arbeiten und daher mit wechselnder Polarität angesteuert werden müssten (Bild 1).


Einfachere Lichterketten ohne Blinkfunktionen lassen sich jedoch gut an einer ELV-SH-SPS25 betreiben. Sie verfügen am Batteriekasten meist über einen kleinen Schiebeschalter, der die LEDs einfach nur ein- oder ausschaltet. Daneben gibt es viele Batteriekästen mit drei Schalterpositionen. Die zusätzliche dritte Position ist meist eine Timerfunktion, die die Lichterkette beispielsweise für sechs Stunden einschaltet und 18 Stunden ausschaltet. Bei Schiebeschaltern mit nur zwei Positionen fehlt meist jegliche Elektronik und die LEDs werden oft durch einen am Schalter angebrachten Vorwiderstand auf einen Arbeitsbereich bezüglich Spannung und Strom eingestellt.
Hat die Lichterkette eine Timerfunktion, ist meist ein spezialisiertes Treiber-IC im Batteriefach verbaut, das eine Spannungs- oder Strombegrenzung für die LEDs vornehmen kann. Um diese Lichterketten im Homematic IP System per Funk oder durch ein individuell konfiguriertes Wochenschaltprogramm automatisiert zu schalten, können Sie den originalen Batteriekasten einfach durch die ELV-SH-SPS25 ersetzen. Details zum Umbau finden Sie in den folgenden Kapiteln. Nach Umbau und Integration des Aktors in Ihr Smart Home System können Sie diesen dann beispielsweise in Lichtszenen oder Schaltgruppen mit anderen Leuchten im Raum hinzufügen. Damit können Sie alle Lampen im Raum gemeinsam schalten. Statt mühselig den Schiebeschalter an den Originalbatteriekästen zu betätigen, gerade die gut versteckten, ergibt sich eine deutlich komfortablere Bedienung. Liegt die LED-Lichterkette samt ELV-SH-SPS25 inklusive dekorativem Einleger auf dem Wohnzimmertisch, können Sie die Lichterkette nach dem Umbau besonders einfach über den leicht zugänglichen Gerätetaster bedienen. Per Automation oder Programm können Sie zudem alle anderen umgerüsteten LED-Lichterketten im Raum in den gleichen Schaltzustand versetzen. Damit ergibt sich eine Fernbedienung für all Ihre umgerüsteten batterieversorgten Lichterketten, die hübsch in Regalen und Vitrinen oder auf sonst schwer zugänglichen Fensterbänken oder Schränken liegen.
ELV-SH-SPS25 in Betrieb nehmen
Der Lieferumfang des größtenteils vorbestückten Bausatzes ist in Bild 3 zu sehen. Bild 4 zeigt die vollständig bestückte Platine und den Bestückungsdruck beidseitig im Detail.


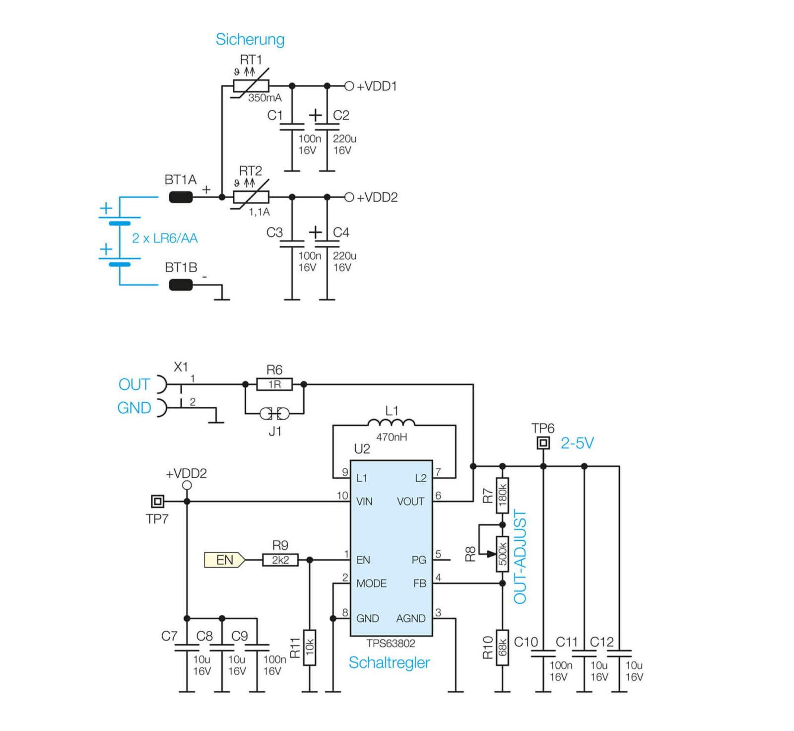
Achtung: Falls die Ausgangsspannung ohne Vorwiderstand auf den Ausgang OUT geschaltet werden soll, ist der Jumper J1 geschlossen zu halten. Beim Öffnen des Jumpers J1 wird die Ausgangsspannung über den Vorwiderstand R6 durchgeschaltet. Durchtrennen Sie diesen daher ggf. mit einem Cuttermesser (Bild 5) und bestücken Sie anschließend den Vorwiderstand R6 (Bild 6). Soll der Jumper J1 hingegen geschlossen bleiben, entfallen diese beiden Schritte. Näheres hierzu finden Sie auch im Schaltungsteil des Artikels. Montieren Sie die Schraubklemme X1 so, dass deren Öffnungen zum Platinenrand und zu den Anschlussbeschriftungen zeigen (Bild 6).


Anschließend wird die Batteriehalterung vorbereitet und angeschraubt. Setzen Sie dazu die vier Batteriekontakte in die Batteriehalterung ein – beachten Sie die Ausrichtung für den Plus- und Minuspol (Bild 7) – und rasten Sie diese ein. Verdrahten Sie mit der beiliegenden Litze die Kontakte, wie in Bild 7 rechts zu sehen. Schneiden Sie für die Verbindungsleitung links ein 25 mm langes Stück der schwarzen Litze ab und isolieren Sie es auf jeweils 2 mm ab. Versehen Sie die beiden noch freien Kontakte mit der restlichen Litze. Isolieren Sie diese ebenfalls beidseitig auf 2 mm ab und legen Sie sie in die Leitungsführungen ein.

Nach dem Vorbereiten des Batteriekastens rasten Sie den Tastknopf mit etwas Druck auf den SMD-Taster auf. Anschließend werden die Antennenhalter in die Platine eingesetzt. Hier empfehlen wir, die stärker rastende Seite in die Platine einzusetzen und die Seite mit den schräg zulaufenden Federn für die Führung der Antenne des Transceiver-Moduls zu verwenden. Verlegen Sie die Antenne in den Haltern und fixieren Sie diese mit einem Tropfen Heißkleber (Bild 8). Verschrauben Sie Batteriefach und Platine mit den beiliegenden zwei Schrauben. Verlöten Sie die beiden freien Drahtenden mit den zugehörigen Pads. Bild 9 zeigt das Ergebnis dieser Schritte. Bevor Sie einen Verbraucher an den Ausgangsklemmen anschließen, bereiten Sie im nächsten Schritt die vorhandenen LED-Lichterketten oder andere Verbraucher vor.


Umzubauendes Objekt/Lichterkette vorbereiten
Um später die Ausgangsspannung des Netzteils korrekt einstellen zu können, ermitteln Sie bei allen anzuschließenden Verbrauchern zunächst deren Betriebsspannung und Stromaufnahme im Originalzustand. Messen Sie z. B. bei einer Lichterkette mit vollen Batterien die an den LEDs anliegende Spannung und notieren Sie diese. Dies erfolgt am besten im Batteriefach an den Punkten, an denen die Kabel der LED-Zuleitung angeschlossen sind (Bild 10). Trennen Sie einen dieser Anschlusspunkte auf, um anschließend die Stromaufnahme der Lichterkette mit einem Multimeter zu messen (Bild 11). Die Stromaufnahme muss geringer als 150 mA sein, damit das ELV-SH-SPS25 anschließend die Versorgung der LEDs übernehmen kann. Da LED-Lichterketten normalerweise viele Stunden mit einem Satz Batterien leuchten sollen, liegt die Stromaufnahme handelsüblicher Batterie-Lichterketten meist deutlich unter dieser Grenze. Markieren Sie für den Umbau die Plus-Leitung der Lichterkette eindeutig. Trennen Sie die Lichterkette vollständig vom Originalbatteriekasten ab.


Ausgangsspannung einstellen
Legen Sie – ohne angeschlossene Last – provisorisch zwei AA-Batterien in die ELV-SH-SPS25 ein. Schalten Sie diese mit einem kurzen Tastendruck ein und messen Sie die Spannung an den Ausgangsklemmen mit einem Multimeter. Stellen Sie am Spindelpotentiometer R8 die Ausgangsspannung auf den gewünschten Wert ein (Bild 12). Um den spezifizierten Arbeitsbereich nicht zu verlassen, stellen Sie eine Spannung zwischen 2-5 V ein.

Optional: Dekorativen Einleger für das Gehäuse erstellen
Das durchsichtige Gehäuse bietet einen sehr klaren Blick auf die im Inneren arbeitende Elektronik. Für Technikfreunde eine Freude, für andere Mitbewohner eher störend und hier einfach zu lösen. Erstellen Sie einfach einen passend bedruckten Papiereinleger. Laden Sie die Druckvorlage im Excel-Format herunter (siehe Downloads unten). Die Rechtecke am Rand markieren die Schnitt- und Falzlinien. In der Mitte ist zusätzlich der Bedientaster eingezeichnet (Bild 13).

Gestalten Sie Ihren Einleger und drucken Sie diesen. Falten Sie diesen entlang der inneren Linien der Rechtecke. Schneiden Sie mit Lineal und Cuttermesser die äußeren Kanten aus und abschließend die Ecken entlang der Linien weg (Bild 14). Für das Loch der Kabeldurchführung können Sie beispielsweise einen Locher verwenden. Das Loch für den Taster: Legen Sie Ihren Einleger in die Oberschale des Gehäuses ein und schneiden Sie vorsichtig mit einem scharfen spitzen Messer entlang des Loches (Bild 15).




Verbraucher anschließen und Einbau in das Gehäuse
Führen Sie den Kabelbinder von oben durch das linke der beiden Fixierlöcher vor den Schraubklemmen und führen Sie ihn durch das rechte Loch zurück nach oben. Der Rastkörper sollte sich anschließend dicht über der Platine befinden (Bild 16).

Führen Sie anschließend das Versorgungskabel des Verbrauchers von außen in das Gehäuse ein. Schließen Sie es an die Ausgangsklemmen X1 an (Bild 17): an die Klemme OUT die positive Betriebsspannung, an die Klemme GND Masse bzw. das Minus-Anschlusskabel. Sichern Sie das Anschlusskabel mit dem Kabelbinder gegen Lösen und kürzen Sie den überstehenden Teil des Kabelbinders. Legen Sie die Platine in die Oberschale des Gehäuses ein und ziehen Sie das überschüssige Anschlusskabel aus dem Gehäuse heraus. Legen Sie die Batterien polrichtig ein (Bild 18, 2x Mignon/AA/LR6).


Durch das Einlegen der Batterien wechselt der ELV-SH-SPS25 automatisch für drei Minuten in den Anlernmodus. Schieben Sie die beiden Gehäusehälften bis zum Anschlag ineinander. Kleben Sie bei Bedarf die vier selbstklebenden Gehäusefüße auf die Gehäuseunterschale auf (Bild 19).

Was tun, wenn der Aktor nicht mehr reagiert?
Bei einem Batteriewechsel oder bei einem Stromimpuls bei schwachen Batterien kann es vorkommen, dass der Controller einen Spannungseinbruch erkennt, der diesen in einen sehr tiefen Schlafmodus versetzt und alle Aktivitäten einstellt. Damit der Controller anschließend mit frischen Batterien einen Reset durchführt und neu startet, muss die Betriebsspannung zuvor jedoch weit genug absinken, was durch die Puffer-Kondensatoren und die sehr geringe Stromaufnahme allerdings sehr lange dauern kann. Halten Sie in diesem Fall – bei entnommenen Batterien – die Taste am ELV-SH-SPS25 für 30 Sekunden gedrückt, oder schließen Sie die Batterieanschlüsse auf der Platine einmal kurz. Wenn Sie nun neue Batterien einlegen, startet der Controller ordnungsgemäß und signalisiert dies mit einem kurzen Blinken der Geräte-LED.
An Access Point oder Home Control Unit anlernen und den Aktor konfigurieren
Wählen Sie in der Homematic IP App „Gerät anlernen“ und folgen Sie dem Anmelde-Assistenten für die Einrichtung des Geräts. Beim Anlernen der ELV-SH-SPS25 in der App ordnen Sie ihr einen Raum zu (Bild 20). Legen Sie gegebenenfalls einen neuen Raum an und legen Sie im nächsten Schritt einen aussagekräftigen Namen für das Gerät fest. Nach Durchlauf des Assistenten ist der Aktor betriebsbereit.



Wenn der Aktor wie in unserem Beispiel eine LED-Lichterkette regelmäßig einschalten soll, bietet sich im nächsten Schritt die Einrichtung eines Zeitprofils an (Bild 21). Dieses Zeitprofil läuft autark im Aktor ab und benötigt keine weiteren Funkbefehle zu den Schaltzeitpunkten. Als Schaltzeitpunkte können Sie dabei absolute Zeitpunkte, vom Sonnenverlauf abhängige Zeitpunkte oder Kombinationen daraus verwenden.






Bild 21: Zeitprofil einrichten
Bei Bedienung des Aktors über die Gerätetaste schaltet dieser standardmäßig dauerhaft ein. Um die Batterien zu schonen, wenn Sie das manuelle Ausschalten einmal vergessen, können Sie sicherheitshalber eine maximale Einschaltdauer für einen kurzen und langen Tastendruck festlegen (Bild 22). Die zugehörige Konfiguration erreichen Sie über die Geräteliste.




Bild 22: Begrenzte Einschaltdauer für die Gerätetaste aktivieren
An der CCU3 anlernen und den Aktor konfigurieren
Loggen Sie sich auf der WebUI Ihrer CCU3 ein und klicken Sie oben rechts auf „Gerät anlernen“. Wählen Sie im Popup-Fenster „HmIP Gerät anlernen“, um den Anlernmodus für 60 Sekunden zu starten. Geben Sie im Folgedialog unter Posteingang die Beschriftung des Gerätes und der Kanäle ein (Bild 23) und ordnen Sie diese einem Raum oder Gewerk zu (siehe WebUI Handbuch). Nach der Anmeldung an der CCU3 ist das Gerät betriebsbereit. Wählen Sie auf der Startseite „Status und Bedienung“ > „Geräte“ und klicken Sie in der Liste auf die ELV-SH-SPS25, um die aktuellen Schaltzustände des Aktors zu sehen (Bild 24).


Im Reiter „Einstellungen“ > „Geräte“ können Sie diverse Konfigurationsparameter der verschiedenen Gerätekanäle anpassen (Bild 25).

Bei Kanal 0 lässt sich beispielsweise das Sendeintervall der Statusmeldungen und die Schwelle für Low-Bat konfigurieren. Über die Angabe der Wohnort-Koordinaten erhält die Astro-Funktion die Grundlage für die Berechnung der Zeitpunkte von Sonnenaufgang und Sonnenuntergang. Bei Kanal 1 kann das Verhalten der Gerätetaste eingestellt werden. Kanal 2 bis 5 sind für die Aktorkanäle zuständig und bei Kanal 6 kann der interne Wochentimer konfiguriert werden. Für das Einschalten des Aktors bei Sonnenuntergang oder spätestens um 18 Uhr und ein Ausschalten um 22 Uhr konfigurieren Sie zwei Schaltzeitpunkte (Bild 26).

Zusätzlich oder alternativ kann der Aktor natürlich auch in Direktverknüpfungen mit Fernbedienungen oder in CCU-Programmen verwendet werden. Damit der Aktor bei manuellem Schalten über die Gerätetaste die angeschlossene Last nicht dauerhaft einschaltet, konfigurieren Sie die geräteinterne Verknüpfung von Taster- und Aktorkanal so um, dass eine begrenzte Einschaltdauer verwendet wird. Somit schaltet der Schaltausgang automatisch aus, wenn dieser über die Gerätetaste aktiviert wurde. Bild 27 zeigt diese Konfiguration mit unterschiedlichen Einschaltdauern für kurzen und langen Tastendruck.

Batterieversorgte Spannungsquelle – schaltbar und mit einstellbarer Konstantspannung
Die Schaltung der Spannungsversorgung ELV-SH-SPS25 ist in Bild 28a und Bild 28b zu sehen. Die Batteriespannung gelangt über zwei als reversible Sicherungen arbeitende PTC-Widerstände zum Schaltregler und zum digitalen Schaltungsteil aus Transceiver mit integriertem Controller und externem EEPROM. Die Spannungen VDD2 für den Schaltregler und die Spannung VDD1 für den restlichen Schaltungsteil sind über separate Sicherungen an das Batteriefach angeschlossen, damit die durch die hohen Pulsströme des Schaltreglers entstehenden Spannungseinbrüche einen möglichst geringen Störeinfluss auf die Versorgungsspannung des Transceivers und Controllers haben. Der Schaltregler U2 vom Typ TPS63802 ist ein Buck-Boost-Wandler, der sowohl höhere als auch niedrigere Ausgangsspannungen aus der Eingangsspannung erzeugen kann. Über den Enable-Anschluss EN wird der Wandler vom Controller bei Bedarf aktiviert. Durch den Spannungsteiler aus R7, R8 und R10 ergibt sich die Höhe der Ausgangsspannung, die am Anschluss OUT der Schraubklemme X1 über die Parallelschaltung aus R6 und J1 anliegt. Mit dem Spindeltrimmer R8 lässt sich die Ausgangsspannung in einem Bereich von 2 V bis 5 V einstellen. Der Jumper J1 ist im Auslieferzustand geschlossen, wodurch die Ausgangsspannung des Wandlers direkt an der OUT-Klemme anliegt. Beim Anschluss von LEDs an der Ausgangsklemme kann zum Schutz der LEDs vor zu hohen Strömen und Spannungen die Verwendung eines Vorwiderstands gewünscht sein.


Je höher die Ausgangsspannung ist, desto höher wird auch der Strom durch LED und Vorwiderstand. Durch die nichtlineare Kennlinie einer LED steigt der Strom durch eine LED bei steigender Spannung ab einem Punkt sehr stark an (Bild 29). Dieser erhöhte Strom verursacht am Vorwiderstand jedoch einen Spannungsabfall, der dem Spannungsanstieg an der LED entgegenwirkt und den Strom und die Spannung für die LED somit begrenzt. Dem Bausatz liegt für R6 ein Widerstand von 1 Ω bei, der bei einem Strom vom 100 mA für einen Spannungsabfall von 0,1 V am Widerstand sorgt. Je größer dieser Widerstandswert gewählt wird, desto größer sind auch die Wärmeverluste an selbigem, was letztlich zu einer geringeren Effektivität der Schaltung und einer reduzierten Batterielaufzeit führt. Je nach LED-Typ kann die hier anliegende Spannung zwischen etwa 1,5 V und 4,0 V liegen. Für weiße LEDs sind Werte von 2,5 V bis 3,5 V üblich. Für eine lange Batterielaufzeit empfiehlt es sich, die LED-Helligkeit durch eine Reduzierung der Ausgangsspannung mit dem Poti möglichst weit herabzusetzen.

Das Transceiver-Modul A1 enthält neben der Funktechnik zum Senden und Empfangen von Homematic IP Funktelegrammen auch einen Mikrocontroller, der sämtliche Dekodierungen der Telegramme übernimmt, Aktor-Aktionsprofile verwaltet und die Aktorkonfiguration im externen EEPROM U1 speichert und von dort ausliest. Dazu sind Controller und Speicher mittels I2C-Schnittstelle verbunden. Über die Systemtaste S1 können an dem Aktor sowohl der Anlernvorgang neu gestartet, ein Werksreset durchgeführt als auch Schaltvorgänge der Ausgangsspannung durchgeführt werden. Die System-LED DS1 gibt dabei optische Rückmeldungen aus.
Fazit
Begegnen Sie der dunklen Jahreszeit mit Lichterglanz: Mit der ELV-SH-SPS25 können Sie Lichterketten nun überall im Raum verteilen, egal ob gut erreichbar oder nicht. Auf Tastendruck lassen sich auch gleich alle Lichter schalten. Das wird so manch ein Herz höher schlagen lassen. Die verschiedenen Timer-Funktionen sind ideal für Lichtdekorationen im Schaufenster, in Ihrer Wohnung oder Ihrem Haus. Auch die Einstellung einer maximalen Einschaltdauer ist ein Segen, denn sie schont die Batterien. Einziger Wermutstropfen: Nicht alle Lichterketten und Kleingeräte mit externen Batteriegehäusen lassen sich umrüsten, die meisten aber schon. Selbst das sonst wenig attraktive Batteriegehäuse lässt sich mit der ELV-SH-SPS25 individuell gestalten. Passen Sie das Inlay jederzeit saisonal oder zu besonderen Anlässen an!
Stückliste
| Widerstände: | |
| 1 Ω | R6 |
| 180 Ω/SMD/0402 | R2 |
| 470 Ω/SMD/0402 | R3 |
| 1,8 kΩ/SMD/0402 | R4, R5 |
| 2,2 kΩ/SMD/0402 | R9 |
| 10 kΩ/SMD/0402 | R11 |
| 68 kΩ/SMD/0402 | R10 |
| 500 kΩ/Spindeltrimmer/THT | R8 |
| PTC/0,35 A/16 V/SMD | RT1 |
| PTC/1,1 A/6 V/SMD/1206 | RT2 |
| Kondensatoren: | |
| 22 pF/50 V/SMD/0402 | C15 |
| 100 nF/16 V/SMD/0402 | C1, C3, C5, C6, C9, C10, C14 |
| 10 μF/16 V/SMD/0603 | C13 |
| 10 μF/16 V/SMD/0805 | C7, C8 C11, C12 |
| 220 μF/16 V/SMD | C2, C4 |
| Halbleiter: | |
| M24M01-DF DW 6 T G/TSSOP-8 | U1 |
| TPS63802/SMD | U2 |
| PESD3V3S1UB/SMD | D1, D2 |
| Duo-LED/rot/grün/SMD | DS1 |
| Sonstiges: | |
| Speicherdrossel, 470 nH/1,1 A/0805 | L1 |
| Mini-Drucktaster TC-06106-075C, 1x ein, SMD | S1 |
| Schraubklemme, 2-polig, Drahteinführung 90°, RM = 3,5 mm, THT, black | X1 |
| Applikationsmodul TRXC2-TIF eQ-3 | A1 |
| Platinenabstandshalter | AN1, AN2 |
| Batteriehalter für 2x R6 | |
| Batteriekontakt Minus, R6 | |
| Batteriekontakt Plus, R6 | |
| Gewindeformende Schraube, 1,8 x 8 mm, T6 | |
| Flexible Leitung, ST1 x 0,22 mm², rot | |
| Flexible Leitung, ST1 x 0,22 mm², schwarz | |
| Tastkappe | |
| Gehäuse ELV-SH-SPS25, bearbeitet und bedruckt | |
| Gehäusefuß, 5 x 1,6 mm, selbstklebend, schwarz | |
| Kabelbinder, 90 mm |
Technische Daten
| Geräte-Kurzbezeichnung: | ELV-SH-SPS25 |
| Versorgungsspannung: | 2x 1,5 V LR6/Mignon/AA |
| Stromaufnahme: | 600 mA max./50 μA typ. Ruhe |
| Leitungsart- und Querschnitt: | starre und flexible Leitung, 0,14-1,0 mm² |
| Leitungslänge: | < 3 m |
| Empfängerkategorie: | SRD Category 2 |
| Funk-Frequenzband: | 868,0–868,6 MHz 869,4–869,65 MHz |
| Duty-Cycle: | < 1 % pro h/< 10 % pro h |
| Max. Funk-Sendeleistung: | 10 dBm |
| Typ. Funk-Freifeldreichweite: | 230 m |
| Umgebungstemperatur: | 5–35 °C |
| Abmessungen (B x H x T): | 63 x 26 x 73 mm |
| Gewicht (inkl. Batterien): | 115 g |
Kommentare (3)
Hallo,
die Sache mit dem Kontakt auftrennen für Jumper J1 … ist ja bei der SB8 auch so … finde ich nicht so prickelnd. Könnte man zukünftig, für weitere Bausätze, das Layout nicht so gestalten, das die Kontakte im Rasterabstand 2,54 mm und mit Löchern geplant werden? Dann könnte man das selbst nach dem trennen durch eine Stiftleiste mit einem richtigen Jumper einfach rückgängig machen, bzw. umstecken. Oder am besten gleich einen abziehbaren Jumper einplanen.
Hallo Jürgen,
vielen Dank für Dein Feedback zu meinem Entwicklungsprojekt und Deine Verbesserungsvorschläge.
Hauptgrund für diese Umsetzung war, dass der Löt-/Kratz-Jumper hier als einmalige Einstelloption angesehen wurde, die vermutlich nur von wenigen Anwendern genutzt wird.
Außerdem spielen Kosten und Platzmangel, sowie möglicher negativer Einfluss auf die Antenne eine Rolle bei solchen Entscheidungen.
Wenn eine mehrfache Anpassung von Einstellungen zu erwarten ist, sehen wir natürlich möglichst andere Optionen wie Steck-Jumper oder Codier-Schalter vor.
Zu Beginn der Entwicklung des ELV-SH-SPS25 hatte ich sogar eine 3-polige Klemme vorgesehen, womit ein Ausgang mit und ein Ausgang ohne Vorwiderstand angeboten werden sollte. Aufgrund von Problemen mit der Funkreichweite musste das Layout jedoch stark verändert werden und der Platzbedarf der 3-poligen Klemme machte dies sehr schwer, weshalb ich hier zu der kleinstmöglichen Lösung mit der 2-poligen Klemme und dem Kratz-Jumper gegriffen habe.
Viele Grüße,
Frank (Entwicklungsingenieur bei ELV)
ja stimmt, man muss immer beide Seiten betrachten 😃
Beim SPS25 sind diese Gründe nachvollziehbar und akzeptabel, bei Geräten wie dem SB8, mit den 8 verschiedenen Anzeigemöglichkeiten, ist die Wahrscheinlichkeit aber ziemlich hoch, dass sich da immer wieder mal was ändert, sei es weil man sich etwas doch in einer anderen Farbe anzeigen lassen wil, oder die Reihenfolge ändert usw. Da wäre es schon gut, eine einfachere (Steck-) Möglichkeit zu haben.
Übrigens habe ich Deine Antwort nur zufällig entdeckt, benachrichtigt wird man darüber nicht. Erst wenn man versucht sich irgendwie im Online Journal ein- oder auszuloggen sieht man das, weil ein- und ausloggen geht nur über die Kommentarfunktion, woanders taucht kein link dazu auf.