Smart Home Luftdrucksensor ELV-SH-CAP
Wetterveränderungen in Echtzeit verfolgen
Dieser kompakte Sensor misst präzise Temperatur und Luftdruck und integriert sich nahtlos in Ihr Homematic IP System. Ob zur Wettervorhersage, zur automatisierten Lüftungssteuerung oder für mehr Komfort – profitieren Sie von smarter Automatisierung und gezielten Warnmeldungen. Flexibel einsetzbar, dezent im Design und leistungsstark in der Funktion!
Infos zum Bausatz


Es gibt kein schlechtes Wetter, nur schlechte Kleidung! Nutzen Sie den Sensor zur trendbasierten Vorhersage: Ein plötzlicher Luftdruckabfall kann auf schlechtes Wetter oder einen Sturm hindeuten, während ein steigender Druck oft besseres Wetter signalisiert.
Sind Sie wetterfühlig oder plagt Sie Migräne? Lassen Sie sich bei Luftdruckschwankungen benachrichtigen!
In Kombination mit Temperatur- und Feuchtigkeitssensoren kann Ihr Smart Home mit diesem Sensor erkennen, ob es z. B. nötig ist zu lüften. Hoher Luftdruck kann auf trockene Luft hindeuten, während niedriger Druck oft mit hoher Luftfeuchtigkeit einhergeht – so lässt sich eine automatische Luftbefeuchtung, Heizungssteuerung oder Entlüftung optimal steuern.
Auch smarte Automatisierungen basierend auf Luftdruckveränderungen lassen sich realisieren. Mit den richtigen Einstellungen können Ihre Jalousien oder Rollläden automatisch auf veränderten Luftdruck bzw. Wetterveränderungen reagieren.
Oben wird die Luft dünn. Dies gilt nicht nur für Berge, sondern auch für mehrstöckige Gebäude. Der Luftdruck ändert sich je nach Höhe bzw. Etage und lässt sich für eine höhenbasierte, standortabhängige Steuerung von Klimaanlagen oder Lüftungen nutzen.
Der digitale Luftdrucksensor und Temperaturfühler
Der Bosch Sensortec BMP581 ist ein hochpräziser, digitaler Luftdrucksensor, der sich durch seine geringe Baugröße (Bild 1), hohe Genauigkeit und einen niedrigen Energieverbrauch auszeichnet. Er wurde speziell für Anwendungen in mobilen und tragbaren Geräten wie Smartphones, Smartwatches, Fitness-Trackern, Wearables sowie für lot- und industrielle Lösungen entwickelt. Dank seiner fortschrittlichen Sensortechnologie erreicht der BMP581 eine außergewöhnliche Messgenauigkeit und somit eine entsprechende Höhenauflösung. Dadurch eignet sich dieser hervorragend für präzise Höhenmessungen, Sturzerkennung, Navigation in Innenräumen oder sportliche Aktivitätsanalysen. In industriellen Anwendungen unterstützt der Sensor die Navigation, beispielsweise in Drohnen oder autonomen Robotern.

Der Sensor arbeitet in einem Druckbereich von 300 bis 1250 hPa. Dadurch ist dieser für verschiedene Einsatzszenarien nutzbar: von Höhenmessungen bis hin zu Wettervorhersagen. Mit seinem sehr niedrigen Stromverbrauch kann der BMP581 problemlos in batteriebetriebene Systeme integriert werden und wirkt sich nur minimal auf die Laufzeit aus. Dank der I²C- und SPI-Schnittstellen lässt sich der Sensor einfach in bestehende Systeme einbinden und bietet eine schnelle Datenübertragung.
Mit seiner Kombination aus Präzision, Energieeffizienz und Umweltresistenz setzt der BMP581 neue Maßstäbe im Bereich der barometrischen Drucksensoren und bietet vielseitige Einsatzmöglichkeiten für moderne Technologieanwendungen. Ganz nebenbei gibt der BMP581 auch noch die aktuelle Temperatur aus und wird somit zu einem echten Kombisensor.
Lieferumfang
Im Lieferumfang des ELV-SH-CAP sind eine Platine mit Antenne, eine Gehäuseoberschale, ein Gehäuseboden sowie eine Knopfzelle CR2032 enthalten (Bild 2). Die Bestückung der Geräteplatine erfolgt bereits in unserem konzerneigenen Produktionswerk.

Inbetriebnahme
Batterie einlegen und Sensor anlernen
Schieben Sie die mitgelieferte Knopfzelle in das Batteriefach ein, wie in Bild 3 zu sehen. Die Seite mit der Pluspol-Markierung (siehe Bild 2) muss dabei nach oben zeigen. Sobald Sie die Batterie eingelegt haben, wechselt der Sensor für drei Minuten in den Anlernmodus und versucht, sich mit der Homematic IP CCU3, der Home Control Unit oder dem Access Point zu verbinden. Die LED des Sensors leuchtet in dieser Zeit wiederholt kurz orange auf.
Starten Sie den Anlernmodus auf Ihrer eingesetzten Zentrale, wie im Folgenden beschrieben. Bei erfolgreicher Anmeldung leuchtet die LED kurz grün auf und erlischt. Wenn die Anlernzeit abgelaufen ist, drücken Sie den Systemtaster S2 auf der Platine, um den Anlernmodus erneut für weitere drei Minuten zu starten.

Sensor am Access Point/der Home Control Unit anlernen und konfigurieren
Wählen Sie den Eintrag „Gerät anlernen“ und folgen Sie dem Anmelde-Assistenten für die weitere Einrichtung des Sensors (Bild 4 bis Bild 9).
Nach Durchlauf des Assistenten ist der Sensor betriebsbereit. Sie können nun die aktuelle Temperatur und den Luftdruck abrufen sowie Diagramme anzeigen lassen. Beachten Sie, dass ggf. die Höhe über Normalhöhennull in den Geräteeinstellungen des Sensors angepasst werden muss.
Sensor an der CCU3 anlernen
Loggen Sie sich auf der WebUI Ihrer CCU3 ein und klicken Sie oben rechts auf „Gerät anlernen“. Wählen Sie im Pop-up-Fenster „HmIP Gerät anlernen“, um den Anlernmodus für 60 Sekunden zu starten. Geben Sie im Folgedialog unter Posteingang die Beschriftung des Geräts und der Kanäle ein (siehe WebUI-Handbuch).
Nach der Anmeldung an der CCU3 kann der Sensor ausgelesen werden. Wählen Sie auf der Startseite „Status und Bedienung“ → „Geräte“ (Bild 10) und klicken Sie in der Liste auf den ELV-SH-CAP, um die aktuellen Werte für die Temperatur und den Luftdruck anzuzeigen (Bild 11). Um den Sensor zu konfigurieren, wählen Sie „Einstellungen“ → „Geräte“ aus (Bild 12).



Suchen Sie in der Geräteliste den zu konfigurierenden Sensor und klicken Sie auf „Einstellen“ (Bild 13).

Gerätekonfiguration an der CCU3 ändern
Abhängig von der Anwendung kann es sinnvoll sein, aus Gründen der Stromersparnis oder der Einhaltung des Duty Cycle eine bestimmte Anzahl von Statusmeldungen zu überspringen oder Meldungen auszulassen, wenn keine Veränderung bis zur nächsten Statusmeldung erfolgt.
Wenn der Sensor seine Messwerte in anderen Abständen übermitteln soll, passen Sie die Werte „Anzahl der auszulassenden Statusmeldungen“ sowie „Anzahl der auszulassenden, unveränderten Statusmeldungen“ an. Bei der Wertekombination „Null – Null“ ergibt sich eine ungefähre Aktualisierungsrate von zwei bis drei Minuten. Beachten Sie, dass eine höhere Aktualisierungsrate die Batterie deutlich schneller entleert. Weitere Informationen zu den Einstellungen der zyklischen Aktualisierung finden Sie im Screenshot in Bild 14.
Die „Low-Bat-Schwelle“ stellt die Spannung dar, bei deren Unterschreitung der Sensor eine Batteriewarnung ausgibt. Darüber hinaus kann die Systemtaste des Sensors gegen Manipulation gesperrt werden. Bei Aktivierung dieser Option kann kein Werksreset am Gerät selbst mehr ausgelöst werden. Deaktivieren Sie die Checkbox „Routing aktiv“, falls keine Reichweitenverlängerung, siehe Smart-Hacks-Beitrag, über Schaltsteckdosen gewünscht ist. Zudem kann in Kanal O die Höhe über Normalhöhennull angepasst werden.

Im Kanal 1 des Sensors passen Sie den Temperatur-Offset des gemessenen Temperaturwerts an, um ggf. vorhandene Störgrößen zu berücksichtigen. So lässt sich der Temperaturwert korrigieren, um genauere Messungen trotz externer Einflüsse zu gewährleisten.
Im Kanal 2 des Sensors konfigurieren Sie bedingte Schaltbefehle für die Messgröße Temperatur. Diese Schaltbefehle werden ausschließlich im Rahmen optionaler direkter Geräteverknüpfungen wirksam.
Analog zu Kanal 2 erfolgt in Kanal 3 die Konfiguration für bedingte Schaltbefehle der Messgröße Luftdruck.
Sensor in das Gehäuse einbauen
Nachdem Sie den Sensor angelernt und konfiguriert haben, legen Sie die Geräteantenne in die Antennenführung ein, wie in Bild 15 gezeigt. Drehen Sie die Platine so, dass diese mit der aufgedruckten grauen Linie in der Gehäuseoberschale übereinstimmt, und legen Sie diese ein (Bild 16). Richten Sie den Gehäuseboden aus. Drehen Sie den Gehäuseboden auf die Gehäuseoberschale über den leichten Widerstand hinweg, sodass die Gehäusenasen übereinanderstehen (Bild 17).



Sensor positionieren oder montieren
Für exakte Messwerte muss der Luftdrucksensor an einem festen, wettergeschützten Ort (Schutzart IP20) positioniert werden.
Für eine optimale Positionierung und exakte Messwerte beachten Sie:
- Richtige Höhe: Um Temperaturschwankungen durch Heizkörper oder Bodenwärme zu vermeiden, positionieren Sie den Sensor ungefähr auf mittlerer Höhe der Wand.
- Optimaler Standort: Für den Sensor ist ein „ruhiger“ Raum optimal, also nicht direkt an einer Außenwand oder in der Nähe von Heizkörpern, Fenstern oder Türen.
- Keine direkte Sonneneinstrahlung: Vermeiden Sie Montageorte mit direkter Sonneneinstrahlung, dies kann die Messungen verfälschen.
- Abstand zu Heizquellen und Lüftungen: Platzieren Sie das Barometer nicht über einem Heizkörper oder in der Nähe einer Lüftung/Klimaanlage, da Druckunterschiede durch warme oder kalte Luftströme entstehen können.
- Konstante Umgebungstemperatur: Wählen Sie einen Raum mit stabilen Temperaturen (z. B. Wohnzimmer oder Flur) statt Küche oder Badezimmer, dort kann der Luftdruck durch Temperaturänderungen schwanken, wie auch im Datenblatt des BMP581 aufgeführt.
Sie können den Sensor einfach im Raum auf eine Ablage oder ein Regal legen. Optional hängen Sie diesen auf einen Nagelkopf (am Gehäuseboden ist eine Öffnung vorhanden) oder kleben den Sensor mit einem rückstandslos entfernbaren Powerstrip an die Wand. Der Montageort ist in allen drei Fällen flexibel: unterschiedliche Untergründe wie Möbel, Türen oder Fenster sind unkompliziert nutzbar. Auch eine verdeckte Montage ist möglich.
Schaltung
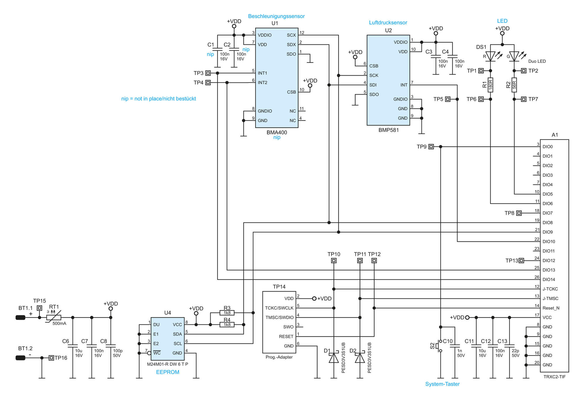
Wir beginnen bei der Schaltung, deren Schaltbild in Bild 18 zu sehen ist, mit der speziellen Sicherung RT1. Diese fungiert als selbstrückstellende Sicherung in Form eines PTCs (Positive Temperature Coefficient). Bei erhöhtem Stromfluss erwärmt sich das Bauteil, wodurch sein Widerstand steigt und der Stromfluss begrenzt wird.

Das Herzstück der Schaltung bildet das Transceiver-Modul TRXC2-TIF (A1) mit einem integrierten Mikrocontroller vom Typ Texas Instruments CC1310F128. Dieser ist über einen seriellen Bus mit dem EEPROM U4 verbunden, der Parameterdaten speichert und als Zwischenspeicher für Firmware-Updates dient. Beide Bauteile sind über den I2C-Bus miteinander verbunden.
Zur Gewährleistung eines ordnungsgemäßen Busbetriebs werden die Widerstände R3 und R4 als Pull-up-Widerstände eingesetzt. Die Kondensatoren C11 bis C13 dienen der Stabilisierung und Filterung der Versorgungsspannung.
Die Messung von Temperatur und Luftdruck erfolgt über den Sensor BMP581 (U2) von Bosch. Dieser ist ebenfalls über den I2C-Bus mit dem Mikrocontroller verbunden und besitzt mit C3 und C4 eigene Abblockkondensatoren, die eine störungsfreie Spannungsversorgung garantieren.
Des Weitern findet sich im Schaltbild als wichtiges Bedienelement der Systemtaster S2, der zur Entstörung mit dem Abblockkondensator C10 versehen ist. Zur Peripherie des Mikrocontrollers gehört außerdem die Duo-LED DS1, die zusammen mit den Widerständen R1 und R2 verschiedene Betriebszustände signalisiert, beispielsweise während der Inbetriebnahme, bei der Anmeldung an die Zentrale oder beim Senden an Verknüpfungspartner. Die LED signalisiert Zustände durch die Farben Rot und/oder Grün.
In Bild 19 sind die Platinenfotos und die Bestückungsdrucke des ELV-SH-CAP zu sehen.

Fazit
Der neue ELV Smart Home Luftdrucksensor Kompakt ELV-SH-CAP ist klein, präzise und misst neben dem Luftdruck auch die Temperatur. Reagieren Sie rechtzeitig auf Wetteränderungen: Stecken Sie den Schirm ein, ziehen Sie den Friesennerz an (schöne Grüße aus Ostfriesland) oder tragen Sie endlich wieder die luftigen Sandalen. Lüften, Luft befeuchten, heizen, Jalousien oder Rollläden hoch- oder runterfahren? Lassen Sie den Sensor in Kombination mit anderen smarten Aktoren für sich arbeiten. Der Luftdrucksensor ELV-SH-CAP ist flexibel einsetzbar, kostengünstig und einfach zu montieren. Nur eines vermag auch der kleine HELVer nicht: das Wetter zu ändern.
Stückliste
| Widerstände: | |
| 56 Ω/SMD/0402 | R2 |
| 180 Ω/SMD/0402 | R1 |
| 1,8 kΩ/SMD/0402 | R3, R4 |
| PTC/0,5 A/6 V/SMD | RT1 |
| Kondensatoren: | |
| 22 pF/50 V/SMD/0402 | C13 |
| 100 pF/50 V/SMD/0402 | C8 |
| 1 nF/50 V/SMD/0402 | C10 |
| 100 nF/16 V/SMD/0402 | C3, C4, C7, C12 |
| 10 μF/16 V/SMD/0805 | C6, C11 |
| Halbleiter: | |
| BMP581/SMD | U2 |
| M24M01-DF DW 6 TG/TSSOP-8 | U4 |
| PESD3V3S1UB/SMD | D1, D2 |
| Duo-LED/rot/grün/SMD | DS1 |
| Sonstiges: | |
| Taster mit 0,9-mm-Tastknopf, 1x ein, SMD, 2,5 mm Höhe | S2 |
| Batteriehalter für 1x R2020-R2032, SMD | BT1 |
| TRXC2-TIF e0-3 | A1 |
| Gehäuseoberteil, bedruckt (Laser) | |
| Gehäuseunterteil, bedruckt (Laser) | |
| Lithium-Knopfzelle, CR2032 | |
Technische Daten
| Geräte-Kurzbezeichnung: | ELV-SH-CAP |
| Versorgungsspannung: | 1x 3 V/CR2032 |
| Stromaufnahme: | 40 mA max. |
| Batterielebensdauer: | 2 Jahre (typ.) |
| Umgebungstemperatur: | 5-35°C |
| Messbereich Temperatur: | -10 bis +60 °C |
| Messbereich Luftdruck: | 300-1250 hPa |
| Funk-Frequenzband: | 868,0-868,6 MHz/869,4-869,65 MHz |
| Max. Funk-Sendeleistung: | 10 dBm |
| Empfängerkategorie: | SRD category 2 |
| Typ. Funk-Freifeldreichweite: | 130 m |
| Duty Cycle: | <1% pro h/<1% pro h |
| Schutzart: | IP20 |
| Sensortoleranz Temperatur: | ± 0,5 °C (0-60°C) |
| Sensortoleranz Luftdruck: | ± 30 Pa |
| Abmessung (ø x T): | 43 x 12 mm |
| Gewicht (inkl. Batterie): | 18 g |





