ELV Smart Home Schlüsselbundfernbedienung ELV-SH-KRC und
ELV Smart Home Fernbedienung Kompakt ELV-SH-CRC
Sesam, öffne dich!
Klein, kompakt, einfach zu bedienen, kein Verwechseln der Tasten: Die beiden ELV Smart Home Ein-Tasten–Fernbedienungen sind wahre Multitalente. Und das Beste: Sie sind voll kompatibel mit Homematic IP. Einmal eingerichtet, lassen sich verschiedene Aktoren im Innen- und Außenbereich fernbedienen.
Noch eine Fernbedienung? Viele Leser kennen sicher die Homematic IP Smart Home Schlüsselfernbedienung mit vier Tasten HmIP-KRC4. Die neuen Kollegen haben zwar „nur“ eine Taste, schließen dafür aber Verwechslungen aus und machen die Bedienung zu einem Kinderspiel. Die Einsatzmöglichkeiten sind breit gefächert: Ob als Garagentoröffner im Auto, als Fernbedienung am Schlüsselbund für Ihren Türöffner, zur Steuerung Ihrer Rollläden oder Markisen, Ihrer Gartenbewässerung, Ihrer Beleuchtung oder zum Ein- und Ausschalten eines Geräts. Für diese sechs Hauptanwendungen werden kleine Aufkleber für die Mitte der Taster mitgeliefert. So behalten Sie auch beim Einsatz mehrerer Fernbedienungen stets den Überblick.
Wie die Taste reagieren soll, legen Sie in der Homematic IP App oder der CCU3-WebUI fest: Ein- oder Ausschalten oder die Markise zu 50 Prozent ausfahren – was darf es sein? Die beiden Fernbedienungen unterscheiden sich zum einen in der Farbe, zum anderen hat die ELV-SH-KRC einen praktischen Metallbügel. So kann die ELV-SH-CRC als kompakter Taster im Haus liegen oder über das mitgelieferte doppelseitige Klebepad in passender Höhe an die Wand, den Bettkasten, den Nachttisch etc. geklebt werden. Auch eine verdeckte Montage ist möglich: Verstecken Sie die Fernbedienung doch einfach unter der Arbeitsplatte der Küchenzeile. Mit ihrem zusätzlichen Metallbügel ist die ELV-SH-KRC stets griffbereit. Sie können sie schnell am Schlüsselbund befestigen (Bild 1) oder regengeschützt z. B. im Gartenhäuschen/Gewächshaus aufhängen. Im Auto – vorn in der Mittelkonsole abgelegt – kurz den Taster bei der Rückkehr nach Hause drücken, schon öffnet sich das Garagentor.

Lieferumfang
Im Lieferumfang der ELV-SH-KRC und der ELV-SH-CRC sind jeweils eine Platine mit Antenne, eine flexible Tasterkappe, eine Mittelkappe, ein Gehäuseboden sowie eine Knopfzelle CR2032 enthalten. Für beide Varianten liegen Aufkleber für die Mitte der Fernbedienung bei – für Ihren individuellen Anwendungsfall.
Am Gehäuseboden der ELV-SH-KRC ist zusätzlich ein Metallbügel zur Befestigung am Schlüsselbund oder zum Aufhängen angebracht. Der ELV-SH-CRC liegt für die Montage an einem festen Ort ein doppelseitiges Klebepad bei (Bild 2). Die Bestückung der Geräteplatine erfolgt bereits in unserem konzerneigenen Produktionswerk.

Inbetriebnahme
Antenne verlegen und Platine einsetzen
Legen Sie die Geräteantenne in die Antennenführung ein, wie in Bild 3 gezeigt.

Legen Sie die Platine so ein, dass diese auf den beiden Führungsstiften links und rechts in der Gehäuseoberschale aufliegt. Das Batteriefach zeigt dabei nach oben – die Antenne macht einen kleinen Bogen (Bild 4).

Batterie einlegen und Gehäuse schließen
Drehen Sie die Pluspol-Markierung der mitgelieferten Knopfzelle nach oben und schieben Sie diese in den Batteriehalter ein, wie in Bild 5 zu sehen.

Rasten Sie die Mittelkappe auf dem Gehäuseboden ein. Achten Sie dabei unbedingt darauf, dass sich der Lichtleiter und die Verdickung im Bereich des Batteriehalters an den richtigen Positionen befinden (Bild 6).

Zum Schluss wird die flexible Tasterkappe aufgesetzt: Richten Sie die Lasche an der Kappe so aus, dass diese in der Aussparung zwischen dem Metallring ihren Platz findet, wie in Bild 7 gezeigt.

Ziehen Sie die flexible Kappe über die umlaufende Feder am Gehäuseunterteil. Achten Sie darauf, dass diese fest in der Nut einrastet (Bild 8).

Anlernen
Sobald Sie die Batterie eingelegt haben, wechselt die Fernbedienung automatisch für drei Minuten in den Anlernmodus und versucht, sich mit der Homematic IP CCU3, der Home Control Unit oder dem Access Point zu verbinden. Die LED der Fernbedienung leuchtet in dieser Zeit wiederholt kurz orange auf.
Starten Sie den Anlernmodus auf Ihrer eingesetzten Zentrale, wie in den folgenden Kapiteln beschrieben. Sollte die Anlernzeit der Fernbedienung abgelaufen sein: Drücken Sie einfach den Taster der Fernbedienung, um den Anlernmodus erneut zu starten. Bei erfolgreicher Anmeldung leuchtet die LED an der Fernbedienung kurz grün auf und erlischt.
Fernbedienung am Access Point/der Home Control Unit anlernen und konfigurieren
Wählen Sie den Eintrag „Gerät anlernen“ und folgen Sie dem Anmelde-Assistenten für die weitere Einrichtung der Fernbedienung (Bild 9 bis 15). Nach Durchlauf des Assistenten ist die Fernbedienung fast betriebsbereit – nur die Zuordnung für die Tastenfunktion ist noch notwendig. Setzen Sie unter „Zuordnung“ ein Häkchen bei der gewünschten Tastenfunktion – in unserem Beispiel „Zutritt“ und wählen Sie diese in der Zutrittsberechtigung für den Homematic IP Türschlossantrieb aus.

Fernbedienung an der CCU3 anlernen und konfigurieren
Loggen Sie sich auf der WebUI Ihrer CCU3 ein und klicken Sie oben rechts auf „Geräte anlernen“ (Bild 16). Wählen Sie im Pop-up-Fenster „HmIP Gerät anlernen“, um den Anlernmodus für 60 Sekunden zu starten (Bild 17). Geben Sie im Folgedialog unter Posteingang die Beschriftung des Geräts und der Kanäle ein – siehe WebUI Handbuch und Bild 18.



Nach Anmeldung an der CCU3 kann die Fernbedienung bereits verwendet werden. Um eine weitere Konfiguration des Gerätes vorzunehmen, wählen Sie auf der Startseite „Einstellungen“ > „Geräte“ (Bild 19) und klicken Sie in der Liste auf den gewünschten Geräteeintrag ELV-SH-KRC bzw. ELV-SH-CRC, um diesen zu konfigurieren.

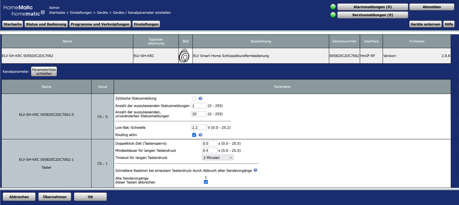
Stellen Sie über die Konfigurationsseite beispielsweise die Zeit für die Doppelklick-Tastensperre oder die Mindestdauer für einen langen Tastendruck ein (Bild 20).

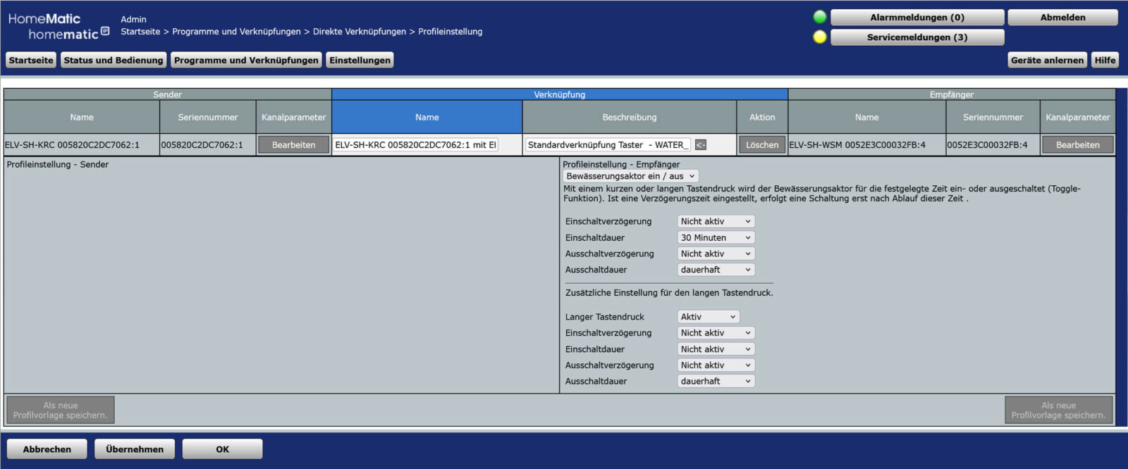
Verknüpfung mit einem Homematic IP Aktor
In unserem Beispiel haben wir eine Verknüpfung zu einem ELV-SH-WSM erstellt: Ein kurzer Tastendruck schaltet den Bewässerungsaktor mit einer Einschaltdauer von 30 Minuten ein, ein langer Tastendruck schaltet die Bewässerung wieder aus (Bild 21). Um die aktuelle Konfiguration der Fernbedienung aus der CCU3 WebUI abzurufen, drücken Sie kurz den Taster auf der Fernbedienung. Ein Auseinanderbauen des Gehäuses zum Betätigen der Systemtaste ist nicht notwendig.

Anpassung der Geräteparameter in Kanal 0 (nur für CCU3)
Abhängig von der Anwendung kann es sinnvoll sein, aus Gründen der Stromersparnis oder der Einhaltung des Duty Cycles eine bestimmte Anzahl von Statusmeldungen zu überspringen oder Meldungen auszulassen, wenn keine Veränderung bis zur nächsten Sendung erfolgt. Wenn die Fernbedienung ihre Zustandsmeldungen, wie beispielsweise den Batteriestand, in anderen Abständen und ohne Tastendruck übermitteln soll, passen Sie die Werte „Anzahl der auszulassenden Statusmeldungen“ sowie „Anzahl der auszulassenden, unveränderten Statusmeldungen“ an. Bei der Wertekombination Null–Null ergibt sich eine ungefähre Aktualisierungsrate von zwei bis drei Minuten. Beachten Sie, dass eine höhere Aktualisierungsrate die Batterie deutlich schneller entleert und vor allem für eine reine Fernbedienung kaum Vorteile bietet. Weitere Informationen zu den Einstellungen der zyklischen Aktualisierung finden Sie in Bild 22.

Die „Low-Bat-Schwelle“ stellt die Spannung dar, bei deren Unterschreitung die Fernbedienung eine Batteriewarnung ausgibt. Deaktivieren Sie die Checkbox „Routing aktiv“, falls keine Reichweitenverlängerung, siehe Smart-Hacks-Beitrag, über Schaltsteckdosen gewünscht ist.
Fernbedienung mit Aufkleber individualisieren
Nachdem Sie die Funktion der Fernbedienung festgelegt haben, können Sie noch einen der beiliegenden Aufkleber auf den Taster in der Mitte kleben (Bild 23). Die ELV-SH-CRC können Sie einfach an verschiedenen Orten griffbereit ablegen oder mit dem mitgelieferten doppelseitigen Klebepad am gewünschten Ort befestigen. Reinigen Sie, bevor Sie das Klebepad anbringen, ggf. die Oberfläche – diese muss sauber, trocken und fettfrei sein. Befestigen Sie die ELV-SH-KRC ggf. an Ihrem Schlüsselbund.

Batterie wechseln
Um die Batterie zu wechseln: Lösen Sie die flexible Tasterkappe – beginnend an der Lasche – vom Gehäuseboden und nehmen Sie diese ab (Bild 24).

Drücken Sie vorsichtig mit einem kleinen Schraubendreher einen der beiden Rasthaken leicht ein (Bild 25), um die Mittelkappe anzuheben. Nehmen Sie diese nun ab und schieben Sie die Batterie mit einem nicht leitenden Gegenstand aus dem Batteriehalter.
Setzen Sie die neue Batterie ein und bringen Sie die Mittelkappe sowie die flexible Tasterkappe wieder an, wie im Kapitel „Inbetriebnahme“ beschrieben.

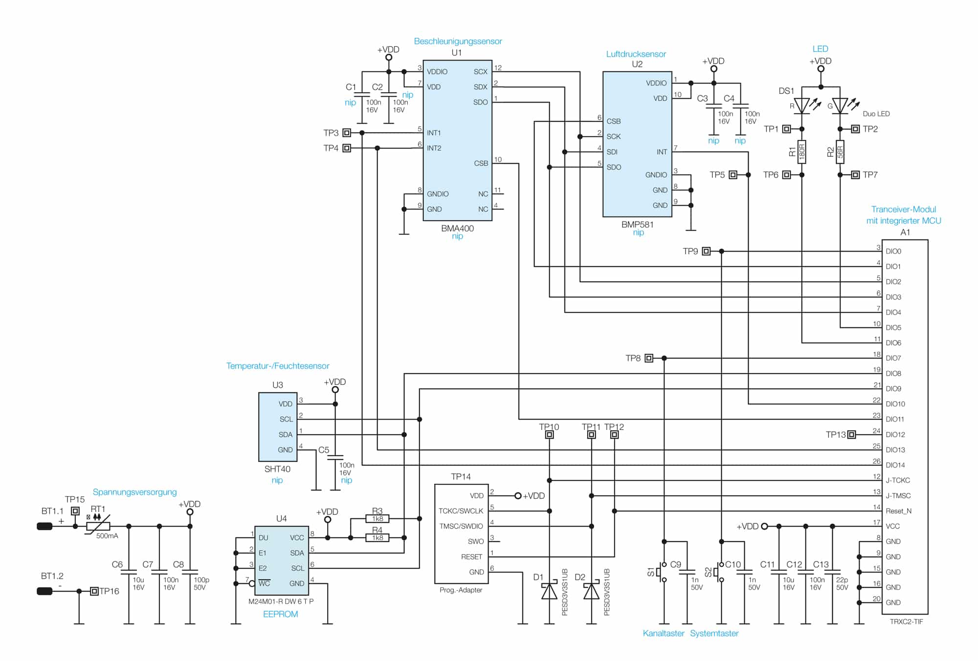
Schaltung
Der Schaltungsaufbau ist in Bild 26 dargestellt. Einige Komponenten im Schaltbild sind nicht bestückt, da diese Platine in unterschiedlichen Geräten Verwendung findet. Die Fernbedienung wird über eine Knopfzelle CR2032 mit Strom versorgt. Diese wird durch die selbstrückstellende Sicherung RT1 abgesichert (PTC – Positive Temperature Coefficient). Bei erhöhtem Stromfluss erwärmt sich das Bauteil, wodurch sein Widerstand steigt, und der Stromfluss begrenzt wird.
Das Herzstück der Schaltung bildet der System-on-Chip (SoC) A1 vom Typ TI CC1310. Dieser beinhaltet neben dem Transceiver-Modul auch direkt eine Mikrocontroller-Einheit MCU A1. Zu persistenten Speicherung der Konfiguration ist am Controller über I²C ein EEPROM U4 angebunden.
Des Weiteren findet sich im Schaltbild als wichtiges Bedienelement der Systemtaster S2. Dieser ist zur Entstörung mit dem Abblockkondensator C10 versehen und kann zur Übertragung von Systemdaten verwendet werden. Zur Peripherie des Mikrocontrollers gehört außerdem die Duo-LED DS1, die zusammen mit den Widerständen R1 und R2 verschiedene Betriebszustände signalisiert, beispielsweise während der Inbetriebnahme, bei der Anmeldung an die Zentrale oder beim Senden an Verknüpfungspartner. Die LED signalisiert Zustände durch die Farben Rot und/oder Grün.
Die eigentliche Kanaltaste bzw. Bedientaste der Fernbedienung, die zum Aussenden eines Befehls verwendet wird, ist über den Taster S1 realisiert. Auch hier findet sich ein Abblockkondensator C9 zur Entstörung. Die restlichen Kondensatoren C6-C8 dienen wie C11-C13 zur Spannungsstabilisierung und zusätzlichen Entstörung, damit eine saubere Versorgungsspannung für den Betrieb des Mikrocontrollers gewährleitet ist.

Fazit
Die beiden ELV Smart Home Fernbedienungen ELV-SH-KRC und ELV-SH-CRC sind flexibel einsetzbar, kostengünstig und schnell einsatzbereit. Mit nur einer großen Taste sind diese nicht nur für Senioren und Kinder ein wahrer Segen. Die Einsatzmöglichkeiten sind breit gefächert: Die Fernbedienung für Ihre Aktoren ermöglicht das Öffnen von Türen und Toren, die Steuerung von Markisen und Rollläden sowie Beleuchtungen, das Schalten der Gartenbewässerung und vieles mehr. Welche Variante darf es sein? Die ELV-SH-KRC lässt sich dank Metallbügel einfach aufhängen oder am Schlüsselbund befestigen. Mobil ist die ELV-SH-CRC natürlich auch. Wer die Fernbedienung lieber an einem bestimmten Platz hat, tauscht hier den Metallbügel gegen ein Klebepad. Ein kleiner, smarter HELVer.
Technische Daten
| Geräte-Kurzbezeichnung: | ELV-SH-KRC ELV-SH-CRC |
| Geräte-Langbezeichnung: | ELV Smart Home Schlüsselbundfernbedienung ELV Smart Home Fernbedienung Kompakt |
| Versorgungsspannung: | 1x 3 V CR2032 |
| Stromaufnahme: | 40 mA max. |
| Batterielebensdauer: | 2 Jahre (typ.) |
| Umgebungstemperatur: | -10 °C bis 55 °C |
| Schutzart: | IP20 |
| Funk-Frequenzband: | 868,0-868,6 MHz 869,4-869,65 MHz |
| Max. Funk-Sendeleistung: | 10 dBm |
| Typ. Funk-Freifeldreichweite: | 180 m |
| Duty Cycle: | < 1% pro h / < 10% pro h |
| Abmessung: | ELV-SH-KRC (B x H x T): 47 x 54 x 13 mm ELV-SH-CRC (Ø x T): 46 x 13 mm |
| Gewicht (inkl. Batterie): | ELV-SH-KRC: 22 g ELV-SH-CRC: 20 g |
Stückliste
| Widerstände: | |
| 56 Ω/SMD/0402 | R2 |
| 180 Ω/SMD/0402 | R1 |
| 1,8 kΩ/SMD/0402 | R3, R4 |
| PTC/0,5 A/6 V/SMD | RT1 |
| Kondensatoren: | |
| 22 pF/50 V/SMD/0402 | C13 |
| 100 pF/50 V/SMD/0402 | C8 |
| 1 nF/50 V/SMD/0402 | C9, C10 |
| 100 nF/16 V/SMD/0402 | C7, C12 |
| 10 µF/16 V/SMD/0805 | C6, C11 |
| Halbleiter: | |
| M24M01-DF DW 6 T G/TSSOP-8 | U4 |
| PESD3V3S1UB/SMD | D1, D2 |
| Duo-LED/rot/grün/SMD | DS1 |
| Sonstiges: | |
| Taster mit 0,9-mm-Tastknopf, 1x ein, SMD, 2,5 mm Höhe | S1, S2 |
| Batteriehalter für 1x R2020 bis R2032, SMD | BT1 |
| TRXC2-TIF eQ-3 | A1 |
| Gehäuse: ELV-SH-KRC mit Öse, ELV-SH-CRC ohne Öse | |
| Flexible Tasterkappe | |
| Mittelkappe mit Lichtleiter | |
| Symbolaufkleber: ELV-SH-KRC – schwarz, bedruckt / ELV-SH-CRC: grau, bedruckt | |
| Doppelseitiges Klebepad (nur ELV-SH-CRC) | |
| Lithium-Knopfzelle, CR2032 |





