ELV Applikationsmodul Analog-Digital-Wandler ELV-AM-ADC
Präzision im Fokus
Präzise Waage statt vage! Für alle, die exakte Messwerte benötigen: Erfassen Sie analoge Signale mit hoher Genauigkeit. Das ELV-AM-ADC ist ein 24-Bit-ADC-Applikationsmodul mit differenziellen Eingängen (AINP/AINN) und einer integrierten 2,5-V-Erregerspannung zur direkten Versorgung von Sensoren wie Wägezellen. AINN kann alternativ auf Masse gelegt werden, sodass das Modul auch als Single-ended-Eingang nutzbar ist. Das Ergebnis: rauscharme, stabile Messwerte, die sich einfach in MCU-Base, LW-Base oder SH-Base einbinden lassen — ideal für präzise Messaufgaben in Werkstatt, Smart-Home-Projekten oder beim Prototyping.
Infos zum Bausatz


Wozu dient das ELV-AM-ADC?
Das ELV-AM-ADC ist ein 24-Bit-Analog-Digital-Wandler als Applikationsmodul: Ziel ist die präzise, rauscharme Erfassung sehr kleiner analoger Spannungen, wie sie z. B. von Wägezellen, Drucksensoren oder einigen Temperatursensoren kommen.
Typischer Einsatz:
- das Modul liefert eine differenzielle Messgröße (AINP − AINN),
- die MCU-Base liest diese Werte, führt Kalibrierung/Linearisierung durch und verarbeitet oder kommuniziert die Daten weiter.
Wichtig: Für präzise Messungen sind eine stabile Erregerspannung (z. B. die 2,5 V des Moduls), kurze, abgeschirmte Leitungen und eine sinnvolle Brückenschaltung (Wheatstone) entscheidend.
Firmware-Stand:
Die Firmware für die MCU-Base ist zum Verkaufsstart verfügbar und bildet deshalb die primäre Plattform für die gezeigten Beispiele und Anleitungen. Die Firmware für die LW-Base und SH-Base wird nachgereicht. Die Anleitungen im Text konzentrieren sich daher vorrangig auf die Einbindung der MCU-Base. Nach Veröffentlichung der LW-/SH-Base-Firmware werden wir die Anwendungsbeispiele um konkrete Integrationstipps (z. B. Uplink-Format, Downlink-Konfiguration) ergänzen.
Dehnungsmessstreifen (Strain Gauge) – Aufbau und Theorie
Ein Dehnungsmessstreifen (DMS, Bild 1) ist ein fein strukturierter Widerstandsträger, dessen elektrischer Widerstand sich ändert, wenn er mechanisch gedehnt oder gestaucht wird. Die relative Widerstandsänderung ist proportional zur mechanischen Dehnung.

Grundprinzip
Ein Dehnungsmessstreifen (DMS) ist ein feiner Widerstandsträger, dessen Widerstand sich bei mechanischer Dehnung oder Stauchung ändert. Mathematisch gilt näherungsweise ΔR/R≈k·ε, wobei ε die Dehnung und k der sogenannte Gauge-Factor (typisch ≈ 2) ist. Die dadurch entstehenden relativen Widerstandsänderungen sind sehr klein (µΩ bis mΩ), daher werden DMS-Signale meist in einer Brückenschaltung (z. B. Wheatstone-Brücke) gemessen, um die Sensitivität zu erhöhen und eine differenzielle Spannungsabgabe für den ADC zu erhalten.
Typische Anwendungen
Dehnungsmessstreifen kommen überall dort zum Einsatz, wo Kräfte, Gewichte oder mechanische Verformungen erfasst werden sollen. Häufige Beispiele sind Wägezellen, bei denen mehrere DMS auf einem Träger zu einer Vollbrücke kombiniert werden, Biege- oder Kraftmessungen an Bauteilen sowie Druckaufnehmer, bei denen eine mechanische Verformung eines elastischen Elements in eine Widerstandsänderung umgesetzt wird.
Praktische Hinweise
Für reproduzierbare Ergebnisse ist eine sorgfältige, planebene Verklebung des DMS auf dem Messkörper entscheidend. Die Oberflächenvorbereitung (Reinigen, ggf. Anschleifen) beeinflusst die Messqualität stark. Temperaturdrift und Langzeitdrift müssen berücksichtigt und, wo nötig, durch geeignete Brückenkonfigurationen oder softwareseitige Korrekturen kompensiert werden. Vor dem Einsatz ist eine Kalibrierung mittels bekannter Lasten (Nullabgleich und Empfindlichkeitsbestimmung) unerlässlich, um verlässliche Messergebnisse zu erhalten.
Wheatstone-Messbrücke – Funktion und Anschluss
Warum eine Messbrücke?
Weil Dehnungsmessstreifen nur sehr kleine Widerstandsänderungen liefern, wandelt eine Wheatstone-Brücke diese Änderungen direkt in eine Differenzspannung um. Die Brücke verbessert Empfindlichkeit und Unterdrückung von Störeinflüssen.
Aufbau (vereinfacht)
Vier Widerstände, R1–R4, sind zu einem Quadrat (Rhombus, Bild 2) verschaltet. Die Brücke wird mit einer stabilen Spannung Vexc (Erregerspannung) gespeist. Die Messgröße entsteht zwischen den Mittelpunkten der beiden Widerstandszweige: das ist die Differenzspannung Vout, die idealerweise zu AINP/AINN des ADC geführt wird.

Ausgleichsbedingung (balancierte Brücke)
Die Brücke ist im Ruhezustand ausgeglichen, wenn:

Bei kleinen Widerstandsänderungen (ΔR) in einem oder mehreren Zweigen entsteht eine proportionale Ausgangsspannung Vout, die typischerweise in µV- bis mV-Bereichen liegt und verstärkt bzw. direkt mit einem hochauflösenden Differenz-ADC gemessen werden kann.
Brückentopologien
Vollbrücke – vier aktive Dehnungsmessstreifen (DMS): höchste Empfindlichkeit und beste Kompensation (Temperatur/Versorgung)
Halbbrücke – zwei aktive DMS + zwei Referenzwiderstände: mittlere Empfindlichkeit
Viertelbrücke – ein aktiver DMS + drei Referenzen: einfachste Variante, geringste Empfindlichkeit
ELV-AM-ADC in Betrieb nehmen
Zur Inbetriebnahme und als Anwendungsfall stellen wir im Folgenden den Einsatz zum Messen analoger Spannungen sowie den Einsatz als Waage dar und zeigen, wie das Applikationsmodul konfiguriert werden muss. Für die Anwendungsbeispiele wird zusätzlich die ELV-BM-MCU benötigt, deren Inbetriebnahme der zugehörigen Bauanleitung entnommen werden kann.
Waage kalibrieren
Es gibt verschiedene Anwendungsfälle, für die eine Gewichtsüberprüfung sinnvoll ist: z. B. zur Überwachung von Füll- oder Lagerbeständen, für Tierfuttersäcke oder im Haushalt. Durch die Möglichkeit, verschiedene Arten von Dehnungsmessstreifen auszuwerten, kann auch eine Waage mit einem sehr weiten Messbereich gebaut werden. Im Beispiel kann die Waage bis zu 200 kg über vier Wägezellen hinweg messen. Die Wägezellen müssen dabei, wie in Bild 2 zu sehen, als Messbrücke miteinander verbunden und an die Anschlüsse des ELV-AM-ADC angeschlossen werden. Die Referenzspannung ersetzt die Spannungsquelle E und das gezeigte Voltmeter wird über die Schraubklemmen durch die Messeingänge ersetzt.
Bei Verwendung der Wägezellen aus dem ELVshop verbinden Sie die Anschlüsse wie in Bild 3 und Bild 4 zu sehen.
Es gilt: E+ = REFP, A+ = AINP, A- = AINN und E- = REFN.


Zu Inbetriebnahme der Waage laden Sie den Beispiel-Code aus dem Downloadbereich (unten) herunter. Führen Sie anschließend die folgenden Schritte durch:
Schritt 1
Ändern Sie im Code in Zeile 18
„#define APP_USE“ in „SCALE_CALIB“.

Die Waage muss mit einem Gewicht > 1 kg kalibriert werden. Tragen Sie dazu das Gewicht in Gramm in der Funktion „scale_calibrate“ ein (Zeile 114).

Schritt 2
Laden Sie den Code hoch. Lassen Sie nun die Waage ohne Belastung die Selbstkalibrierung durchlaufen. Nach dem Hochladen des Codes werden die Daten in der Konsole angezeigt (Bild 5).

Schritt 3
Tragen Sie in der Funktion „scale_set_offset“ (Zeile 76) im Set-up den unteren angezeigten ganzzahligen Wert ein. Nach dem Eintragen des Werts stellen Sie das Kalibrierungsgewicht auf die Waage. Nach zwei Durchläufen der Firmware, bei denen neue Werte angezeigt werden, tragen Sie den Kommawert im Set-up in der Funktion „scale_set_scale“ (Zeile 77) ein.

Achten Sie bei der Übertragung der Werte auf das richtige Vorzeichen und auf das „f“ am Ende!
Schritt 4
Damit ist die Kalibrierung der Waage fast abgeschlossen. Stellen Sie abschließend die zuerst geänderte Definition „#define APP_USE“ wieder auf
„SCALE_APP“ um. Wenn nun die Firmware erneut hochgeladen wird, ist die Waage einsatzbereit. In der Konsole wird ca. alle 12 Sekunden das gemessene Gewicht in Kilogramm ausgegeben.
Analoge Spannungen konfigurieren und messen
Mit der Messung analoger Spannungen können verschiedene Signale ausgewertet werden. Ob es sich um eine Strom-Spannungs-Wandlung handelt, um Dehnungsmessstreifen, um Thermoelemente oder um Sensoren mit analogem Ausgang – die Möglichkeiten sind vielfältig. Hierbei muss zwischen unipolar und bipolar (siehe Infokasten) unterschieden werden. Ähnlich wie bei der Waage müssen Sie das Applikationsmodul zuerst konfigurieren:
Schritt 1
Laden Sie den Beispiel-Code aus dem ELVshop herunter.
Schritt 2
Stellen Sie im Code in Zeile 18 „#define APP_USE“ auf „ADC_DIFF“ oder „ADC_UNI“ ein. Je nachdem, ob Sie sich für unipolar oder bipolar entscheiden, konfiguriert der Co-Prozessor den Mess-Chip. In der Konsole wird entsprechend ein Spannungswert in Mikrovolt ausgegeben.
Schritt 3
Als Beispiel für eine Anwendung wurde die Ausgabe auf einem LC-Display mit 4×20 Zeichen visualisiert (Bild 6). Das Display kann durch einen Zusatz-Chip auf der Rückseite mit I2C kommunizieren. Die Datenleitung des Displays muss hierbei auf Pin 7 (PB7) der MCU-Base gelegt und die Taktleitung mit Pin 8 (PB6) verbunden werden. Es werden keine weiteren Pull-up-Widerstände benötigt, da bereits Widerstände auf dem Applikationsmodul des ELV-AM-ADC vorhanden sind.

Schaltung
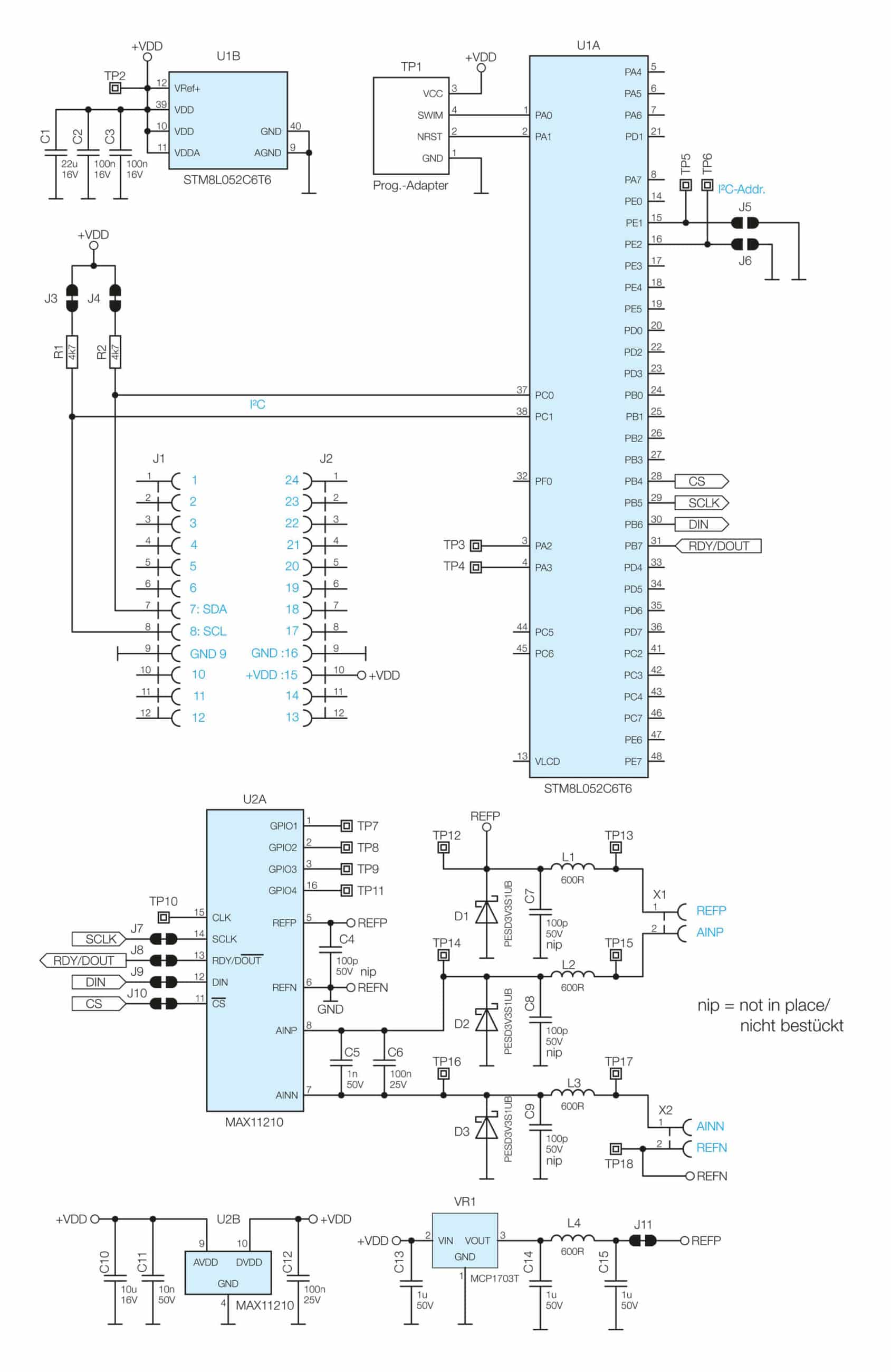
Die Platinenfotos und die Bestückungsdrucke zeigen die Ober- und Unterseite des ELV-AM-ADC (Bild 7). Die Schaltung (Bild 8) des ELV-AM-ADC ist übersichtlich in die folgenden Hauptblöcke gegliedert: Spannungsversorgung/Referenz, Analog-Frontend (Eingangsfilter plus Schutz), 24-Bit-Analog-Digital-Converter und Mikrocontroller-Schnittstelle zur Base.

Spannungsversorgung und Referenz
Die Modulspannung wird über einen LDO-Regler (VR1, auf der Platine) erzeugt und mit mehreren Kondensatoren sowie Ferrit-Bauteilen geglättet. Auf dem Modul steht eine stabile Erregerspannung/Referenz (REFP/REFN) zur Verfügung, die sich für die Versorgung von Messbrücken (z. B. Wägezellen) eignet.
Analog-Frontend
Eingangssignale führen an die differenziellen Eingänge AINP/AINN. Vor den ADC-Eingängen sind einfache Ein-/Ausgangsfilter, Ferrite und ESD-Schutzbausteine vorgesehen, um Störungen zu dämpfen und die Eingänge gegen Spannungsspitzen zu schützen.
Analog-Digital-Converter (ADC)
Als Wandler kommt ein hochauflösender 24-Bit-ADC-Baustein zum Einsatz (U2: MAX11210). Die ICs sind für differenzielle Messungen ausgelegt. REFP/REFN dienen als positive/negative Referenzpunkte. Die Platine enthält Kondensatoren (z. B. C5, C6) für die Analogfilterung.
Mikrocontroller und Schnittstellen
Ein Mikrocontroller (U1: STM8L-Typ) übernimmt die Steuerung, das Auslesen der ADC-Daten und die Anbindung an die Base. Der ADC ist per SPI angebunden (Signale: CS, SCLK, DIN, RDY/DOUT). Die Platine stellt Anschlüsse/Stiftleisten für die Base bereit (Pins für +VDD/GND/SDA/SCL), sodass sich das Modul einfach in das ELV-Modulsystem integrieren lässt.

Unipolar und bipolar
Der Mess-Chip MAX11210 ist in der Lage, sowohl unipolar als auch bipolar zu messen. Unipolar bedeutet hierbei, dass nur eine Polarität gemessen wird, und zwar von 0 V aufwärts in den positiven Bereich. Bei einer bipolaren Messung wird auch der negative Spannungsbereich gemessen. So kann während einer unipolaren Messung von 0 V bis zur Referenzspannung gemessen werden, während bei bipolaren Messungen auch der negative Bereich bis zum Wert der negativen Referenzspannung gemessen werden kann.
Stückliste
| Widerstände: | |
| 4,7 kΩ/SMD/0402 | R1, R2 |
| Kondensatoren: | |
| 1 nF/50 V/SMD/0402 | C5 |
| 10 nF/50 V/SMD/0402 | C11 |
| 100 nF/16 V/SMD/0402 | C2, C3 |
| 100 nF/25 V/SMD/0402 | C6, C12 |
| 1 µF/50 V/SMD/0603 | C13-C15 |
| 10 µF/16 V/SMD/0603 | C10 |
| 22 µF/16 V/SMD/1206 | C1 |
| Halbleiter: | |
| STM8L052C6T6/SMD | U1 |
| MAX11210/SMD | U2 |
| MCP1703T-2502E/SOT89-3/SMD | VR1 |
| PESD3V3S1UB/SMD | D1-D3 |
| Sonstiges: | |
| Chip-Ferrit, 600 Ω bei 100 MHz, 0603 | L1-L4 |
| Schraubklemme, 2-polig, Drahteinführung 90°, RM = 3,5 mm, THT, black | X1, X2 |
| Buchsenleiste, 1x 12-polig, 10 mm Pinlänge, gerade | J1, J2 |
Technische Daten
| Geräte-Kurzbezeichnung: | ELV-AM-ADC |
| Spannungsversorgung: | 3,0–3,3 VDC |
| Stromaufnahme (mit ELV-BM-TRX1) @ 3,0 V Sleep: Während einer Messung: | ø 51,85 µA ø 2,36 mA |
| Auflösung ADC: | 24 Bit |
| Messbereich: | 0–2,5 VDC ±10 µV |
| Leitungslänge an der Klemmen X1/ X2: | 20 cm max. |
| Umgebungstemperatur: | -10 bis +55 °C |
| Abmessungen (B x H x T): | 55 x 26 x 19 mm |
| Gewicht: | 11 g |