Blackbox Stromzähler
Digitale Stromzähler: Was passiert eigentlich hinter dem Display?
Wer kennt ihn noch? Den klassischen Ferraris-Zähler mit seiner charakteristischen rotierenden Scheibe. Ein Relikt vergangener Tage, das heute fast nur noch in der Erinnerung existiert. In den meisten deutschen Zählerschränken haben längst digitale Stromzähler den Platz des „Altvorderen“ eingenommen.
Doch auch deren Zeit ist gezählt: In den kommenden Jahren erfolgt der schrittweise Austausch gegen intelligente Messsysteme (iMSys). Dieser digitale Umbau ist das Rückgrat der Energiewende, wie es der Gesetzgeber seit 2023 forciert. Doch in diesem Beitrag lassen wir die Geschichte und die rechtlichen Rahmenbedingungen beiseite. Wir werfen stattdessen einen Blick unter die Haube: Wie funktionieren digitale Zähler eigentlich und wie ermitteln sie hochpräzise unsere Verbrauchswerte?
Aus der Community, für die Community
Die Anregung zu diesem kleinen Exkurs kommt direkt aus der Leserschaft des ELVjournals online und wir freuen uns sehr über diesen Austausch! Falls auch Sie ein Thema interessiert, zögern Sie nicht, uns dieses mitzuteilen. Natürlich können wir nicht versprechen, alles abzuhandeln, doch werden wir uns die größte Mühe geben. Der Austausch mit Ihnen als Leser ist uns besonders wichtig!
Wie funktioniert ein Ferraris-Zähler?
Ein Zähler mit Drehscheibe lässt sich recht einfach verstehen. Das große Rad in der Mitte wird nach einer festen Anzahl von Umdrehungen genau eine Kilowattstunde Energie (1 kWh) erfasst haben. Über ein ausgeklügeltes mechanisches System wird die Umdrehung auf die analoge Anzeige gebracht. Oft kommen hierbei Schneckenwellen und Untersetzungen ins Spiel, da die Drehscheibe teils sehr schnell dreht. Wie die Scheibe dabei zum Drehen kommt, ist recht schnell erklärt: Elektromagnete erzeugen ein Feld, das die Scheibe antreibt. Je höher dabei der Verbrauch ausfällt, desto schneller dreht sich die Scheibe.
Wie funktioniert ein digitaler Stromzähler?
Der digitale Stromzähler vollführt eine Art Hochgeschwindigkeits-Mathematik und bringt so die flüchtigen elektrischen Signale in eine lesbare Form. Der Prozess gliedert sich hierbei in die folgenden Abläufe:
- Die Erfassung der Rohdaten
- Die Berechnung der Wirkleistung (P)
- Die Integration über die Zeit – Der Weg zur kWh
Schritt 1: Die Erfassung der Rohdaten
Der Stromzähler misst zwei grundlegende physikalische Größen an Ihrem Anschluss bzw. der Verbrauchsleitung:
- die Spannung (U) – gemessen in Volt
- und die Stromstärke (I) – gemessen in Ampere.
Die Spannung in einem Hausnetz beträgt nominell 230 V. Das ist natürlich viel zu hoch für einen empfindlichen Mikroprozessor (der meist mit ca. 3,3 V oder 5 V arbeitet).
Die Lösung: ein hochohmiger Widerstandsteiler.
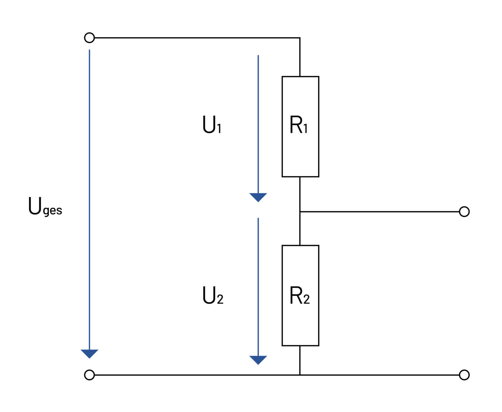
Stellen Sie sich eine Kaskade von Widerständen vor – Bild 1 zeigt einen einfachen Aufbau. Die 230 V fließen durch eine Kette von Widerständen, wodurch die Spannung schrittweise abfällt. Am Ende wird nur ein winziger Bruchteil (ein exaktes Abbild der großen Welle) abgegriffen.
Die Hochspannung wird so auf ein verarbeitbares Maß herunterskaliert, ohne die Form der Sinuskurve zu verändern.

Bei der Stromstärke wird es spannend, denn der gesamte Strom, den Ihr Herd oder Ihre Waschmaschine verbraucht, muss „erfühlt“ werden. In der Technik haben sich hierzu zwei Hauptmethoden etabliert, die wir kurz erklären.
Der Shunt-Widerstand (häufig bei einphasigen Zählern)
Ein Shunt (auch Nebenwiderstand genannt) ist ein extrem präzises, oft massives Stück Metall mit einem sehr geringen, aber genau bekannten Widerstand.
Prinzip: Wenn Strom durch diesen Widerstand fließt, fällt darüber eine winzige Spannung ab (gemäß dem Ohmschen Gesetz: U = R x I).
Messung: Der Zähler misst diese minimale Spannung und weiß sofort: „bei diesem Spannungsabfall von z. B. 50 mV müssen gerade 10 Ampere fließen.“
Der Stromwandler/die Rogowskispule (häufig bei Drehstromzählern)
Bei dieser Messmethode gibt es keinen direkten Kontakt zum fließenden Strom.
Prinzip: Jeder fließende Strom erzeugt ein Magnetfeld um das Kabel. Der Zähler hat eine Spule, die dieses Magnetfeld umschließt.
Messung: Der fließende Wechselstrom induziert in der Messspule eine kleine Spannung, die proportional zum fließenden Strom im Hauptkabel ist.
Vorteil: Die Messung ist galvanisch getrennt – das Messgerät ist also elektrisch vom Starkstromkreis isoliert.
Die Brücke zur digitalen Welt: Der ADC
Egal ob Spannungsteiler oder Stromwandler: Am Ende kommen immer noch analoge Wellensignale beim Prozessor an. Damit dieser rechnen kann, sitzt dazwischen der A/D-Wandler (Analog-Digital-Converter). Dieser zerhackt die analogen Wellen in Zahlenwerte (0 und 1). Erst jetzt kann der Prozessor die oben benötigte Multiplikation (U⋅I) und das Integral ausführen.
Schritt 2: Die Berechnung der Wirkleistung (P)
Da wir in Deutschland Wechselstrom mit einer Frequenz von 50 Hz haben, ändern sich die Strom- und Spannungswerte ca. 50 mal pro Sekunde in einer Sinuswelle (Bild 2).

Ein digitaler Stromzähler „tastet“ diese Welle tausende Male pro Sekunde ab (Sampling), um so jede kleinste Schwankung sofort zu erfassen. In jedem dieser winzigen Augenblicke multipliziert der interne Prozessor die aktuelle Spannung mit der aktuellen Stromstärke. Das ergibt die Momentanleistung in Watt (W).

So ist zu jedem Moment klar, wie viel Leistung aktuell verbraucht wird. Dies ist dann der Live-Wert, den Sie am Zähler ablesen können. Sollten Sie diesen nicht sehen, muss Ihr Zähler ggf. noch durch eine PIN freigeschaltet werden. Diesen PIN bekommen Sie durch Ihren Messstellenbetreiber.
Achtung! Das ist nicht zwingend der Anbieter, bei dem Sie Ihre Stromrechnung bezahlen.
Schritt 3: Die Integration über die Zeit: Der Weg zur kWh
Hier kommt der entscheidende Teil: Die Leistung (P) ist nur eine Momentaufnahme. Energie (E) hingegen ist Leistung x Zeit. Der Prozessor „integriert“ die Messwerte. Das bedeutet vereinfacht gesagt: Er addiert die vielen kleinen Momentanleistungen über einen Zeitraum auf. Wenn Sie ein Gerät mit 1.000 Watt (1 kW) genau eine Stunde lang betreiben, summiert der Zähler diese Leistung auf, bis das Ergebnis 1 Kilowattstunde (kWh) erreicht ist.
Mathematisch sieht das so aus:

Wenn wir uns ein Diagramm anschauen, wird es noch deutlicher. Auf der x-Achse tragen wir die Zeit und auf der y-Achse die Leistung in Watt ein. Als Verbraucher nehmen wir einen Föhn, den wir kurz ein- und dann wieder ausschalten. Die Kurve, die dabei entsteht, könnte wie in Bild 3 aussehen.

Beim Einschalten springt die Leistung nach oben und fällt beim Ausschalten wieder ab. Die Fläche, die die Kurve bildet, ist die verbrauchte Energie. Genau dies beschreibt das Integral. Da der Zähler nicht Hellsehen kann, nutzt er die numerische Integration. Er zerlegt die Kurve in hauchdünne Scheiben (Millisekunden-Bereich) und schaut:
Messen: Wie viel Watt fließen gerade?
Rechteck bilden: Dieser Wert wird mit der winzigen Zeitspanne multipliziert (Watt x Zeit). Das ergibt dann ein winziges Stück Energie.
Addieren: Danach wird dieses mit den zuvor errechneten Werten addiert.
Je nach Auflösung der Anzeige an Ihrem Zähler wird dann bei jeder vollen Nachkommastelle hochgezählt.
Zusammenfassung: Funktionsweise von Stromzählern
Hinter der digitalen Anzeige Ihres Zählers steckt faszinierende Mathematik: Durch die Kombination aus einfacher Physik (Shunt/Spannungsteiler) und Hochgeschwindigkeits-Computing werden Stromflüsse in Echtzeit integriert. So entstehen aus flüchtigen Momentan-Werten die belastbaren Kilowattstunden (kWh), die wir als historische Daten nutzen können.
Ich hoffe, dieser kurze Exkurs in die Welt der Smart Meter war hilfreich!
Welches Thema aus der Welt der Technik sollen wir als Nächstes unter die Lupe nehmen? Lassen Sie es uns in den Kommentaren wissen!